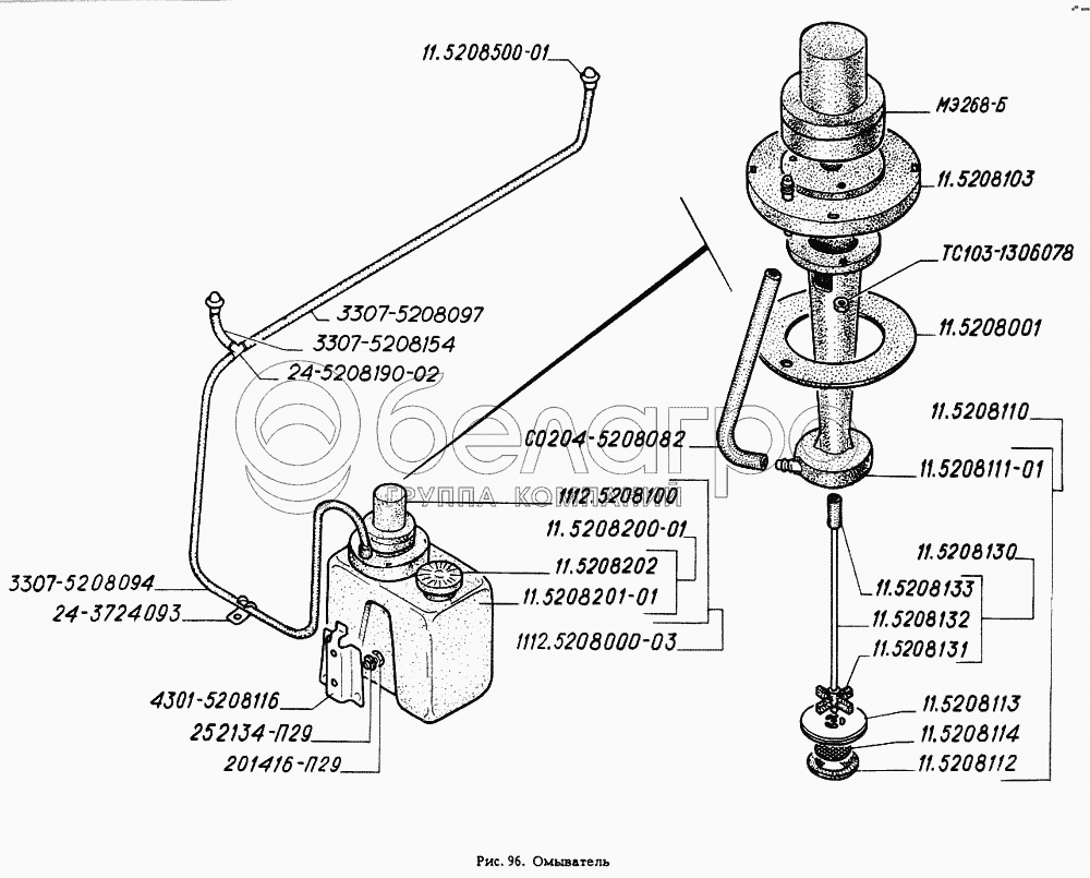
Каталог запасных частей к технике: ГАЗ-4301. Омыватель

zoom-in zoom-out enlarge shrink circle-right circle-left file-text2 info cart arraw right arraw left zoom out zoom in arraw maximize arraw minimize
11.5208113
МЭ268-Б-3730000
252134-П29
252134-П2
11.5208114
С0204-5208082
3307-5208094
3307-5208154
3307-5208097
24-5208190-02
24-3724093
11.5208130
11.5208131
11.5208001
11.5208202
11.5208200-01
1112.5208000-03
11.5208112
1112.5208100
11.5208110
11.5208133
11.5208103
11.5208111-01
11.5208500-01
4301-5208116
ТС103-1306078
11.5208132
201416-П29
11.5208201-01
11.5208113
Опора (покупная деталь)
В узле: 1
МЭ268-Б-3730000
Электродвигатель МЭ268-Б (покупная деталь)
В узле: 1
252134-П29
Шайба 6
В узле: 110
252134-П2
Шайба 6Т ОСТ 37.001.115-75
В узле: 110
11.5208114
Фильтр (покупная деталь)
В узле: 1
С0204-5208082
Трубка (покупная деталь)
В узле: 1
3307-5208094
Трубка
В узле: 1
3307-5208154
Трубка
В узле: 1
3307-5208097
Трубка
В узле: 2
24-5208190-02
Тройник
В узле: 1
24-3724093
Скоба
В узле: 6
11.5208130
Ротор с валом и муфтой (покупная деталь)
В узле: 1
11.5208131
Ротор (покупная деталь)
В узле: 1
11.5208001
Прокладка (покупная деталь)
В узле: 1
11.5208202
Пробка (покупная деталь)
В узле: 1
11.5208200-01
Бачок (покупная деталь)
В узле: 1
1112.5208000-03
Омыватель электрический (покупная деталь)
В узле: 1
11.5208112
Ободок (покупная деталь)
В узле: 1
1112.5208100
Насос с электродвигателем (покупная деталь)
В узле: 1
11.5208110
Насос (покупная деталь)
В узле: 1
11.5208133
Муфта соединительная (покупная деталь)
В узле: 1
11.5208103
Крышка (покупная деталь)
В узле: 1
11.5208111-01
Корпус (покупная деталь)
В узле: 1
11.5208500-01
Жиклер в сборе
В узле: 2
4301-5208116
Держатель бачка омывателя
В узле: 1
ТС103-1306078
Гайка М4-7Н (покупная деталь)
В узле: 3
11.5208132
Вал (покупная деталь)
В узле: 1
201416-П29
Болт М6-6gх12 ОСТ 37.001.123-96
В узле: 35
11.5208201-01
Бачок (покупная деталь)
В узле: 1
Содержащиеся в справочниках-каталогах запасные части и детали не предлагаются к продаже, а носят исключительно информационный характер

Ваша заявка была отправлена. В ближайшее время наши специалисты с Вами свяжутся по указанному Вами телефону.

Представьтесь
Поле обязательно для заполнения
Ваш телефон
Введите правильный номер телефона
E-mail
Введите правильный e-mail
Тема
Тема
применяемость финансирование доставка цена, наличие другое сервис и гарантия
Время для звонка
08:00
08:00 09:00 10:00 11:00 12:00 13:00 14:00 15:00 16:00 17:00 18:00 19:00
19:00
08:00 09:00 10:00 11:00 12:00 13:00 14:00 15:00 16:00 17:00 18:00 19:00

Мы постараемся перезвонить в указанное время

Если вы не хотите ждать, то звоните нашим вежливым консультантам:

8 800 100-2-700
Подтвердите, что вы не робот
Подтвердите, что вы не робот
Спасибо!

Ваше сообщение успешно отправлено!

ЗакрытьПовторить попытку