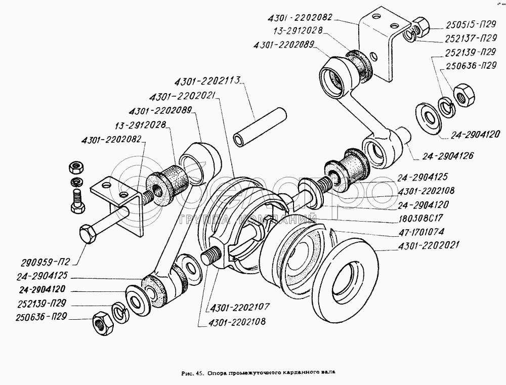
Каталог запасных частей к технике: ГАЗ-4301. Опора промежуточного карданного вала

zoom-in zoom-out enlarge shrink circle-right circle-left file-text2 info cart arraw right arraw left zoom out zoom in arraw maximize arraw minimize
4301-2202021
4301-2202021
250636-Н29
252139-П29
252139-П2
252137-П29
24-2904120
24-2904120
24-2904120
4301-2202089
4301-2202089
180308С17
4301-2202108
4301-2202108
290959-П2
4301-2202082
4301-2202082
4301-2202107
47-1701074
250636-П29
250515-П29
24-2904126
4301-2202113
24-2904125
24-2904125
13-2912028
13-2912028
4301-2202021
Отражатель
В узле: 2
250636-Н29
Гайка М16х1,5-6Н
В узле: ---
252139-П29
Шайба 16 0Т
В узле: 24
252139-П2
Шайба 16.ОТ ОСТ 37.001.115-75
В узле: 24
252137-П29
Шайба 12
В узле: 91
252137-П2
Шайба 12.ОТ ОСТ 37.001.115-75
В узле: 91
24-2904120
Шайба пальца оси верхних рычагов
В узле: 4
298430-П29
Сапун К1/8"
В узле: 1
4301-2202089
Рычаг
В узле: 2
180308С17
Подшипник ГОСТ 520-89 (покупная деталь)
В узле: 1
4301-2202108
Палец
В узле: 2
290959-П2
Болт М12х1,25-6gх108
В узле: 1
4301-2202082
Кронштейн
В узле: 2
4301-2202107
Корпус
В узле: 1
47-1701074
Кольцо
В узле: 1
250636-П29
Гайка М16х1,5-6Н ОСТ 37.001.124-93
В узле: 16
250515-П29
Гайка М12х1,25-6Н ОСТ 37.001.124-93
В узле: 25
24-2904126
Втулка распорная
В узле: 2
4301-2202113
Втулка
В узле: 1
24-2904125
Втулка оси верхних рычагов
В узле: 2
13-2912028
Втулка ушков рессоры
В узле: 2
Содержащиеся в справочниках-каталогах запасные части и детали не предлагаются к продаже, а носят исключительно информационный характер

Ваша заявка была отправлена. В ближайшее время наши специалисты с Вами свяжутся по указанному Вами телефону.

Представьтесь
Поле обязательно для заполнения
Ваш телефон
Введите правильный номер телефона
E-mail
Введите правильный e-mail
Тема
Тема
применяемость финансирование доставка цена, наличие другое сервис и гарантия
Время для звонка
08:00
08:00 09:00 10:00 11:00 12:00 13:00 14:00 15:00 16:00 17:00 18:00 19:00
19:00
08:00 09:00 10:00 11:00 12:00 13:00 14:00 15:00 16:00 17:00 18:00 19:00

Мы постараемся перезвонить в указанное время

Если вы не хотите ждать, то звоните нашим вежливым консультантам:

8 800 100-2-700
Подтвердите, что вы не робот
Подтвердите, что вы не робот
Спасибо!

Ваше сообщение успешно отправлено!

ЗакрытьПовторить попытку