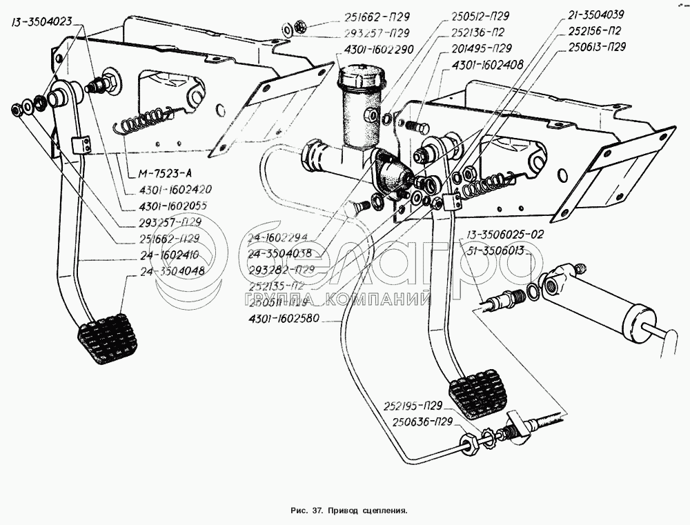
Каталог запасных частей к технике: ГАЗ-4301. Привод сцепления

zoom-in zoom-out enlarge shrink circle-right circle-left file-text2 info cart arraw right arraw left zoom out zoom in arraw maximize arraw minimize
24-1602294
13-3506025-02
252135-П29
252135-П2
293282-П29
293257-П29
293257-П29
252195-П29
252156-П29
252156-П2
252136-П29
252136-П2
4301-1602290
4301-1602580
М-7523-А
51-3506013
201495-П29
24-1602410
4301-1602055
24-3504038
24-3504048
4301-1602420
4301-1602408
250511-П29
251662-П29
251662-П29
250636-Н29
250613-П29
250512-П29
21-3504039
13-3504023
4301-1602290
Главный цилиндр привода выключения сцепления
В узле: 1
4301-1602290 Цилиндр сцепления главный c бачком (А) Под заказ 747.82 р.
24-1602294
Прокладка главного цилиндра выключения сцепления
В узле: 1
13-3506025-02
Шланг
В узле: 1
252135-П29
Шайба 8Т
В узле: 121
252135-П2
Шайба 8Т ОСТ 37.001.115-75
В узле: 121
293282-П29
Шайба 8,4
В узле: 2
293257-П29
Шайба 8
В узле: 3
252195-П29
Шайба 16 ОСТ 37.001.146-75
В узле: 3
252156-П29
Шайба 10
В узле: 89
252156-П2
Шайба 10Л ОСТ 37.001.115-75
В узле: 89
252136-П29
Шайба 10Т
В узле: 106
252136-П2
Шайба 10 ОТ ОСТ 37.001.115-75
В узле: 106
4301-1602580
Трубка от главного цилиндра сцепления к гибкому шлангу в сборе
В узле: 1
М-7523-А
Пружина
В узле: 1
51-3506013
Прокладка
В узле: 18
201495-П29
Болт М10-6gх20 ОСТ 37.001.123-96
В узле: 16
24-1602410
Педаль сцепления в сборе
В узле: 1
4301-1602055
Ось
В узле: 1
24-3504038
Ось толкателя педали
В узле: 1
24-3504048
Накладка педалей
В узле: 1
4301-1602420
Кронштейн
В узле: 1
4301-1602408
Кронштейн
В узле: 1
250511-П29
Гайка М8х1-6Н ОСТ 37.001.124-93
В узле: 21
251662-П29
Гайка М8-4Н5Н
В узле: 3
250636-Н29
Гайка М16х1,5-6Н
В узле: 16
250613-П29
Гайка 10х1-6Н
В узле: 7
250512-П29
Гайка М10-6Н ОСТ 37.001.124-93
В узле: 74
21-3504039
Втулка оси толкателя
В узле: 2
13-3504023
Втулка оси педали тормоза
В узле: 2
Содержащиеся в справочниках-каталогах запасные части и детали не предлагаются к продаже, а носят исключительно информационный характер

Ваша заявка была отправлена. В ближайшее время наши специалисты с Вами свяжутся по указанному Вами телефону.

Представьтесь
Поле обязательно для заполнения
Ваш телефон
Введите правильный номер телефона
E-mail
Введите правильный e-mail
Тема
Тема
применяемость финансирование доставка цена, наличие другое сервис и гарантия
Время для звонка
08:00
08:00 09:00 10:00 11:00 12:00 13:00 14:00 15:00 16:00 17:00 18:00 19:00
19:00
08:00 09:00 10:00 11:00 12:00 13:00 14:00 15:00 16:00 17:00 18:00 19:00

Мы постараемся перезвонить в указанное время

Если вы не хотите ждать, то звоните нашим вежливым консультантам:

8 800 100-2-700
Подтвердите, что вы не робот
Подтвердите, что вы не робот
Спасибо!

Ваше сообщение успешно отправлено!

ЗакрытьПовторить попытку