Каталог запасных частей к технике: ГАЗ-51 (63, 63А). Держатель запасного колеса

zoom-in zoom-out enlarge shrink circle-right circle-left file-text2 info cart arraw right arraw left zoom out zoom in arraw maximize arraw minimize
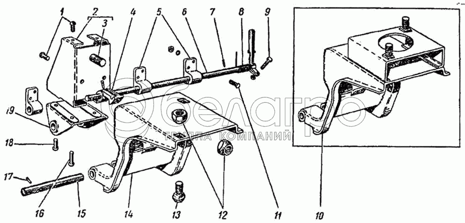
1
2
3
4
5
6
7
8
9
10
11
12
13
14
15
16
17
18
19
63-3106020
Камера 10,00 18 (9,75 18)
В узле: 5
51-3106020
Камера 7,50-20"
В узле: 7
250765-П8
Гайка М8х1,25х32
В узле: 1
51-3106025
Лента ободная
В узле: 7
63-3106025
Лента ободная
В узле: 5
63-3106015
Покрышка 10,00 18 (9,75 - 18)
В узле: 5
51-3106015
Покрышка 7,50-20"
В узле: 7
252155-П2
Шайба 8Л ОСТ 37.001.115-75
В узле: 6
63-3106010
Шина 10,00 18 (9,75 18) в сборе
В узле: 5
51-3106010
Шина 7,50 - 20 в сборе
В узле: 7
258951-П8
Штифт защелки держателя запасного колеса
В узле: 1
250765-П8
Гайка М8х1,25х32
В узле: 1
1
252804-П
Заклепка верхнего кронштейна подвески раздаточной коробки
В узле: 4
2
51-3105056-В
Усилитель кронштейна держателя запасного колеса в сборе
В узле: 1
3
51-3105015-Д
Болт запорной гайки кронштейна запасного колеса
В узле: 1
4
51-3105085-В
Защелка держателя запасного колеса
В узле: 1
5
51-3105090-Б
Кронштейн валика защелки запасного колеса
В узле: 3
6
51-3105080-Б1
Валик защелки держателя запасного колеса с рукояткой в сборе
В узле: 1
7
258948-П8
Штифт 5х25
В узле: 1
8
51-3105087-Б
Пружина валика защелки держателя запасного колеса
В узле: 1
9
200263-П8
Болт М8-6gх35
В узле: 1
10
63-3105065-Г
Кронштейн запасного колеса откидной в сборе
В узле: 1
11
201457-П8
Болт М8-6gх22
В узле: 6
12
51-3101040
Гайка крепления переднего колеса (правая резьба)
В узле: 3
13
51-3105025
Болт откидного кронштейна
В узле: 2
14
51-3105065-Г
Кронштейн запасного колеса откидной в сборе
В узле: 1
15
51-3105074
Ось кронштейна запасного колеса
В узле: 1
16
252809-П
Заклепка крепления усилительной пластины
В узле: 2
17
258951-П8
Штифт защелки держателя запасного колеса
В узле: 1
18
252805-П
Заклепка крепления поперечины № 6 к лонжерону
В узле: 2
19
51-3105055-Б
Кронштейн держателя запасного колеса
В узле: 1
Содержащиеся в справочниках-каталогах запасные части и детали не предлагаются к продаже, а носят исключительно информационный характер

Ваша заявка была отправлена. В ближайшее время наши специалисты с Вами свяжутся по указанному Вами телефону.

Представьтесь
Поле обязательно для заполнения
Ваш телефон
Введите правильный номер телефона
E-mail
Введите правильный e-mail
Тема
Тема
применяемость финансирование доставка цена, наличие другое сервис и гарантия
Время для звонка
08:00
08:00 09:00 10:00 11:00 12:00 13:00 14:00 15:00 16:00 17:00 18:00 19:00
19:00
08:00 09:00 10:00 11:00 12:00 13:00 14:00 15:00 16:00 17:00 18:00 19:00

Мы постараемся перезвонить в указанное время

Если вы не хотите ждать, то звоните нашим вежливым консультантам:

8 800 100-2-700
Подтвердите, что вы не робот
Подтвердите, что вы не робот
Спасибо!

Ваше сообщение успешно отправлено!

ЗакрытьПовторить попытку