Каталог запасных частей к технике: ГАЗ-51 (63, 63А). Газопровод

zoom-in zoom-out enlarge shrink circle-right circle-left file-text2 info cart arraw right arraw left zoom out zoom in arraw maximize arraw minimize
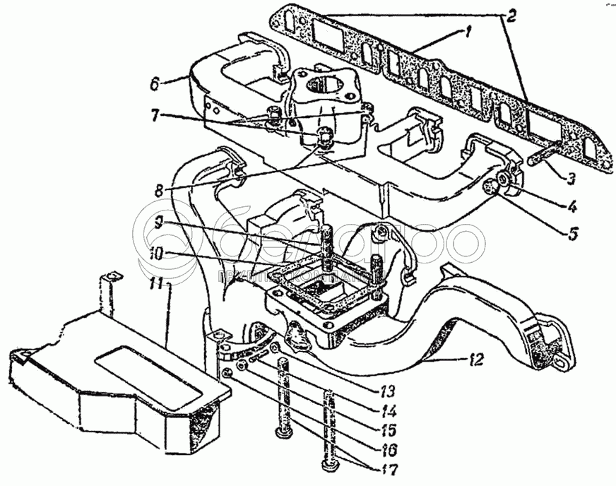
1
2
3
4
5
6
7
8
9
10
11
12
13
14
15
16
17
А-24466
Пробка 1/4"х18
В узле: 4
51-1008010-А
Газопровод двигателя в сборе
В узле: 1
1
12-1008080
Прокладка газопровода средняя
В узле: 1
2
12-1008084
Прокладка газопровода крайняя
В узле: 2
3
291798-П
Шпилька М10х1х30
В узле: 11
4
293318-П
Шайба 10
В узле: 10
5
292782-П
Гайка М10х1
В узле: 11
6
51-1008014
Труба впускная в сборе
В узле: 1
7
292782-П
Гайка М10х1
В узле: 4
8
293312-П8
Шайба 10
В узле: 4
9
261274-П
Шпилька крепления впускной трубы к выпускной
В узле: 2
10
12-1008019
Прокладка между впускной и выпускной трубами
В узле: 1
11
51-1008090-В
Кожух газопровода в сборе
В узле: 1
12
12-10080-24-А
Труба выпускная в сборе
В узле: 1
13
293236-П
Шайба 6 нижняя
В узле: 1
14
291678-П
Шпилька М6х0,75х14 сектора заслонки подогрева смеси
В узле: 1
15
252004-П8
Шайба 6
В узле: 1
16
250533-П
Гайка М6х0,75-6Н
В узле: 1
17
290837-П8
Болт 1М10х1х85 крепления впускной трубы к выпускной
В узле: 2
Содержащиеся в справочниках-каталогах запасные части и детали не предлагаются к продаже, а носят исключительно информационный характер

Ваша заявка была отправлена. В ближайшее время наши специалисты с Вами свяжутся по указанному Вами телефону.

Представьтесь
Поле обязательно для заполнения
Ваш телефон
Введите правильный номер телефона
E-mail
Введите правильный e-mail
Тема
Тема
применяемость финансирование доставка цена, наличие другое сервис и гарантия
Время для звонка
08:00
08:00 09:00 10:00 11:00 12:00 13:00 14:00 15:00 16:00 17:00 18:00 19:00
19:00
08:00 09:00 10:00 11:00 12:00 13:00 14:00 15:00 16:00 17:00 18:00 19:00

Мы постараемся перезвонить в указанное время

Если вы не хотите ждать, то звоните нашим вежливым консультантам:

8 800 100-2-700
Подтвердите, что вы не робот
Подтвердите, что вы не робот
Спасибо!

Ваше сообщение успешно отправлено!

ЗакрытьПовторить попытку