Каталог запасных частей к технике: ГАЗ-51 (63, 63А). Масляный фильтр грубой очистки

zoom-in zoom-out enlarge shrink circle-right circle-left file-text2 info cart arraw right arraw left zoom out zoom in arraw maximize arraw minimize
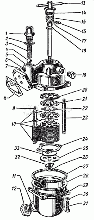
1
2
3
4
5
6
7
8
9
10
11
12
13
14
15
16
17
18
19
20
21
22
23
24
25
26
27
28
29
30
31
32
33
МФ1-1012010
Фильтр масляный в сборе
В узле: 4
1
296499-П8
Пробка М18х1,5
В узле: 1
2
293469-П
Шайба 18
В узле: 1
3
202-6092
Пружина перепускного клапана масляного радиатора
В узле: 1
4
353087-S
Шарик диаметром 11,9 мм
В узле: 1
5
МФ1-1012015
Корпус масляного фильтра грубой очистки
В узле: 1
6
201458-П8
Болт М8х1,25х25
В узле: 4
7
252135-П2
Шайба 8Т ОСТ 37.001.115-75
В узле: 4
8
12-1012080-Б
Прокладка корпуса масляного фильтра
В узле: 1
9
МФ1-1012027
Стержень счищающих пластин
В узле: 1
10
МФ1-1012053
Пластина счищающая масляного фильтра
В узле: 171
11
297248-П
Прокладка диаметром 18 пробки в сборе
В узле: 1
12
296495-П
Пробка 1М18х1,5
В узле: 1
13
МФ1-1012030
Валик фильтра в сборе
В узле: 1
14
МФ1-1012039
Гайка сальника масляного фильтра
В узле: 1
15
МФ1-1012038
Сальник валика масляного фильтра грубой очистки
В узле: 1
16
МФ1-1012036
Шайба замковая
В узле: 1
17
МФ1-1012037
Шайба сальника масляного фильтра грубой очистки
В узле: 1
18
293346-П2
Шайба 12 упорная
В узле: 1
19
353052-88
Пробка 1/4-18 корпуса масляного фильтра коническая
В узле: 1
20
МФ1-1012055-А
Шайба упорная фильтрующего элемента масляного фильтра
В узле: 1
21
МФ1-1012051
Пластина фильтрующая масляного фильтра грубой очистки
В узле: 172
22
МФ1-1012052
Пластина промежуточная масляного фильтра грубой очистки
В узле: 171
23
МФ1-1012026
Стойка фильтрующего элемента масляного фильтра грубой очистки
В узле: 3
24
МФ1-1012059
Пластина опорная фильтрующего элемента масляного фильтра
В узле: 1
25
МФ1-1012056
Шайба зажимная фильтрующего элемента масляного фильтра грубой очистки
В узле: 1
26
250765-П2
Гайка 1М8х1
В узле: 1
27
МФ1-1012068
Прокладка отстойника масляного фильтра грубой очистки
В узле: 1
28
МФ1-1012062
Отстойник масляного фильтра грубой очистки в сборе
В узле: 1
29
МФ1-1012067
Фланец отстойника масляного фильтра грубой очистки
В узле: 1
30
293271-П8
Шайба 8
В узле: 4
31
201460-П8
Болт М8-6gх30
В узле: 4
32
МФ1-1012058
Шайба стопорная
В узле: 1
33
МФ1-1012054
Шайба направляющая
В узле: 1
Содержащиеся в справочниках-каталогах запасные части и детали не предлагаются к продаже, а носят исключительно информационный характер

Ваша заявка была отправлена. В ближайшее время наши специалисты с Вами свяжутся по указанному Вами телефону.

Представьтесь
Поле обязательно для заполнения
Ваш телефон
Введите правильный номер телефона
E-mail
Введите правильный e-mail
Тема
Тема
применяемость финансирование доставка цена, наличие другое сервис и гарантия
Время для звонка
08:00
08:00 09:00 10:00 11:00 12:00 13:00 14:00 15:00 16:00 17:00 18:00 19:00
19:00
08:00 09:00 10:00 11:00 12:00 13:00 14:00 15:00 16:00 17:00 18:00 19:00

Мы постараемся перезвонить в указанное время

Если вы не хотите ждать, то звоните нашим вежливым консультантам:

8 800 100-2-700
Подтвердите, что вы не робот
Подтвердите, что вы не робот
Спасибо!

Ваше сообщение успешно отправлено!

ЗакрытьПовторить попытку