Каталог запасных частей к технике: ГАЗ-51 (63, 63А). Передние рессоры

zoom-in zoom-out enlarge shrink circle-right circle-left file-text2 info cart arraw right arraw left zoom out zoom in arraw maximize arraw minimize
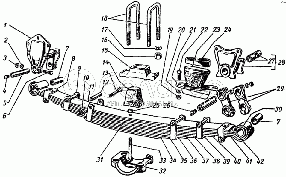
1
2
3
4
5
6
7
7
8
9
10
11
12
13
14
15
16
17
18
19
20
21
22
23
24
25
26
27
28
29
30
31
32
33
34
35
36
37
38
39
40
41
42
63-2902408-Б
Стремянка передней рессоры
В узле: 4
209472-П2
Болт М10х1х85 листов задней дополнительной рессоры
В узле: 2
252141-П2
Шайба 20.ОТ ОСТ 37.001.115-75
В узле: 8
63А-2902061-А
Хомут обратного листа передней рессоры
В узле: 4
63А-2902063-Б1
Хомут листа № 8 передней рессоры
В узле: 4
63А-2902062-Б1
Хомут четвертого листа задней рессоры
В узле: 4
63А-2902012-Б
Рессора передняя в сборе
В узле: 2
51-2902012-Г
Рессора передняя в сборе
В узле: 2
63-2902412-Б
Накладка передней рессоры
В узле: 2
63А-2902053-Б1
Лист № 8 передней рессоры с хомутами в сборе
В узле: 2
63А-2902105-Б
Лист № 6 передней рессоры
В узле: 2
63А-2902104-Б
Лист № 4 передней рессоры
В узле: 2
201521-П8
Болт М10х1-6gх32
В узле: 2
292931-П8
Гайка М20х1,5-4Н5Н
В узле: 8
252806-П
Заклепка крепления угольника
В узле: 10
252809-П
Заклепка крепления усилительной пластины
В узле: 6
252806-П
Заклепка крепления угольника
В узле: 10
253691-П
Заклепка крепления хомута
В узле: 12
63А-2902051-А
Лист передней рессоры обратный с хомутами в сборе
В узле: 2
63А-2902103-Б
Лист № 3 передней рессоры
В узле: 2
63А-2902052-Б1
Лист № 5 передней рессоры с хомутами в сборе
В узле: 2
1
51-2902444
Кронштейн передний
В узле: 2
2
252136-П2
Шайба 10 ОТ ОСТ 37.001.115-75
В узле: 12
3
250513-П8
Гайка М10х1-6Н
В узле: 12
4
264020-П8
Пресс-масленка К 1/8"
В узле: 2
5
51-2902478
Палец
В узле: 6
6
290825-П8
Болт М10х1х58
В узле: 12
7
51-2902028
Втулка ушка передней рессоры
В узле: 4
8
51-2902061-Б
Хомут четвертого листа передней рессоры
В узле: 4
9
51-2902062-В1
Хомут листа № 5 передней рессоры
В узле: 4
10
250810-П2
Гайка М10Х15
В узле: 12
11
51-2912062-А
Хомут восьмого листа передней рессоры
В узле: 4
12
51-2902068
Втулка распорная хомута рессоры
В узле: 12
13
290838-П2
Болт М10х1,5х90 хомута передней рессоры стяжной
В узле: 12
14
64-5640
Буфер передней рессоры
В узле: 2
15
51-2902412
Накладка передней рессоры
В узле: 2
16
292873-П8
Гайка М16х1,5
В узле: 8
17
252139-П2
Шайба 16.ОТ ОСТ 37.001.115-75
В узле: 8
18
51-2902408-Б
Стремянка передней рессоры
В узле: 4
19
250513-П8
Гайка М10х1-6Н
В узле: 4
20
252136-П2
Шайба 10 ОТ ОСТ 37.001.115-75
В узле: 4
21
51-2902674
Обойма дополнительного буфера
В узле: 2
22
201519-П8
Болт 1М10х1х28
В узле: 2
23
51-2902684
Буфер дополнительный
В узле: 2
24
51-2902690
Вкладыш обоймы дополнительного буфера передней рессоры
В узле: 2
25
250513-П2
Гайка М10х1
В узле: 2
26
264030-П8
Пресс-масленка 2.3.45.Ц6
В узле: 4
27
51-2902504-А
Втулка вертикального ролика троса лебедки
В узле: 4
28
51-2902442-А
Кронштейн задний с втулками в сборе
В узле: 2
29
51-2902466
Серьга
В узле: 4
30
51-2902015-Б
Лист № 1 с втулками в сборе (По выбору)
В узле: 2
31
51-2902102-Г
Лист № 2 передней рессоры
В узле: 2
32
51-2912418-А
Подкладка передней рессоры
В узле: 2
33
209470-П2
Болт 1М 10х1х78 передней рессоры центровой
В узле: 2
34
51-2902110-В
Лист № 10 передней рессоры
В узле: 2
35
51-2902109-В
Лист № 9 передней рессоры
В узле: 2
36
51-2902053-В1
Лист № 8 передней рессоры с хомутами в сборе
В узле: 2
37
51-2902107-В
Лист № 7 передней рессоры
В узле: 2
38
51-2902106-В
Лист № 6 передней рессоры
В узле: 2
39
51-2902052-В1
Лист № 5 передней рессоры с хомутами в сборе
В узле: 2
40
51-2902104-В
Лист № 4 передней рессоры
В узле: 2
41
51-2902103-В
Лист № 3 передней рессоры
В узле: 2
42
51-2902051-В1
Лист передней рессоры обратный с хомутами в сборе
В узле: 2
Содержащиеся в справочниках-каталогах запасные части и детали не предлагаются к продаже, а носят исключительно информационный характер

Ваша заявка была отправлена. В ближайшее время наши специалисты с Вами свяжутся по указанному Вами телефону.

Представьтесь
Поле обязательно для заполнения
Ваш телефон
Введите правильный номер телефона
E-mail
Введите правильный e-mail
Тема
Тема
применяемость финансирование доставка цена, наличие другое сервис и гарантия
Время для звонка
08:00
08:00 09:00 10:00 11:00 12:00 13:00 14:00 15:00 16:00 17:00 18:00 19:00
19:00
08:00 09:00 10:00 11:00 12:00 13:00 14:00 15:00 16:00 17:00 18:00 19:00

Мы постараемся перезвонить в указанное время

Если вы не хотите ждать, то звоните нашим вежливым консультантам:

8 800 100-2-700
Подтвердите, что вы не робот
Подтвердите, что вы не робот
Спасибо!

Ваше сообщение успешно отправлено!

ЗакрытьПовторить попытку