Каталог запасных частей к технике: ГАЗ-51 (63, 63А). Передний буфер

zoom-in zoom-out enlarge shrink circle-right circle-left file-text2 info cart arraw right arraw left zoom out zoom in arraw maximize arraw minimize
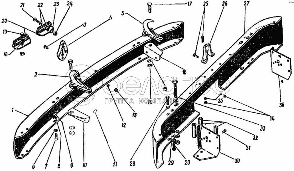
1
2
3
4
5
6
7
8
9
10
11
12
13
14
15
16
17
18
19
20
21
22
23
24
25
26
27
28
28
29
30
31
32
33
34
35
36
250765-П8
Гайка М8х1,25х32
В узле: 2
63-2803015-Б
Буфер передний
В узле: 1
252017-П8
Шайба 16
В узле: 2
251265-П2
Гайка М8
В узле: 2
1
51-2803015-В
Буфер передний
В узле: 1
2
51-2806011-А
Крюк буксирный передний левый
В узле: 1
3
201457-П8
Болт М8-6gх22
В узле: 3
4
51-2803070-В
Кронштейн пусковой рукоятки
В узле: 1
5
51-2806010-А
Крюк буксирный передний правый
В узле: 1
6
252007-П8
Шайба 12,5
В узле: 2
7
201540-П8
Болт М12х1,75х30
В узле: 2
8
252137-П2
Шайба 12.ОТ ОСТ 37.001.115-75
В узле: 2
9
250811-П8
Гайка М12
В узле: 2
10
51-2806027-Б
Кронштейн переднего буксирного крюка левый
В узле: 1
11
252804-П
Заклепка верхнего кронштейна подвески раздаточной коробки
В узле: 4
12
252135-П2
Шайба 8Т ОСТ 37.001.115-75
В узле: 3
13
250765-П8
Гайка М8х1,25х32
В узле: 3
14
250561-П8
Гайка М16х1,5
В узле: 6
15
252139-П2
Шайба 16.ОТ ОСТ 37.001.115-75
В узле: 6
16
51-2806026-Б
Кронштейн переднего буксирного крюка правый
В узле: 1
17
202147-П8
Болт М16х1,5х50 крюка
В узле: 6
18
252155-П2
Шайба 8Л ОСТ 37.001.115-75
В узле: 2
19
201454-П4
Болт М8х1,25х16 крепления держателя переднего номерного знака
В узле: 2
20
51-2807030-В
Держатель переднего номерного знака
В узле: 2
21
201418-П8
Болт М6-6gх16
В узле: 2
22
252004-П8
Шайба 6
В узле: 4
23
252154-П8
Шайба 6 пружинная
В узле: 2
24
250764-П8
Гайка М6х1
В узле: 2
25
201497-П8
Болт М10х25
В узле: 3
26
63А-2803070
Кронштейн пусковой рукоятки
В узле: 1
27
63А-2803012-Б
Буфер передний
В узле: 1
28
201564-П8
Болт 1М12х1,25х32 крепления кронштейна опоры промежуточного вала
В узле: 6
29
250515-П8
Гайка М12х1,25
В узле: 6
30
63А-2803027
Кронштейн переднего буфера левый
В узле: 1
31
252807-П
Заклепка крепления поперечины № 5 с косынкой к лонжерону
В узле: 10
32
63А-2806012
Втулка болта переднего буксирного крюка распорная
В узле: 6
33
200720-П8
Болт 1М16х1,5х80 крепления переднего буксирного крюка
В узле: 6
34
250512-П8
Гайка М10-6Н
В узле: 3
35
252136-П2
Шайба 10 ОТ ОСТ 37.001.115-75
В узле: 3
36
63А-2803026
Кронштейн переднего буфера правый
В узле: 1
Содержащиеся в справочниках-каталогах запасные части и детали не предлагаются к продаже, а носят исключительно информационный характер

Ваша заявка была отправлена. В ближайшее время наши специалисты с Вами свяжутся по указанному Вами телефону.

Представьтесь
Поле обязательно для заполнения
Ваш телефон
Введите правильный номер телефона
E-mail
Введите правильный e-mail
Тема
Тема
применяемость финансирование доставка цена, наличие другое сервис и гарантия
Время для звонка
08:00
08:00 09:00 10:00 11:00 12:00 13:00 14:00 15:00 16:00 17:00 18:00 19:00
19:00
08:00 09:00 10:00 11:00 12:00 13:00 14:00 15:00 16:00 17:00 18:00 19:00

Мы постараемся перезвонить в указанное время

Если вы не хотите ждать, то звоните нашим вежливым консультантам:

8 800 100-2-700
Подтвердите, что вы не робот
Подтвердите, что вы не робот
Спасибо!

Ваше сообщение успешно отправлено!

ЗакрытьПовторить попытку