Каталог запасных частей к технике: ГАЗ-51 (63, 63А). Стартер

zoom-in zoom-out enlarge shrink circle-right circle-left file-text2 info cart arraw right arraw left zoom out zoom in arraw maximize arraw minimize
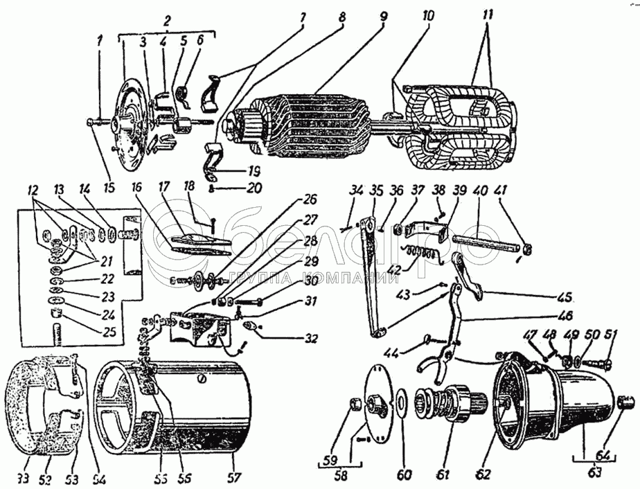
1
2
3
4
5
6
7
8
9
10
11
12
13
14
15
16
17
18
19
20
21
21
21
22
23
24
25
26
27
28
29
30
31
32
33
34
35
36
37
38
39
40
41
42
43
44
45
46
47
48
49
50
51
52
53
54
55
56
57
58
59
60
61
62
63
64
7Х-4279
Винт
В узле: 2
8Х-1598
Винт М5х7
В узле: 2
258948-П
Штифт 5х25 ОСТ 37.001.116-75
В узле: 2
258038-П
Шплинт 2,7х15
В узле: 1
Х-4069
Шайба 8 пружинная
В узле: 1
Х-4001
Шайба 5Т пружинная
В узле: 2
252135-П2
Шайба 8Т ОСТ 37.001.115-75
В узле: 2
Х-1537
Гайка
В узле: 1
Х-1533
Гайка М6
В узле: 2
МХ-0097
Винт М5-8gх12
В узле: 2
МХ-0233
Винт крепления фланца
В узле: 2
ВК14-3708000
Включатель стартера в сборе
В узле: 1
1
Х-1482
Шайба 6Т пружинная
В узле: 2
2
60328
Крышка со стороны коллектора в сборе
В узле: 1
3
1-МЗ-43А
Прокладка изоляционная
В узле: 2
4
1-МЗ-16
Щеткодержатель
В узле: 4
5
1-МЗ-40А
Втулка крышки со стороны коллектора
В узле: 1
6
1-МЗ-19
Пружина щетки стартера
В узле: 4
7
1-МАФ-13
Щетка стартера в сборе на массу
В узле: 2
8
ХЗ-9411
Шайба якоря стартера упорная передняя
В узле: 1
9
СТ06200-А
Якорь стартера в сборе
В узле: 1
10
1-МАФ-12
Щетка стартера в сборе изолированная
В узле: 2
11
СТ20-3708110
Катушка возбуждения в сборе
В узле: 1
12
МХ-0246
Шайба 8 пружинная
В узле: 4
13
1-МЮ-37
Шайба контактного болта
В узле: 2
14
1-МАБ-31
Шайба контактного болта изолирующая
В узле: 2
15
1-МВВ-20-Б
Винт корпуса стартера стяжной
В узле: 2
16
ВК14-3708045
Прокладка крышки включателя
В узле: 1
17
ВК14-3708041
Крышка включателя стартера
В узле: 1
18
МХ-0278
Винт
В узле: 2
19
8Х-1531
Гайка М5
В узле: 2
20
8Х-1580
Винт крепления щетки
В узле: 2
21
8Х-1537
Гайка М8
В узле: 1
21
8Х-1537
Гайка М8
В узле: 1
21
8Х-1537
Гайка М8
В узле: 1
22
МХ-0246
Шайба 8 пружинная
В узле: 1
23
1-МЮ-37
Шайба контактного болта
В узле: 1
24
СТ8-3708091
Шина соединительная
В узле: 1
25
1-МАБ-85
Втулка контактного болта
В узле: 1
26
ВК14-3708060
Плунжер с дисками в сборе
В узле: 1
27
1-МЮ-52
Шайба контактного болта изолирующая
В узле: 4
28
ВК14-3708005
Втулка контактного болта
В узле: 2
29
ВК14-3708046
Прокладка контактного болта
В узле: 2
30
ВК14-3708047
Болт контактный включателя
В узле: 2
31
ВК14-3708053
Скоба клеммы включателя стартера
В узле: 2
32
ВК14-3708030
Фланец с фильцем в сборе
В узле: 1
33
МАФ-10-1358
Прокладка
В узле: 1
34
201460-П8
Болт М8-6gх30
В узле: 1
35
51-3708014
Рычаг валика педали включения стартера в сборе
В узле: 1
36
260411-П
Шпонка сегментная 3х16
В узле: 1
37
51-3708045
Шайба валика педали включения стартера уплотнительная
В узле: 1
38
201454-П8
Болт М8-6gх16
В узле: 2
39
51-3708022-Б
Кронштейн валика педали включения стартера
В узле: 1
40
51-3708016-Б
Валик педали включения стартера
В узле: 1
41
51-3708034-Б
Кольцо валика педали включения стартера упорное
В узле: 1
42
51-3708020-Б1
Пружина педали включения стартера возвратная
В узле: 1
43
260031-П8
Палец соединительного звена рычага включения привода стартера
В узле: 1
44
СТ8-3708080
Штифт
В узле: 1
45
51-3708018-Б
Педаль включения стартера
В узле: 1
46
СТ8-3708020
Рычаг включения привода стартера в сборе
В узле: 1
47
М11-90118
Гайка М5
В узле: 1
48
М11-40991
Винт ограничения хода рычага включения привода стартера
В узле: 1
49
СТ8-3708016
Пружина оси рычага
В узле: 1
50
СТ8-3708015
Седло пружины оси рычага
В узле: 1
51
СТ8-3708014
Ось рычага включения привода стартера
В узле: 1
52
СЛ-8534
Лента защитная
В узле: 1
53
Х-1531
Гайка М6
В узле: 1
54
МХ-0139
Винт М5
В узле: 1
55
1-МЮ-28
Болт контактный
В узле: 1
56
1-МЮ-39
Шайба изоляционная контактного болта
В узле: 1
57
СТ8-3708100
Корпус стартера в сборе
В узле: 1
58
СТ8-3708050
Подшипник промежуточный в сборе
В узле: 1
59
СТ8-3708052
Втулка промежуточного подшипника
В узле: 1
60
СТ06005
Шайба упорная привода стартера
В узле: 1
61
СТ20-3708600
Привод стартера в сборе
В узле: 1
62
1-МЮ-54
Шайба упорная якоря стартера задняя
В узле: 1
63
СТ8-3708400
Крышка со стороны привода в сборе
В узле: 1
64
СЛ-138-88
Втулка крышки со стороны привода
В узле: 1
Содержащиеся в справочниках-каталогах запасные части и детали не предлагаются к продаже, а носят исключительно информационный характер

Ваша заявка была отправлена. В ближайшее время наши специалисты с Вами свяжутся по указанному Вами телефону.

Представьтесь
Поле обязательно для заполнения
Ваш телефон
Введите правильный номер телефона
E-mail
Введите правильный e-mail
Тема
Тема
применяемость финансирование доставка цена, наличие другое сервис и гарантия
Время для звонка
08:00
08:00 09:00 10:00 11:00 12:00 13:00 14:00 15:00 16:00 17:00 18:00 19:00
19:00
08:00 09:00 10:00 11:00 12:00 13:00 14:00 15:00 16:00 17:00 18:00 19:00

Мы постараемся перезвонить в указанное время

Если вы не хотите ждать, то звоните нашим вежливым консультантам:

8 800 100-2-700
Подтвердите, что вы не робот
Подтвердите, что вы не робот
Спасибо!

Ваше сообщение успешно отправлено!

ЗакрытьПовторить попытку