Каталог запасных частей к технике: ГАЗ-51 (63, 63А). Вентиляция и отопление

zoom-in zoom-out enlarge shrink circle-right circle-left file-text2 info cart arraw right arraw left zoom out zoom in arraw maximize arraw minimize
1
2
3
4
5
6
7
8
9
10
11
12
13
14
15
16
17
18
19
20
21
21
21
22
23
24
25
26
27
28
29
30
31
32
33
34
35
36
37
38
293226-П8
Шайба 6 пружинная
В узле: 1
293304-П8
Шайба 10 плоская
В узле: 1
20-1703047
Шайба 10 плоская
В узле: 2
351432-S
Шайба диам 11,5 волнистая
В узле: 1
252152-П2
Шайба 4Л ОСТ 37.001.115-75
В узле: 6
252152-П2
Шайба 4Л ОСТ 37.001.115-75
В узле: 6
252003-П8
Шайба 5
В узле: 4
252004-П8
Шайба 6
В узле: 2
293238-П8
Шайба 6 плоская
В узле: 1
252134-П2
Шайба 6Т ОСТ 37.001.115-75
В узле: 2
30-8102030
Ротор вентилятора в сборе
В узле: 1
293226-П8
Шайба 6 пружинная
В узле: 1
293270-П8
Шайба 8 пружинная зубчатая
В узле: 2
81-5304072
Шайба тяги привода вентиляции передка
В узле: 1
258039-П
Шплинт 3,2х20 ОСТ 37.001.171-93
В узле: 2
258039-П
Шплинт 3,2х20 ОСТ 37.001.171-93
В узле: 2
258038-П
Шплинт 2,7х15
В узле: 2
297575-П8
Шплинт хомутика
В узле: 2
201416-П8
Болт М6-6gх12
В узле: 4
251084-П8
Гайка М5х0,8
В узле: 1
290514-П8
Болт М6х1х22 крепления тяги привода вентиляции передка
В узле: 1
201454-П8
Болт М8-6gх16
В узле: 2
30-5303045
Буфер
В узле: 2
70-3102010
Вентилятор обдува ветрового окна в сборе
В узле: 1
224570-П8
Винт М4х8
В узле: 6
224570-П8
Винт М4х8
В узле: 6
242469-П8
Винт М5х0,8х8
В узле: 1
251082-П8
Гайка М4х0,7
В узле: 6
250763-П8
Гайка М5х0,8
В узле: 4
250764-П8
Гайка М6х1
В узле: 2
251104-П8
Гайка М6х1
В узле: 1
250764-П8
Гайка М6х1
В узле: 2
250510-П8
Гайка М8х1,25
В узле: 2
76-8102014
Корпус вентилятора в сборе
В узле: 1
30-8102020
Крышка корпуса вентилятора в сборе
В узле: 1
81-8101010
Отопитель в сборе
В узле: 1
297580-П8
Пряжка хомута
В узле: 2
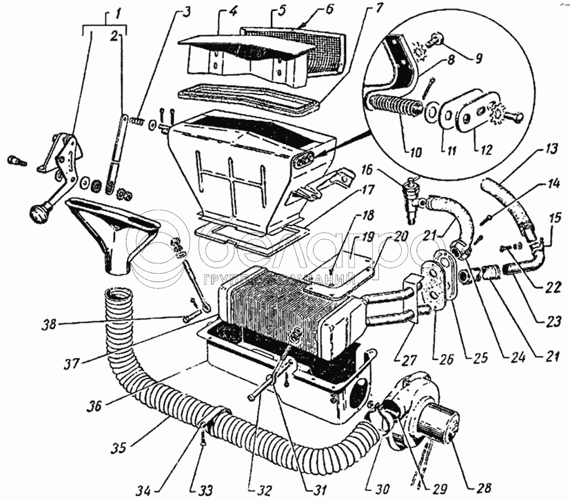
1
81-5304032-Б
Привод вентиляции передка в сборе
В узле: 1
2
81-5304064-Б
Тяга привода вентиляции передка
В узле: 1
3
30-5304070
Пружина тяги привода вентиляции передка
В узле: 1
4
81-5304012-В
Крышка вентиляции передка в сборе
В узле: 1
5
81-5304022-Б
Сетка вентиляции передка в сборе
В узле: 1
6
240817-П8
Винт 4х10
В узле: 2
7
81-5304030-Б
Уплотнитель крышки вентиляции передка
В узле: 1
8
81-5304017
Петля крышки вентиляции передка в сборе
В узле: 1
9
201415-П8
Болт М6-6gх10
В узле: 4
10
51-7534
Пружина петли крышки вентиляции передка натяжная
В узле: 1
11
81-5304082
Прокладка щеки
В узле: 2
12
81-5304080
Щека петли крышки вентиляции передка
В узле: 2
13
30-8101038
Шланг впускной трубы отопителя - длинный
В узле: 1
14
240818-П8
Винт 4х12
В узле: 2
15
297507-П8
Скоба крепления выпускной трубы отопителя
В узле: 1
16
30-8101020
Краник запорный отопителя в сборе
В узле: 1
17
81-8101114
Прокладка кожуха радиатора верхняя
В узле: 1
18
221578-П8
Винт М5х0,8х12 крепления прокладки кожуха радиатора отопителя
В узле: 4
19
81-8101116-А
Прокладка кожуха радиатора средняя
В узле: 1
20
81-8101118-А
Прокладка кожуха радиатора нижняя
В узле: 1
21
30-8101036
Шланг соединительный
В узле: 1
21
30-8101036
Шланг соединительный
В узле: 1
22
201418-П8
Болт М6-6gх16
В узле: 1
23
81-8101032
Труба отопителя выпускная
В узле: 1
24
297584-П8
Лента 10х235
В узле: 2
25
81-8101170
Уплотнитель трубок радиатора отопителя
В узле: 1
26
81-8101174
Обойма уплотнителя трубок радиатора отопителя
В узле: 1
27
30-8101120
Заслонка кожуха радиатора отопителя
В узле: 1
28
76-8102080-Б1
Электродвигатель вентилятора обдува ветрового стекла в сборе
В узле: 1
29
220086-П8
Винт М5х0,8х30
В узле: 1
30
288014-П8
Хомутик диаметром 48 шланга радиатора
В узле: 1
31
81-8101016
Тяга крепления отопителя
В узле: 2
32
295808-П8
Палец 8х145 тяги крепления отопителя
В узле: 1
33
240830-П8
Винт ф5Х12 скобы
В узле: 1
34
32-8101442
Скоба
В узле: 1
35
81-8102060
Шланг трубопровода вентилятора отопителя
В узле: 1
36
81-8101100
Кожух радиатора отопителя
В узле: 1
37
81-8101060
Радиатор отопителя в сборе
В узле: 1
38
260043-П8
Палец тяги крепления отопителя
В узле: 1
Содержащиеся в справочниках-каталогах запасные части и детали не предлагаются к продаже, а носят исключительно информационный характер

Ваша заявка была отправлена. В ближайшее время наши специалисты с Вами свяжутся по указанному Вами телефону.

Представьтесь
Поле обязательно для заполнения
Ваш телефон
Введите правильный номер телефона
E-mail
Введите правильный e-mail
Тема
Тема
применяемость финансирование доставка цена, наличие другое сервис и гарантия
Время для звонка
08:00
08:00 09:00 10:00 11:00 12:00 13:00 14:00 15:00 16:00 17:00 18:00 19:00
19:00
08:00 09:00 10:00 11:00 12:00 13:00 14:00 15:00 16:00 17:00 18:00 19:00

Мы постараемся перезвонить в указанное время

Если вы не хотите ждать, то звоните нашим вежливым консультантам:

8 800 100-2-700
Подтвердите, что вы не робот
Подтвердите, что вы не робот
Спасибо!

Ваше сообщение успешно отправлено!

ЗакрытьПовторить попытку