Каталог запасных частей к технике: ГАЗ-51 (63, 63А). Задние и дополнительные рессоры

zoom-in zoom-out enlarge shrink circle-right circle-left file-text2 info cart arraw right arraw left zoom out zoom in arraw maximize arraw minimize
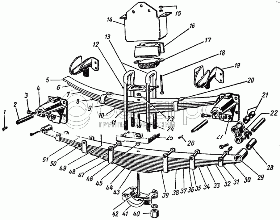
1
2
3
4
5
6
7
8
9
10
11
12
13
14
15
16
17
18
19
20
21
22
23
24
25
26
27
28
29
30
31
32
33
34
35
36
37
38
39
40
41
42
43
44
45
46
47
48
49
50
51
252806-П
Заклепка крепления угольника
В узле: 16
201519-П8
Болт 1М10х1х28
В узле: 4
252141-П2
Шайба 20.ОТ ОСТ 37.001.115-75
В узле: 8
252136-П2
Шайба 10 ОТ ОСТ 37.001.115-75
В узле: 8
63-2912408-Б
Стремянка задней рессоры
В узле: 4
51-2913012-Г
Рессора задняя дополнительная в сборе
В узле: 2
51-2912012-Б
Рессора задняя в сборе
В узле: 2
253693-П
Заклепка крепления хомута листа № 3 задней рессоры
В узле: 4
253692-П
Заклепка крепления поперечины № 1 рамы
В узле: 8
252809-П
Заклепка крепления усилительной пластины
В узле: 16
252807-П
Заклепка крепления поперечины № 5 с косынкой к лонжерону
В узле: 8
252804-П
Заклепка верхнего кронштейна подвески раздаточной коробки
В узле: 6
253692-П
Заклепка крепления поперечины № 1 рамы
В узле: 8
1
264030-П8
Пресс-масленка 2.3.45.Ц6
В узле: 1
2
51-2902478
Палец
В узле: 6
3
290825-П8
Болт М10х1х58
В узле: 8
4
51-2912444-А1
Кронштейн
В узле: 4
5
51-2913101-В
Лист № 1 задней дополнительной рессоры
В узле: 2
6
51-2913102-В
Лист № 2 задней дополнительной рессоры
В узле: 2
7
51-2913103-В
Лист № 3 задней дополнительной рессоры
В узле: 2
8
51-2913051-В
Лист № 4 задней дополнительной рессоры, с хомутами в сборе
В узле: 2
9
51-2913105-В
Лист № 5 задней дополнительной рессоры
В узле: 2
10
51-2913106-Б
Лист № 6 задней дополнительной рессоры
В узле: 2
11
51-2913107
Лист № 7 дополнительной рессоры
В узле: 2
12
51-2912412
Накладка задней рессоры
В узле: 2
13
51-2912408-Б
Стремянка задней рессоры
В узле: 4
14
63-2912610-Б
Кронштейн буфера
В узле: 2
15
250513-П8
Гайка М10х1-6Н
В узле: 4
16
51-2912630
Подкладка буфера задней рессоры
В узле: 2
17
51-2912622
Буфер задней рессоры в сборе
В узле: 2
18
201532-П8
Болт М10Х1Х70 крепления буфера
В узле: 4
19
51-2913440
Кронштейн задней дополнительной рессоры в сборе
В узле: 4
20
51-2913061-Б1
Хомут четвертого листа задней дополнительной рессоры
В узле: 4
21
51-2902504-А
Втулка вертикального ролика троса лебедки
В узле: 4
22
51-2912462-А
Серьга с втулками в сборе
В узле: 2
23
250513-П2
Гайка М10х1
В узле: 2
24
209464-П2
Болт 1М10х1х58 задней дополнительной рессоры центровой
В узле: 2
25
51-2913420-А
Прокладка задней дополнительной рессоры
В узле: 2
26
264020-П8
Пресс-масленка К 1/8"
В узле: 5
27
250513-П8
Гайка М10х1-6Н
В узле: 8
28
51-2902028
Втулка ушка передней рессоры
В узле: 4
29
51-2912015-Б
Лист № 1 задней рессоры со втулками в сборе
В узле: 2
30
51-2912102-Б
Лист № 2 задней рессоры
В узле: 2
31
51-2912061-А
Хомут листа № 3 задней рессоры
В узле: 4
32
51-2912051-Б1
Лист № 3 задней рессоры с хомутами в сборе
В узле: 2
33
51-2912104-Б
Лист № 4 задней рессоры
В узле: 2
34
51-2912105-Б
Лист № 5 задней рессоры
В узле: 2
35
51-2912062-А
Хомут восьмого листа передней рессоры
В узле: 4
36
51-2912052-Б1
Лист № 6 задней рессоры с хомутами в сборе
В узле: 2
37
51-2912107-Б
Лист № 7 задней рессоры
В узле: 2
38
51-2912108-Б
Лист № 8 задней рессоры
В узле: 2
39
51-2912053-Б1
Лист № 10 задней рессоры с хомутами в сборе
В узле: 2
40
292931-П8
Гайка М20х1,5-4Н5Н
В узле: 8
41
51-2912418-А
Подкладка передней рессоры
В узле: 2
42
51-209482-П2
Болт 1М10Х1Х118 задней рессоры центровой
В узле: 2
43
51-2912113-Б
Лист № 13 задней рессоры
В узле: 2
44
51-2912112-Б
Лист № 12 задней рессоры
В узле: 2
45
51-2912111-Б
Лист № 11 задней рессоры
В узле: 2
46
250513-П2
Гайка М10х1
В узле: 2
47
51-2912109-Б
Лист № 9 задней рессоры
В узле: 2
48
51-2912063-А
Хомут листа № 10 задней рессоры
В узле: 4
49
290838-П2
Болт М10х1,5х90 хомута передней рессоры стяжной
В узле: 12
50
250810-П2
Гайка М10Х15
В узле: 12
51
51-2902068
Втулка распорная хомута рессоры
В узле: 12
Содержащиеся в справочниках-каталогах запасные части и детали не предлагаются к продаже, а носят исключительно информационный характер

Ваша заявка была отправлена. В ближайшее время наши специалисты с Вами свяжутся по указанному Вами телефону.

Представьтесь
Поле обязательно для заполнения
Ваш телефон
Введите правильный номер телефона
E-mail
Введите правильный e-mail
Тема
Тема
применяемость финансирование доставка цена, наличие другое сервис и гарантия
Время для звонка
08:00
08:00 09:00 10:00 11:00 12:00 13:00 14:00 15:00 16:00 17:00 18:00 19:00
19:00
08:00 09:00 10:00 11:00 12:00 13:00 14:00 15:00 16:00 17:00 18:00 19:00

Мы постараемся перезвонить в указанное время

Если вы не хотите ждать, то звоните нашим вежливым консультантам:

8 800 100-2-700
Подтвердите, что вы не робот
Подтвердите, что вы не робот
Спасибо!

Ваше сообщение успешно отправлено!

ЗакрытьПовторить попытку