Каталог запасных частей к технике: ГАЗ-51 (63, 93). Кабина, передок, окно задка

zoom-in zoom-out enlarge shrink circle-right circle-left file-text2 info cart arraw right arraw left zoom out zoom in arraw maximize arraw minimize
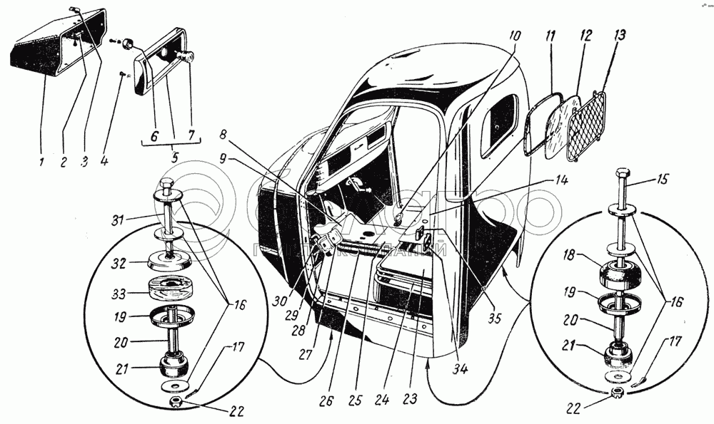
1
2
3
4
5
6
7
8
8
9
10
11
12
12
13
14
15
16
16
17
17
18
19
19
20
20
21
21
22
22
23
24
25
26
26
26
27
28
29
30
31
32
33
34
35
201418-П8
Болт М6-6gх16
В узле: 4
81-5107030
Прокладка крышки трансмиссии противоскрипная
В узле: 1
81В-5107024
Крышка трансмиссии задняя в сборе
В узле: 1
201417-П8
Болт М6х1х14
В узле: 11
81-5107030
Прокладка крышки трансмиссии противоскрипная
В узле: 1
81А-5107022-Б
Крышка трансмиссии передняя
В узле: 1
81А-5107024-Б
Крышка трансмиссии задняя в сборе
В узле: 1
201417-П8
Болт М6х1х14
В узле: 11
81-5107030
Прокладка крышки трансмиссии противоскрипная
В узле: 1
81Д-5109014
Коврик пола в сборе
В узле: 1
81Д-5109014-А
Коврик пола
В узле: 1
81А-5109014
Коврик пола
В узле: 1
81Д-5109010
Коврик пола в сборе
В узле: 1
81Г-5000010
Кабина окрашенная и обитая в сборе
В узле: 1
240818-П8
Винт 4х12
В узле: 7
292647-П2
Гайка 4
В узле: 7
293226-П8
Шайба 6 пружинная
В узле: 2
М-701622
Буфер
В узле: 2
220027-П8
Винт М3,5х8
В узле: 1
252151-П2
Шайба 3,5 пружинная
В узле: 1
240820-П8
Винт 4х18
В узле: 2
201416-П8
Болт М6-6gх12
В узле: 4
252154-П2
Шайба 6Л ОСТ 37.001.115-75
В узле: 4
221605-П8
Винт М6х16
В узле: 4
81-6105120
Выключатель замка двери в сборе
В узле: 1
81Б-5000010-Б
Кабина окрашенная и обитая в сборе
В узле: 1
240818-П8
Винт 4х12
В узле: 9
201415-П8
Болт М6-6gх10
В узле: 1
201417-П8
Болт М6х1х14
В узле: 11
81П-5000010
Кабина окрашенная и обитая в сборе
В узле: 1
201415-П8
Болт М6-6gх10
В узле: 3
81В-5000010
Кабина окрашенная и обитая в сборе
В узле: 1
81А-5000010
Кабина окрашенная и обитая в сборе
В узле: 1
1
81-5303012
Ящик вещевой в сборе
В узле: 1
2
81-5303074-А
Упор замка вещевого ящика
В узле: 1
3
292647-П2
Гайка 4
В узле: 2
4
201415-П8
Болт М6-6gх10
В узле: 2
5
81-5303016
Дверца вещевого ящика в сборе
В узле: 1
6
11-405726
Колпачок замка вещевого ящика
В узле: 1
7
81-5303052-А
Замок вещевого ящика в сборе
В узле: 1
8
81Б-5107022
Крышка трансмиссии передняя
В узле: 1
8
81Б-5107022
Крышка трансмиссии передняя
В узле: 1
9
81-8402054-Б
Прокладка верха капота задняя
В узле: 1
10
81Д-5101102
Заглушка смотрового отверстия пола
В узле: 1
11
81-5603018
Уплотнитель стекла окна задка
В узле: 1
12
81-5603016
Стекло задка окна (триплекс)
В узле: 1
12
81-5603016-А
Стекло перегородки
В узле: 1
13
81-5603022
Решетка окна задка защитная в сборе
В узле: 1
14
81-5101090-Б
Лист перегородок пола предохранительный в сборе
В узле: 1
15
290966-П8
Болт 1М12Х1,25х238 заднего крепления кабины к раме
В узле: 2
16
293350
Шайба 12
В узле: 12
17
258040-П
Шплинт 2,7х25
В узле: 4
18
64-6025-В
Подушка крепления кабины верхняя задняя в сборе
В узле: 3
19
51-6041-Б
Гнездо верхней подушки опоры двигателя
В узле: 4
20
51-6035
Втулка распорная подушек опоры двигателя
В узле: 4
21
64-6039
Подушка бокового и заднего крепления кабины к раме нижняя в сборе
В узле: 4
22
250966-П8
Гайка 1М12 прорезная
В узле: 4
23
81-5101094-В
Крышка люка в полу для аккумуляторной батареи
В узле: 1
24
81-5101096-Б
Прокладка крышки люка в полу для аккумуляторной батареи
В узле: 1
25
81Б-5107024
Крышка трансмиссии задняя
В узле: 1
26
81-5107028
Прокладка крышки трансмиссии
В узле: 1
26
81-5107028
Прокладка крышки трансмиссии
В узле: 1
26
81-5107028
Прокладка крышки трансмиссии
В узле: 1
27
81-5301092-Б
Пластина педалей защитная правая в сборе
В узле: 1
28
81-5301093-Б
Пластина педалей защитная левая в сборе
В узле: 1
29
81-5301096-Б
Прокладка защитной пластины педалей
В узле: 1
30
81-5301098-Б
Прокладка защитной пластины у педалей средняя
В узле: 1
31
290924-П8
Болт 1М12х1,25х92 бокового, крепления кабины к раме
В узле: 2
32
81Д-5001016
Чашка верхней подушки левого бокового крепления кабины к раме верхняя
В узле: 1
33
81-5001014
Подушка левого бокового крепления кузова к раме верхняя
В узле: 1
34
М-702340
Защелка замка двери
В узле: 2
35
М-46412
Гнездо направляющего шипа двери в сборе
В узле: 2
Содержащиеся в справочниках-каталогах запасные части и детали не предлагаются к продаже, а носят исключительно информационный характер

Ваша заявка была отправлена. В ближайшее время наши специалисты с Вами свяжутся по указанному Вами телефону.

Представьтесь
Поле обязательно для заполнения
Ваш телефон
Введите правильный номер телефона
E-mail
Введите правильный e-mail
Тема
Тема
применяемость финансирование доставка цена, наличие другое сервис и гарантия
Время для звонка
08:00
08:00 09:00 10:00 11:00 12:00 13:00 14:00 15:00 16:00 17:00 18:00 19:00
19:00
08:00 09:00 10:00 11:00 12:00 13:00 14:00 15:00 16:00 17:00 18:00 19:00

Мы постараемся перезвонить в указанное время

Если вы не хотите ждать, то звоните нашим вежливым консультантам:

8 800 100-2-700
Подтвердите, что вы не робот
Подтвердите, что вы не робот
Спасибо!

Ваше сообщение успешно отправлено!

ЗакрытьПовторить попытку