Каталог запасных частей к технике: ГАЗ-51 (63, 93). Коробка передач

zoom-in zoom-out enlarge shrink circle-right circle-left file-text2 info cart arraw right arraw left zoom out zoom in arraw maximize arraw minimize
63-1700010-Б
63А-1700010
1
1
2
2
3
3
4
4
5
5
6
6
7
7
8
8
9
9
10
10
11
11
12
12
13
13
14
14
15
15
16
16
17
17
18
19
19
20
20
21
21
22
22
23
23
24
24
25
25
26
26
27
27
28
28
29
29
30
31
32
33
34
34
35
35
36
36
37
38
39
40
41
41
42
43
43
44
44
45
45
46
46
47
47
48
48
49
49
50
50
51
52
53
54
55
56
51-1700009
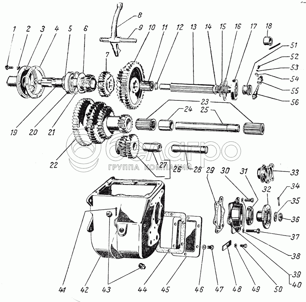
Коробка передач с центральным тормозом в сборе
В узле: 1
51-1700010-Б
Коробка передач в сборе
В узле: 1
51П-1700009
Коробка передач с центральным тормозом в сборе
В узле: 1
63-1700010-Б
Коробка передач в сборе
В узле: 1
63А-1700010
Коробка передач в сборе
В узле: 1
51П-3802033
Шестерня привода спидометра ведущая
В узле: 1
51П-3802034
Шестерня привода спидометра ведомая
В узле: 1
63-1701015
Картер коробки передач
В узле: 1
63А-1701015-Б
Картер коробки передач
В узле: 1
51-1701210-А
Манжета в сборе
В узле: 1
201283-П8
Болт М10-4hх28
В узле: 3
252136-П2
Шайба 10 ОТ ОСТ 37.001.115-75
В узле: 3
1
201458-П8
Болт М8х1,25х25
В узле: 4
1
201458-П8
Болт М8х1,25х25
В узле: 4
2
252155-П2
Шайба 8Л ОСТ 37.001.115-75
В узле: 4
2
252155-П2
Шайба 8Л ОСТ 37.001.115-75
В узле: 4
3
51-7050-Б
Крышка подшипника
В узле: 1
3
51-7050-Б
Крышка подшипника
В узле: 1
4
51-7051
Прокладка крышки подшипника
В узле: 1
4
51-7051
Прокладка крышки подшипника
В узле: 1
5
АА-7045
Кольцо упорное подшипника ведущего вала
В узле: 1
5
АА-7045
Кольцо упорное подшипника ведущего вала
В узле: 1
6
АА-7043
Маслоотражатель подшипника ведущего вала
В узле: 1
6
АА-7043
Маслоотражатель подшипника ведущего вала
В узле: 1
7
51-1701114
Шестерня третьей и четвертой передач
В узле: 1
7
51-1701114
Шестерня третьей и четвертой передач
В узле: 1
8
АА-7243
Вилка переключения заднего хода
В узле: 1
8
АА-7243
Вилка переключения заднего хода
В узле: 1
9
АА-7244
Ось вилки
В узле: 1
9
АА-7244
Ось вилки
В узле: 1
10
51-1701112
Блок шестерен первой и второй передач
В узле: 1
10
51-1701112
Блок шестерен первой и второй передач
В узле: 1
11
АА-7120-А2
Подшипник переднего конца вторичного вала коробки передач роликовый
В узле: 1
11
АА-7120-А2
Подшипник переднего конца вторичного вала коробки передач роликовый
В узле: 1
12
АА-7063
Кольцо установочное роликового подшипника
В узле: 1
12
АА-7063
Кольцо установочное роликового подшипника
В узле: 1
13
51-7061-Б
Вторичный вал
В узле: 1
13
51-7061-Б
Вторичный вал
В узле: 1
14
АА-7062
Кольцо упорное
В узле: 1
14
АА-7062
Кольцо упорное
В узле: 1
15
АА-7080
Маслоотражатель подшипника
В узле: 1
15
АА-7080
Маслоотражатель подшипника
В узле: 1
16
АА-7070
Кольцо стопорное шайбы приставной
В узле: 1
16
АА-7070
Кольцо стопорное шайбы приставной
В узле: 1
17
АА-7065
Подшипник вторичного вала 307
В узле: 1
17
АА-7065
Подшипник вторичного вала 307
В узле: 1
18
63-1701076-Б
Кольцо подшипника вторичного вала коробки передач распорное
В узле: 1
19
51-7017
Вал ведущий
В узле: 1
19
51-7017
Вал ведущий
В узле: 1
20
АА-7025
Подшипник ведущего вала 209К5
В узле: 1
20
АА-7025
Подшипник ведущего вала 209К5
В узле: 1
21
АА-7030
Кольцо стопорное
В узле: 1
21
АА-7030
Кольцо стопорное
В узле: 1
22
51-1701050
Блок шестерен промежуточного вала
В узле: 1
22
51-1701050
Блок шестерен промежуточного вала
В узле: 1
23
АА-7118-А2
Подшипник промежуточного вала коробки передач роликовый
В узле: 2
23
АА-7118-А2
Подшипник промежуточного вала коробки передач роликовый
В узле: 2
24
АА-7115-А2
Втулка распорная
В узле: 1
24
АА-7115-А2
Втулка распорная
В узле: 1
25
51-7111-А
Ось блока шестерен промежуточного вала
В узле: 1
25
51-7111-А
Ось блока шестерен промежуточного вала
В узле: 1
26
51-1701080
Блок шестерен заднего хода в сборе
В узле: 1
26
51-1701080
Блок шестерен заднего хода в сборе
В узле: 1
27
51-1701084
Втулка блока шестерен заднего хода коробки передач
В узле: 1
27
51-1701084
Втулка блока шестерен заднего хода коробки передач
В узле: 1
28
АА-7140-А
Ось блока
В узле: 1
28
АА-7140-А
Ось блока
В узле: 1
29
63-1701203-Б
Прокладка задней крышки
В узле: 1
29
63-1701203-Б
Прокладка задней крышки
В узле: 1
30
201283-П8
Болт М10-4hх28
В узле: 4
31
51-1701210-А
Манжета в сборе
В узле: 1
32
51-1701240-Д
Фланец вторичного вала коробки передач
В узле: 1
33
63-1802043-Б
Муфта фланца вторичного вала коробки передач в сборе
В узле: 1
34
258055-П
Шплинт 3,6х36
В узле: 1
34
258055-П
Шплинт 3,6х36
В узле: 1
35
51-2402064
Шайба специальная
В узле: 1
35
51-2402064
Шайба специальная
В узле: 1
36
292940-П8
Гайка 1М22х1,5 крепления фланца вторичного вала коробки передач
В узле: 1
36
292940-П8
Гайка 1М22х1,5 крепления фланца вторичного вала коробки передач
В узле: 1
37
201510-П8
Болт М10-6gх65
В узле: 1
38
252136-П2
Шайба 10 ОТ ОСТ 37.001.115-75
В узле: 5
39
511-701205-Б
Крышка коробки передач задняя
В узле: 1
40
63-1701205-В
Крышка коробки передач задняя
В узле: 1
41
258041-П
Шплинт 3х30
В узле: 1
41
258041-П
Шплинт 3х30
В узле: 1
42
51-1701015-В
Картер коробки передач
В узле: 1
43
262513-П
Пробка КГ 3/4"
В узле: 2
43
262513-П
Пробка КГ 3/4"
В узле: 2
44
АА-7166-А
Прокладка крышки люка
В узле: 1
44
АА-7166-А
Прокладка крышки люка
В узле: 1
45
АА-7165
Крышка люка
В узле: 1
45
АА-7165
Крышка люка
В узле: 1
46
252136-П2
Шайба 10 ОТ ОСТ 37.001.115-75
В узле: 6
46
252136-П2
Шайба 10 ОТ ОСТ 37.001.115-75
В узле: 6
47
201495-П8
Болт М10-6gх20
В узле: 6
47
201495-П8
Болт М10-6gх20
В узле: 6
48
АА-7155
Стопор осей шестерен промежуточного вала и заднего хода
В узле: 1
48
АА-7155
Стопор осей шестерен промежуточного вала и заднего хода
В узле: 1
49
252136-П2
Шайба 10 ОТ ОСТ 37.001.115-75
В узле: 1
49
252136-П2
Шайба 10 ОТ ОСТ 37.001.115-75
В узле: 1
50
201495-П8
Болт М10-6gх20
В узле: 1
50
201495-П8
Болт М10-6gх20
В узле: 1
51
51-3802033
Шестерня привода спидометра ведущая
В узле: 1
52
290490-П8
Болт М6-6gх12
В узле: 1
53
252154-П2
Шайба 6Л ОСТ 37.001.115-75
В узле: 1
54
51-3802031
Стопор
В узле: 1
55
51-3802030
Штуцер гибкого вала
В узле: 1
56
51-3802034-Б
Шестерня привода спидометра ведомая
В узле: 1
Содержащиеся в справочниках-каталогах запасные части и детали не предлагаются к продаже, а носят исключительно информационный характер

Ваша заявка была отправлена. В ближайшее время наши специалисты с Вами свяжутся по указанному Вами телефону.

Представьтесь
Поле обязательно для заполнения
Ваш телефон
Введите правильный номер телефона
E-mail
Введите правильный e-mail
Тема
Тема
применяемость финансирование доставка цена, наличие другое сервис и гарантия
Время для звонка
08:00
08:00 09:00 10:00 11:00 12:00 13:00 14:00 15:00 16:00 17:00 18:00 19:00
19:00
08:00 09:00 10:00 11:00 12:00 13:00 14:00 15:00 16:00 17:00 18:00 19:00

Мы постараемся перезвонить в указанное время

Если вы не хотите ждать, то звоните нашим вежливым консультантам:

8 800 100-2-700
Подтвердите, что вы не робот
Подтвердите, что вы не робот
Спасибо!

Ваше сообщение успешно отправлено!

ЗакрытьПовторить попытку