Каталог запасных частей к технике: ГАЗ-51 (63, 93). Реле-регулятор

zoom-in zoom-out enlarge shrink circle-right circle-left file-text2 info cart arraw right arraw left zoom out zoom in arraw maximize arraw minimize
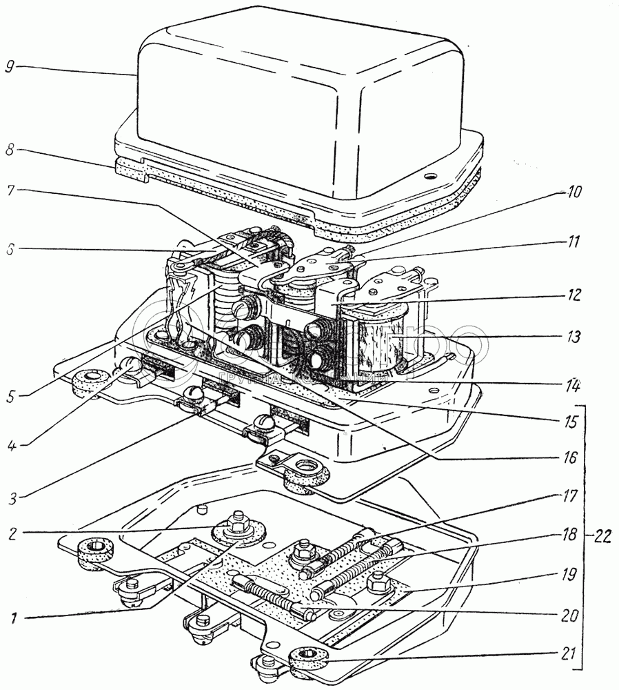
РР24-Г
1
2
3
4
5
6
7
8
9
10
11
12
13
14
15
16
17
18
19
20
21
22
252154-П8
Шайба 6 пружинная
В узле: 2
РР24-3702418
Пружина
В узле: 3
Х-4452
Шайба изоляционная
В узле: 8
МХ-0284
Шайба изоляционная
В узле: 4
8Х-1541
Винт
В узле: 4
МХ-0741
Шайба пружинная
В узле: 1
Х-4001
Шайба 5Т пружинная
В узле: 2
7Х-1497
Шайба
В узле: 2
Х-4001
Шайба 5Т пружинная
В узле: 3
РР24-Г
Реле-регулятор в сборе
В узле: 1
252174-П8
Шайба 6 пружинная
В узле: 1
252004-П8
Шайба 6
В узле: 1
201422-П8
Болт М6-6gх25
В узле: 3
1
МХ-0547
Шайба
В узле: 1
2
Х-4003
Гайка М5-6Н
В узле: 3
3
ВК14-3708053
Скоба клеммы включателя стартера
В узле: 3
4
7Х-1598
Винт М5-8hх12
В узле: 3
5
РР24-3702200
Реле обратного тока в сборе
В узле: 1
6
РР24-3702205
Якорь реле обратного тока в сборе
В узле: 1
7
РР24-3702320
Держатель контакта ограничителя тока в сборе
В узле: 1
8
РР24-3702008
Прокладка уплотнительная
В узле: 1
9
РР24-3702003
Крышка
В узле: 1
10
РР24-3702300
Ограничитель тока в сборе
В узле: 1
11
РР24-3702420
Якорь регулятора напряжения в сборе
В узле: 2
12
РР24-3702440
Держатель с контактом в сборе
В узле: 1
13
РР24-3702400
Регулятор напряжения в сборе
В узле: 1
14
РР20-3702419
Прокладка изоляционная
В узле: 2
15
РР24-3702105
Пластина изоляционная верхняя
В узле: 1
16
РР24-3702217
Держатель с контактом в сборе
В узле: 1
17
РР24-3702547
Сопротивление 13 Ом в сборе
В узле: 1
18
РР24-3702542
Сопротивление 80 Ом в сборе
В узле: 1
19
РР24-3702119
Пластина изоляционная нижняя
В узле: 1
20
РР24-3702541
Сопротивление 30 Ом в сборе
В узле: 1
21
РР20-3702020
Амортизатор в сборе
В узле: 3
22
РР243702100
Основание в сборе
В узле: 1
Содержащиеся в справочниках-каталогах запасные части и детали не предлагаются к продаже, а носят исключительно информационный характер

Ваша заявка была отправлена. В ближайшее время наши специалисты с Вами свяжутся по указанному Вами телефону.

Представьтесь
Поле обязательно для заполнения
Ваш телефон
Введите правильный номер телефона
E-mail
Введите правильный e-mail
Тема
Тема
применяемость финансирование доставка цена, наличие другое сервис и гарантия
Время для звонка
08:00
08:00 09:00 10:00 11:00 12:00 13:00 14:00 15:00 16:00 17:00 18:00 19:00
19:00
08:00 09:00 10:00 11:00 12:00 13:00 14:00 15:00 16:00 17:00 18:00 19:00

Мы постараемся перезвонить в указанное время

Если вы не хотите ждать, то звоните нашим вежливым консультантам:

8 800 100-2-700
Подтвердите, что вы не робот
Подтвердите, что вы не робот
Спасибо!

Ваше сообщение успешно отправлено!

ЗакрытьПовторить попытку