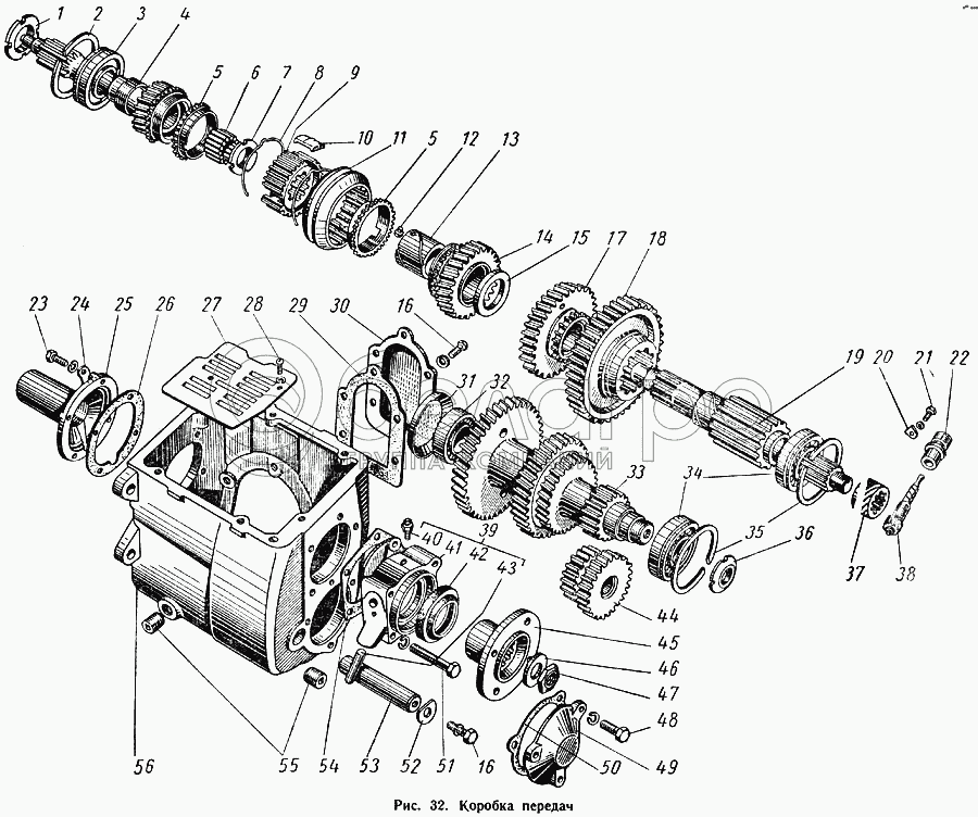
Каталог запасных частей к технике: ГАЗ-52-01. Коробка передач

zoom-in zoom-out enlarge shrink circle-right circle-left file-text2 info cart arraw right arraw left zoom out zoom in arraw maximize arraw minimize
1
5
5
6
7
8
9
10
11
12
13
14
15
16
16
17
18
19
20
21
22
23
24
25
26
27
28
29
30
31
32
33
34
34
35
35
36
37
38
39
40
41
42
43
44
45
46
47
48
49
50
51
52
53
54
55
56
52-1701100-Б
Вал вторичный коробки передач в сборе
В узле: 1
201283-П8
Болт М10-4hх28
В узле: 3
216298-П2
Шпилька М14х1,5-4hх32
В узле: 4
252155-П2
Шайба 8Л ОСТ 37.001.115-75
В узле: 4
252154-П2
Шайба 6Л ОСТ 37.001.115-75
В узле: 1
252153-П2
Шайба 5Л ОСТ 37.001.115-75
В узле: 1
252178-П8
Шайба 14 пружинная
В узле: 4
252156-П2
Шайба 10Л ОСТ 37.001.115-75
В узле: 3
252156-П2
Шайба 10Л ОСТ 37.001.115-75
В узле: 1
252136-П2
Шайба 10 ОТ ОСТ 37.001.115-75
В узле: 5
52-1701116-Б
Муфта скользящая переключения третьей и четвертой передач коробки передач со ступицей (комплект)
В узле: 1
52-1700010
Коробка передач в сборе
В узле: 1
52-1701128
Комплект шестерни третьей передачи с блокирующим кольцом синхронизатора
В узле: 1
52-1701022
Комплект первичного вала с блокирующим кольцом синхронизатора
В узле: 1
250551-П8
Гайка М14х1,5
В узле: 4
52-1701025
Вал первичный в сборе
В узле: 1
252136-П2
Шайба 10 ОТ ОСТ 37.001.115-75
В узле: 6
1
52-1701034
Гайка подшипника первичного вала
В узле: 1
2
52-1701033
Кольцо упорное
В узле: 1
3
52-1701032
Подшипник первичного вала коробки передач
В узле: 1
4
52-1701030
Вал коробки передач первичный
В узле: 1
5
52-1701164
Кольцо блокирующее третьей и четвертой передач синхронизатора коробки передач
В узле: 2
6
52-1701182
Ролик переднего подшипника вторичного вала коробки передач
В узле: 14
7
52-1701095
Гайка вторичного вала коробки передач стопорная
В узле: 1
8
52-1701170
Пружина синхронизатора коробки передач
В узле: 2
9
52-1701119
Ступица скользящей муфты синхронизатора третьей и четвертой передач коробки передач
В узле: 1
10
21А-1701171
Сухарь синхронизатора коробки передач
В узле: 3
11
52-1701118-Б
Муфта скользящая переключения третьей и четвертой передач коробки передач
В узле: 1
12
52-1701120
Стопор втулки шестерни третьей передачи
В узле: 1
13
52-1701115
Втулка распорная шестерни третьей передачи
В узле: 1
14
52-1701113
Шестерня третьей передачи вторичного вала коробки передач в сборе
В узле: 1
15
52-1701104
Шайба шестерни второй передачи вторичного вала упорная
В узле: 1
16
201495-П
Болт М10х20 крепления крышки люка отбора мощности коробки передач
В узле: 6
16
201495-П8
Болт М10-6gх20
В узле: 1
17
52-1701111
Шестерня второй передачи вторичного вала в сборе
В узле: 1
18
52-1701110-Б
Шестерня первой передачи и заднего хода коробки передач скользящая
В узле: 1
19
52-1701105
Вал вторичный
В узле: 1
20
51-3802031
Стопор
В узле: 1
21
290490-П8
Болт М6-6gх12
В узле: 1
22
51-3802030
Штуцер гибкого вала
В узле: 1
23
201457-П8
Болт М8-6gх22
В узле: 4
24
51-1601190-А
Скоба оттяжной пружины муфты подшипника выключения сцепления
В узле: 1
25
52-1701040
Крышка подшипника первичного вала коробки передач
В узле: 1
26
52-1701042
Прокладка крышки подшипника первичного вала коробки передач
В узле: 1
27
52-1701016
Грязеуловитель коробки передач
В узле: 1
28
220075-П
Винт М5х7 крепления грязеуловителя
В узле: 1
29
52-1701021
Прокладка крышки люка отбора мощности коробки передач
В узле: 1
30
52-1701020
Крышка люка отбора мощности коробки передач
В узле: 1
31
52-1701068-А
Заглушка переднего подшипника блока шестерен промежуточного вала
В узле: 1
32
52-1701064
Подшипник блока шестерен промежуточного вала коробки передач передний в сборе
В узле: 1
33
52-1701050
Блок шестерен промежуточного вала коробки передач
В узле: 1
34
52-1701073
Подшипник блока шестерен промежуточного вала коробки передач задний
В узле: 1
34
52-1701073
Подшипник блока шестерен промежуточного вала коробки передач задний
В узле: 1
35
20-1701034
Кольцо стопорное подшипника
В узле: 1
35
20-1701034
Кольцо стопорное подшипника
В узле: 1
36
52-1701079
Гайка стопорная
В узле: 1
37
52-3802033
Шестерня привода спидометра ведущая
В узле: 1
38
52-3802034
Шестерня привода к спидометру ведомая
В узле: 1
39
52-1701200
Крышка заднего подшипника вторичного вала коробки передач в сборе
В узле: 1
40
298429-П
Сапун в сборе К1/8"
В узле: 1
41
52-1701205
Крышка заднего подшипника вторичного вала коробки передач
В узле: 1
42
51-1701210-А
Манжета в сборе
В узле: 1
43
51-3508055
Палец рычага привода центрального тормоза
В узле: 1
44
52-1701080
Блок шестерен заднего хода коробки передач в сборе
В узле: 1
45
51-1701240-Д
Фланец вторичного вала коробки передач
В узле: 1
46
51-2402064
Шайба специальная
В узле: 1
47
52-1701247
Гайка М22х1,5
В узле: 1
48
201497-П
Болт М10х25 крышки заднего подшипника промежуточного вала коробки передач
В узле: 3
49
52-1701070
Крышка заднего подшипника блока шестерен промежуточного вала коробки передач
В узле: 1
50
52-1701075
Прокладка крышки заднего подшипника промежуточного вала коробки передач
В узле: 1
51
201510-П8
Болт М10-6gх65
В узле: 2
52
52-1701092
Пластина оси блока шестерен заднего хода коробки передач упорная
В узле: 1
53
52-1701090
Ось блока шестерен заднего хода коробки передач
В узле: 1
54
52-1701203
Прокладка крышки заднего подшипника вторичного вала коробки передач
В узле: 1
55
А-24457
Пробка КГ1/2"
В узле: 2
56
52-1701015
Картер коробки передач
В узле: 1
Содержащиеся в справочниках-каталогах запасные части и детали не предлагаются к продаже, а носят исключительно информационный характер

Ваша заявка была отправлена. В ближайшее время наши специалисты с Вами свяжутся по указанному Вами телефону.

Представьтесь
Поле обязательно для заполнения
Ваш телефон
Введите правильный номер телефона
E-mail
Введите правильный e-mail
Тема
Тема
применяемость финансирование доставка цена, наличие другое сервис и гарантия
Время для звонка
08:00
08:00 09:00 10:00 11:00 12:00 13:00 14:00 15:00 16:00 17:00 18:00 19:00
19:00
08:00 09:00 10:00 11:00 12:00 13:00 14:00 15:00 16:00 17:00 18:00 19:00

Мы постараемся перезвонить в указанное время

Если вы не хотите ждать, то звоните нашим вежливым консультантам:

8 800 100-2-700
Подтвердите, что вы не робот
Подтвердите, что вы не робот
Спасибо!

Ваше сообщение успешно отправлено!

ЗакрытьПовторить попытку