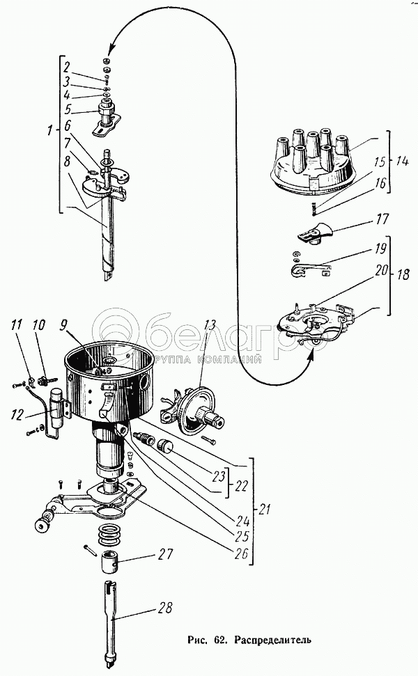
Каталог запасных частей к технике: ГАЗ-52-01. Распределитель

zoom-in zoom-out enlarge shrink circle-right circle-left file-text2 info cart arraw right arraw left zoom out zoom in arraw maximize arraw minimize
1
2
3
4
5
6
7
8
9
10
11
12
13
14
15
16
17
18
19
20
21
22
23
24
25
26
27
28
252004-П8
Шайба 6
В узле: 1
Н-1314
Винт М5х12
В узле: 2
298492-П
Штуцер угловой трубки вакуумного регулятора распределителя
В узле: 1
280020-П8
Штуцер трубки вакуумного регулятора распределителя прямой (к карбюратору)
В узле: 1
Н-1395
Шайба рычага прерывателя замковая
В узле: 1
252154-П2
Шайба 6Л ОСТ 37.001.115-75
В узле: 1
Н-1387
Шайба 5,4 пружинная
В узле: 2
Н-1386
Шайба 4 пружинная
В узле: 2
Н-1350
Шайба 4
В узле: 2
Н-1360
Шайба 5,3 плоская
В узле: 2
53Ф-3706315
Трубка вакуумного регулятора распределителя
В узле: 1
11-12211-М
Скоба крепления трубки вакуумного регулятора распределителя к двигателю
В узле: 1
51-3706010-Б
Распределитель в сборе (Р20)
В узле: 1
Р20-3706611
Пружина вакуумного регулятора
В узле: 1
Р20-3706360
Провод соединительный в сборе
В узле: 1
НМВ-10-3854
Пробка вакуумного регулятора
В узле: 1
222525-П8
Винт М6х16
В узле: 1
Н-1313
Винт М5х10
В узле: 2
Н-1318
Винт М4х6
В узле: 1
1
Р20-3706200
Валик распределителя с центробежным автоматом в сборе
В узле: 1
2
Н-1309
Винт М4х10
В узле: 1
3
Н-1382
Шайба пружинная диаметром 4,5 мм
В узле: 1
4
Н-1351
Шайба плоская
В узле: 1
5
Р20-3706230
Кулачок прерывателя в сборе
В узле: 1
6
Р20-3706240
Груз центробежного автомата в сборе
В узле: 2
7
СТ-7302
Пружина груза толстая
В узле: 1
8
СТ-7303
Пружина груза тонкая
В узле: 1
9
Р10-7064
Втулка клеммы изоляционная
В узле: 1
10
Р10-7061
Клемма вывода низкого напряжения
В узле: 1
11
Р10-7063
Скоба клеммы
В узле: 1
12
Р20-3706400
Конденсатор в сборе
В узле: 1
13
Р20-3706600-А
Регулятор вакуумный с кронштейном в сборе
В узле: 1
14
Р20-3706500
Крышка распределителя в сборе
В узле: 1
15
1ИГ-515
Пружина контактного уголька
В узле: 1
16
1ИГ-514
Уголек контактный
В узле: 1
17
Р20-3706020
Бегунок распределителя в сборе
В узле: 1
18
Р20-3706300
Прерыватель в сборе
В узле: 1
19
Р-7969
Рычаг прерывателя в сборе (молоточек)
В узле: 1
20
Р10-7144
Стойка прерывателя контактная в сборе (наковальня)
В узле: 1
21
Р20-3706100
Корпус крепления крышки распределителя
В узле: 1
22
Р34-3706110
Масленка распределителя в сборе
В узле: 1
23
Р8050-А
Крышка масленки
В узле: 1
24
Н-1425
Ось защелки крышки распределителя
В узле: 2
25
1ИГ-694
Пружина крышки распределителя
В узле: 2
26
1ИГ-579-А
Втулка валика распределителя
В узле: 2
27
Р23-3706011
Муфта промежуточного валика распределителя
В узле: 1
28
Р20-3706012
Валик распределителя промежуточный
В узле: 1
Содержащиеся в справочниках-каталогах запасные части и детали не предлагаются к продаже, а носят исключительно информационный характер

Ваша заявка была отправлена. В ближайшее время наши специалисты с Вами свяжутся по указанному Вами телефону.

Представьтесь
Поле обязательно для заполнения
Ваш телефон
Введите правильный номер телефона
E-mail
Введите правильный e-mail
Тема
Тема
применяемость финансирование доставка цена, наличие другое сервис и гарантия
Время для звонка
08:00
08:00 09:00 10:00 11:00 12:00 13:00 14:00 15:00 16:00 17:00 18:00 19:00
19:00
08:00 09:00 10:00 11:00 12:00 13:00 14:00 15:00 16:00 17:00 18:00 19:00

Мы постараемся перезвонить в указанное время

Если вы не хотите ждать, то звоните нашим вежливым консультантам:

8 800 100-2-700
Подтвердите, что вы не робот
Подтвердите, что вы не робот
Спасибо!

Ваше сообщение успешно отправлено!

ЗакрытьПовторить попытку