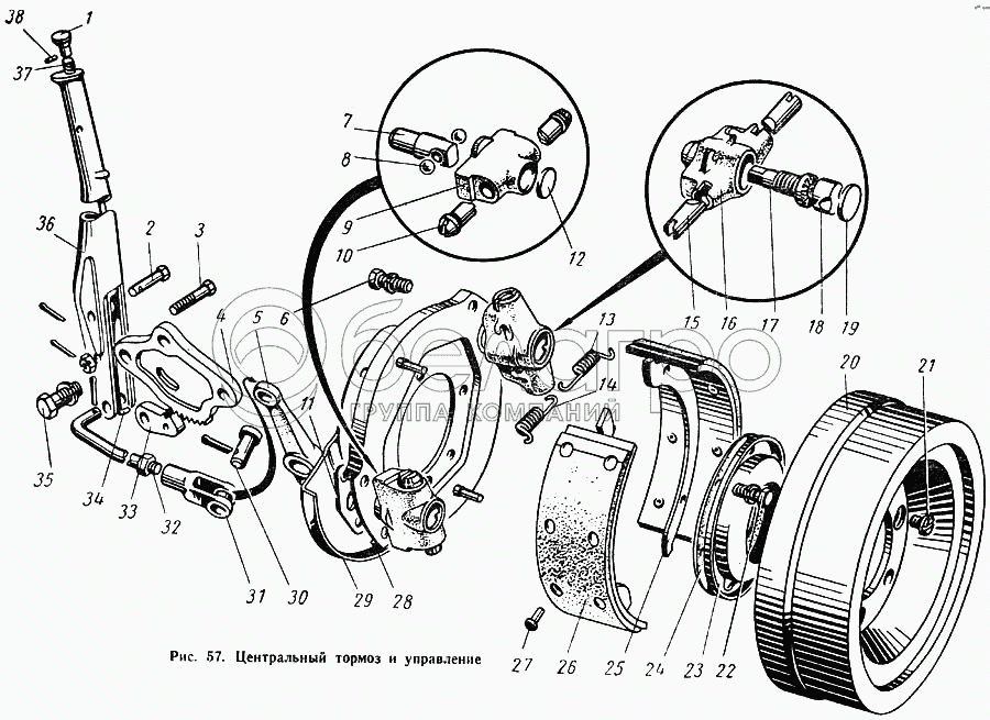
Каталог запасных частей к технике: ГАЗ-52-01. Центральный тормоз и управление

zoom-in zoom-out enlarge shrink circle-right circle-left file-text2 info cart arraw right arraw left zoom out zoom in arraw maximize arraw minimize
1
2
3
4
5
6
6
7
8
9
10
11
12
13
14
15
16
17
18
19
20
21
22
23
24
25
26
27
28
29
30
31
32
33
34
35
36
37
38
258053-П
Шплинт 4х25
В узле: 1
250612-П8
Гайка М10
В узле: 1
258039-П
Шплинт 3,2х20 ОСТ 37.001.171-93
В узле: 1
258014-П
Шплинт 2х20
В узле: 1
258025-П
Шплинт 2,5х20
В узле: 2
252137-П2
Шайба 12.ОТ ОСТ 37.001.115-75
В узле: 2
252156-П2
Шайба 10Л ОСТ 37.001.115-75
В узле: 2
252136-П2
Шайба 10 ОТ ОСТ 37.001.115-75
В узле: 2
ВК-52-3508174
Тяга привода стояночного тормоза в сборе
В узле: 1
250867-П8
Гайка М8х1
В узле: 1
51-3507014
Колодка стояночного тормоза с фрикционной накладной в сборе
В узле: 2
51-3508015
Рычаг центрального тормоза в сборе
В узле: 1
52-3507010
Тормоз стояночный в сборе
В узле: 1
52-3508042
Тяга привода стояночного тормоза в сборе
В узле: 1
252016-П8
Шайба 14
В узле: 1
1
А-2791-С
Головка тяги собачки рычага центрального тормоза
В узле: 1
2
260060-П8
Палец 10х35 крепления рычага центрального тормоза к сектору
В узле: 1
3
205424-П8
Болт М8х1х35
В узле: 1
4
51-3508048
Сектор рычага центрального тормоза
В узле: 1
5
63-3508050-А
Рычаг привода стояночного тормоза
В узле: 1
6
201496-П8
Болт М10-6gх22
В узле: 2
6
201496-П8
Болт М10-6gх22
В узле: 2
7
51-3507072
Корпус шариков разжимного механизма центрального тормоза
В узле: 1
8
353087-S
Шарик диаметром 11,9 мм
В узле: 2
9
51-3507070
Корпус разжимного механизма
В узле: 1
10
51-3507074
Толкатель разжимного механизма центрального тормоза
В узле: 2
11
51-3507073
Ограничитель хода корпуса шариков разжимного механизма центрального тормоза
В узле: 1
12
296955-П16
Заглушка 25
В узле: 1
13
51-3507048-Б
Пружина первичной колодки центрального тормоза стяжная
В узле: 2
14
51-3507049
Пружина стяжная вторичной колодки
В узле: 2
15
51-3507083
Опора колодок центрального тормоза
В узле: 2
16
51-3507080
Корпус регулировочного механизма центрального тормоза
В узле: 1
17
11-2108
Винт регулировочный в сборе
В узле: 1
18
11-2041
Сухарь разжимной колодок центрального тормоза
В узле: 1
19
296980-П16
Заглушка 31
В узле: 1
20
51-3507052-Г
Барабан центрального тормоза
В узле: 1
21
224682-П8
Винт М8-6gх16
В узле: 2
22
201497-П8
Болт М10х25
В узле: 2
23
52-3507062
Маслоотражатель центрального тормоза
В узле: 1
24
52-3507063
Прокладка маслоотражателя центрального тормоза
В узле: 1
25
51-3507018-Б
Колодка центрального тормоза в сборе
В узле: 2
26
51-3507020-Б
Накладка центрального тормоза фрикционная
В узле: 2
27
293997-П
Заклепка 4,75х11
В узле: 16
28
52-3507011
Щит центрального тормоза в сборе
В узле: 1
29
52-3507065
Отражатель щита центрального тормоза
В узле: 1
30
260057-П8
Палец 10х28
В узле: 1
31
63-3508045
Вилка регулировочная тяги привода стояночного тормоза
В узле: 1
32
52-3508043
Тяга привода стояночного тормоза
В узле: 1
33
51-3508030
Собачка рычага центрального тормоза
В узле: 1
34
51-3508028
Тяга собачки рычага центрального тормоза
В узле: 1
35
201540-П8
Болт М12х1,75х30
В узле: 2
36
51-3508018
Рычаг центрального тормоза со шляпкой в сборе
В узле: 1
37
А-2793-В
Пружина тяги собачки рычага центрального тормоза
В узле: 1
38
А-23637
Штифт головки тяги собачки рычага центрального тормоза
В узле: 1
Содержащиеся в справочниках-каталогах запасные части и детали не предлагаются к продаже, а носят исключительно информационный характер

Ваша заявка была отправлена. В ближайшее время наши специалисты с Вами свяжутся по указанному Вами телефону.

Представьтесь
Поле обязательно для заполнения
Ваш телефон
Введите правильный номер телефона
E-mail
Введите правильный e-mail
Тема
Тема
применяемость финансирование доставка цена, наличие другое сервис и гарантия
Время для звонка
08:00
08:00 09:00 10:00 11:00 12:00 13:00 14:00 15:00 16:00 17:00 18:00 19:00
19:00
08:00 09:00 10:00 11:00 12:00 13:00 14:00 15:00 16:00 17:00 18:00 19:00

Мы постараемся перезвонить в указанное время

Если вы не хотите ждать, то звоните нашим вежливым консультантам:

8 800 100-2-700
Подтвердите, что вы не робот
Подтвердите, что вы не робот
Спасибо!

Ваше сообщение успешно отправлено!

ЗакрытьПовторить попытку