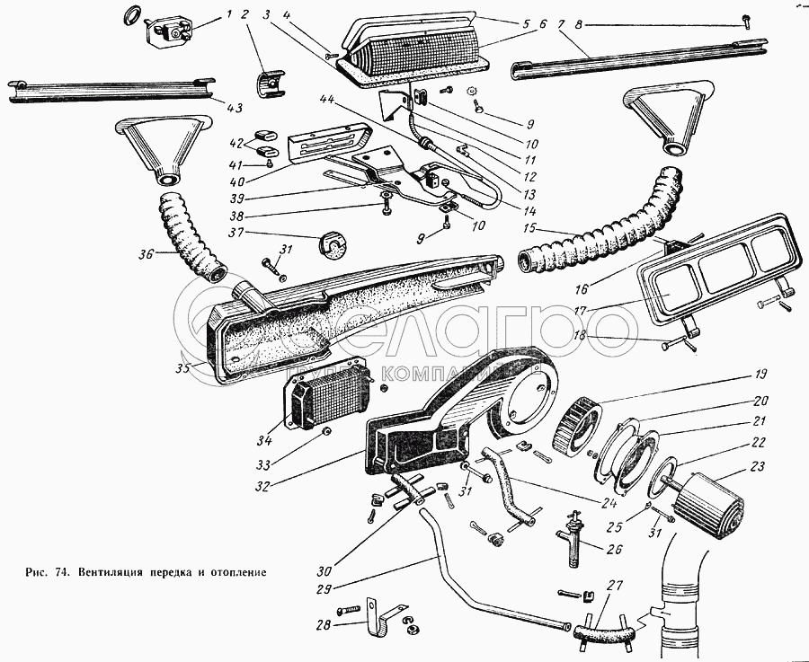
Каталог запасных частей к технике: ГАЗ-52-01. Вентиляция передка и отопление

zoom-in zoom-out enlarge shrink circle-right circle-left file-text2 info cart arraw right arraw left zoom out zoom in arraw maximize arraw minimize
1
2
3
4
5
6
7
8
9
9
9
10
10
11
12
13
14
15
16
17
18
19
20
21
22
23
24
25
26
27
28
29
30
30
31
31
31
31
32
33
34
35
36
37
38
39
40
41
42
43
44
250763-П8
Гайка М5х0,8
В узле: 2
290502-П8
Болт М6х14
В узле: 1
297575-П8
Шплинт хомутика
В узле: 4
297575-П8
Шплинт хомутика
В узле: 2
258011-П
Шплинт 2х10
В узле: 2
252234-П8
Шайба 6 пружинная
В узле: 2
252134-П2
Шайба 6Т ОСТ 37.001.115-75
В узле: 1
252233-П8
Шайба 5 пружинная
В узле: 3
252004-П8
Шайба 6
В узле: 9
252004-П8
Шайба 6
В узле: 4
297580-П8
Пряжка хомута
В узле: 4
297580-П8
Пряжка хомута
В узле: 2
292685-П
Гайка М6 специальная
В узле: 3
250508-П8
Гайка М6-6Н
В узле: 1
252173-П8
Шайба 5 пружинная
В узле: 2
1
51-3713300-Б
Переключатель электродвигателя обдува ветрового стекла, либо 51-3713300-Б1
В узле: 1
2
52-8102082
Накладка распределителя обдува ветрового стекла
В узле: 1
3
13-5304030
Уплотнитель крышки вентиляции передка
В узле: 1
4
240818-П8
Винт 4х12
В узле: 3
5
13-5304012
Крышка вентиляции передка в сборе
В узле: 1
6
13-5304022
Сетка крышки вентиляции передка в сборе
В узле: 1
7
52-8102073
Распределитель обдува ветрового стекла левый
В узле: 1
8
240623-П8
Винт 4х30 крепления накладки
В узле: 5
9
290377-П8
Болт М5х0,8х9
В узле: 2
9
290377-П8
Болт М5х0,8х9
В узле: 3
10
21-5304198
Зажим оболочки
В узле: 2
11
52-5304202
Тяга привода крышки вентиляции передка
В узле: 1
12
52-5304200
Оболочка тяги крышки вентиляции передка
В узле: 1
13
13-8104192
Пружина тяги крышки вентиляции передка
В узле: 1
14
52-8104190
Тяга привода вентиляции передка
В узле: 1
15
52-8102060
Шланг обдува ветрового стекла длинный
В узле: 1
16
52-8104194
Скоба тяги привода крышки вентиляции передка
В узле: 1
17
13-8104196
Крышка вентиляции кузова с уплотнителем в сборе
В узле: 1
18
260018-П8
Палец 6х35
В узле: 2
19
52-8102030
Ротор обдува ветрового стекла в сборе
В узле: 1
20
13-8102240
Прокладка диска электродвигателя заднего отопителя
В узле: 1
21
13-8102238
Диск электродвигателя заднего отопителя
В узле: 1
22
21-8102232
Прокладка электродвигателя вентилятора
В узле: 1
23
52-8102080
Электродвигатель обдува ветрового стекла в сборе (МЭ211)
В узле: 1
24
52-8101036
Шланг радиатора отопителя впускной
В узле: 1
25
252234-П8
Шайба 6 пружинная
В узле: 1
26
30-8101020-А
Краник запорный отопителя в сборе
В узле: 1
27
21-1014076
Шланг выпускной трубы отопителя
В узле: 2
28
297507-П8
Скоба крепления выпускной трубы отопителя
В узле: 1
29
52-8101032
Труба радиатора отопителя выпускная
В узле: 1
30
297584-П8
Лента 10х235
В узле: 2
30
297584-П8
Лента 10х235
В узле: 4
31
290509-П8
Болт М6х25
В узле: 9
31
290509-П8
Болт М6х25
В узле: 3
31
290509-П8
Болт М6х25
В узле: 4
32
52-8101098
Кожух радиатора отопителя в сборе
В узле: 1
33
13-8101170
Уплотнитель трубок радиатора отопления
В узле: 2
34
52-8101060
Радиатор отопителя в сборе
В узле: 1
35
52-8101250
Распределитель отопителя кабины в сборе
В узле: 1
36
52-8102062
Шланг обдува ветрового стекла короткий
В узле: 1
37
52-8101152
Клапан слива
В узле: 1
38
201416-П8
Болт М6-6gх12
В узле: 2
39
52-5304032
Привод вентиляции передка в сборе
В узле: 1
40
52-5304189
Облицовка привода вентиляции передка
В узле: 1
41
222964-П8
Винт М3х10 крепления ручки привода
В узле: 2
42
52-5304186
Ручка привода вентиляции передка
В узле: 2
43
52-8102072
Распределитель обдува ветрового стекла правый
В узле: 1
44
А-17523
Втулка
В узле: 1
Содержащиеся в справочниках-каталогах запасные части и детали не предлагаются к продаже, а носят исключительно информационный характер

Ваша заявка была отправлена. В ближайшее время наши специалисты с Вами свяжутся по указанному Вами телефону.

Представьтесь
Поле обязательно для заполнения
Ваш телефон
Введите правильный номер телефона
E-mail
Введите правильный e-mail
Тема
Тема
применяемость финансирование доставка цена, наличие другое сервис и гарантия
Время для звонка
08:00
08:00 09:00 10:00 11:00 12:00 13:00 14:00 15:00 16:00 17:00 18:00 19:00
19:00
08:00 09:00 10:00 11:00 12:00 13:00 14:00 15:00 16:00 17:00 18:00 19:00

Мы постараемся перезвонить в указанное время

Если вы не хотите ждать, то звоните нашим вежливым консультантам:

8 800 100-2-700
Подтвердите, что вы не робот
Подтвердите, что вы не робот
Спасибо!

Ваше сообщение успешно отправлено!

ЗакрытьПовторить попытку