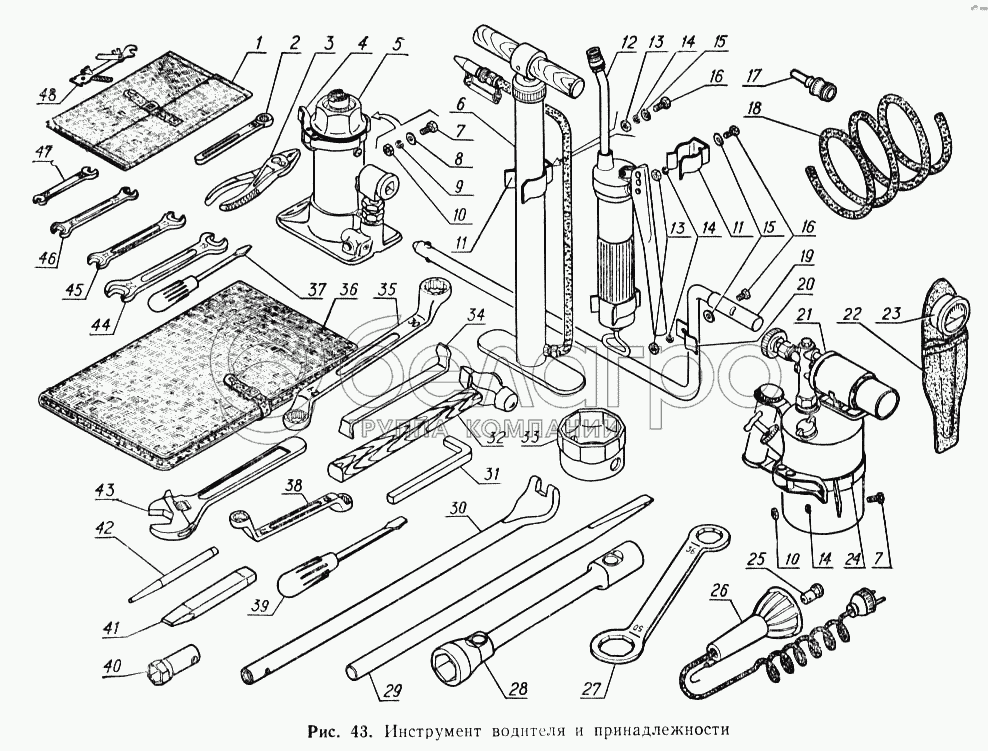
Каталог запасных частей к технике: ГАЗ-52-02. Инструмент водителя и принадлежности

zoom-in zoom-out enlarge shrink circle-right circle-left file-text2 info cart arraw right arraw left zoom out zoom in arraw maximize arraw minimize
1
2
3
4
5
6
7
7
8
9
10
10
10
11
11
12
13
13
14
14
14
15
15
16
16
17
18
19
20
21
22
23
24
25
26
27
28
29
30
31
32
33
33
34
35
36
37
39
40
41
42
43
44
45
46
47
48
25
А12-21-3
Лампа
В узле: 1
Лампа А12-21-3 (12V21W BA15s (1 конт) Под заказ 18.84 р.
1
53А-3901024
Сумка инструментальная малая в сборе
В узле: 1
2
ИП-3901196
Ключ 14 накидной
В узле: 1
3
И78-3901000
Плоскогубцы автомобильные
В узле: 1
4
66-3913099
Держатель домкрата
В узле: 1
5
Д1-3913010-Г
Домкрат гидравлический в сборе
В узле: 1
6
РН1-3917010
Насос ручной для накачивания шин в сборе
В узле: 1
7
201416-П29
Болт М6-6gх12 ОСТ 37.001.123-96
В узле: 2
7
201416-П8
Болт М6-6gх12
В узле: 2
8
293225-П29
Шайба 6
В узле: 2
9
252134-П29
Шайба 6
В узле: 2
10
250608-П29
Гайка М6-6Н ОСТ 37.001.124-93
В узле: 2
10
250608-П8
Гайка М6
В узле: 2
11
69А-3901225
Зажим насоса
В узле: 1
12
Ш1-39110101-А
Шприц рычажно-плунжерный в сборе (51-3911010)
В узле: 1
13
250508-П8
Гайка М6-6Н
В узле: 2
14
252154-П2
Шайба 6Л ОСТ 37.001.115-75
В узле: 2
14
252154-П29
Шайба 6Л ОСТ 37.001.115-75
В узле: 2
15
252037-П29
Шайба 6 ОСТ 37.001.144-96
В узле: 2
16
201415-П29
Болт М6-6gх10 ОСТ 37.001.123-96
В узле: 2
17
51Ю-3901340
Насадка к шприцу для смазки карданов в сборе И27-3901000-Ш-А2
В узле: 1
18
12-3901472
Шланг для прокачивания гидротормозов в сборе
В узле: 1
19
51-3901215
Рукоятка пусковая в сборе И131-3901000
В узле: 1
20
52-3901217
Зажим монтажной лопатки
В узле: 1
21
40-1025100-Б
Лампа пускового подогревателя с инструментом и деталями в сборе
В узле: 1
22
51-3901385-А2
Чехол шинного манометра (МД 13-3912290)
В узле: 1
23
Г-53А-3901350
Манометр шинный в сборе МД231
В узле: 1
24
53Ф-3915119
Кронштейн лампы пускового подогревателя в сборе
В узле: 1
26
51-3715010-А2
Лампа переносная в сборе ПЛТМ
В узле: 1
27
ИП-3901194
Ключ для внутреннего колпака ступицы (51-3901154)
В узле: 1
28
ИП-3901312-А
Ключ для гаек колес 22х38 (53-3901078)
В узле: 1
29
ИП-3901283
Лопатка для монтажа шин
В узле: 1
30
ИП-3901284
Лопатка монтажная и вороток гидродомкрата
В узле: 1
31
63-3901094
Ключ для регулировки винта вала сошки рулевого управления (квадрат 10) (63-3901094)
В узле: 1
32
И108А-3901000
Молоток слесарный 0,5 кг с рукояткой в сборе (М-17090-А)
В узле: 1
33
ИП-3901205
Ключ 17х19 накидной
В узле: 1
33
ИП-3901144
Ключ 82 для регулировки подшипников ступиц задних колес
В узле: 1
34
ИП-3901251
Отвертка пробки продольной рулевой тяги и винта диска тормозного барабана (51-3901178)
В узле: 1
35
ИП-3901192
Ключ для гаек стремянок рессор 24х30 (51-3901129-Б)
В узле: 1
36
53А-3901010
Сумка инструментальная большая в сборе
В узле: 1
37
М11-3332-00
Отвертка малая в сборе (11-17087-А)
В узле: 1
39
М16-3564-00
Отвертка 250х1,4 в сборе
В узле: 1
40
12-3901044
Ключ торцовый свечной 22 с воротком в сборе (ИП-3901036)
В узле: 1
41
66-01-3901202
Зубило слесарное ИП-3901246 (15х60х150)
В узле: 1
42
24-3901200
Прошивка-вороток Ф-075
В узле: 1
43
И3-3901000
Ключ гаечный разводной специальный 36 (51-3901165-Б)
В узле: 1
44
53-3901068
Ключ 19х22 (ИП-3901033)
В узле: 1
45
ИП-3901021
Ключ 13х14 ГОСТ 2839-71
В узле: 1
46
ИП-3901023
Ключ 12х14
В узле: 1
47
ИП-3901022
Ключ 8х10 ГОСТ 2839-80 Е
В узле: 1
48
51-3707310
Щупы для приборов зажигания (И317-3707000-ГЧ)
В узле: 1
Содержащиеся в справочниках-каталогах запасные части и детали не предлагаются к продаже, а носят исключительно информационный характер

Ваша заявка была отправлена. В ближайшее время наши специалисты с Вами свяжутся по указанному Вами телефону.

Представьтесь
Поле обязательно для заполнения
Ваш телефон
Введите правильный номер телефона
E-mail
Введите правильный e-mail
Тема
Тема
применяемость финансирование доставка цена, наличие другое сервис и гарантия
Время для звонка
08:00
08:00 09:00 10:00 11:00 12:00 13:00 14:00 15:00 16:00 17:00 18:00 19:00
19:00
08:00 09:00 10:00 11:00 12:00 13:00 14:00 15:00 16:00 17:00 18:00 19:00

Мы постараемся перезвонить в указанное время

Если вы не хотите ждать, то звоните нашим вежливым консультантам:

8 800 100-2-700
Подтвердите, что вы не робот
Подтвердите, что вы не робот
Спасибо!

Ваше сообщение успешно отправлено!

ЗакрытьПовторить попытку