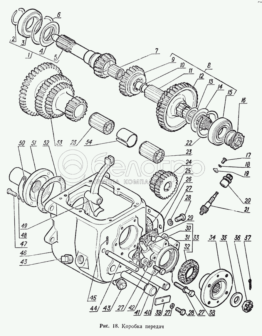
Каталог запасных частей к технике: ГАЗ-52-02. Коробка передач

zoom-in zoom-out enlarge shrink circle-right circle-left file-text2 info cart arraw right arraw left zoom out zoom in arraw maximize arraw minimize
1
2
3
4
5
6
7
8
9
10
11
12
13
14
15
16
17
18
19
20
21
22
23
23
24
25
26
27
27
27
27
28
28
29
30
31
32
33
34
35
36
37
38
39
40
41
42
43
43
44
45
46
47
48
49
50
51
52
53
54
51-1700010-Б
Коробка передач в сборе
В узле: 1
ВК-51-1701012
Картер коробки передач с болтами (комплект для запасных частей)
В узле: 1
51-1700009
Коробка передач с центральным тормозом в сборе
В узле: 1
ВК-51-1700015
Коробка передач в сборе с болтами (комплект для запасных частей)
В узле: 1
1
51-7015
Вал ведущий в сборе
В узле: 1
2
АА-7045
Кольцо упорное подшипника ведущего вала
В узле: 1
3
АА-7025
Подшипник ведущего вала 209К5
В узле: 1
4
АА-7043
Маслоотражатель подшипника ведущего вала
В узле: 1
5
51-7017
Вал ведущий
В узле: 1
6
АА-7030
Кольцо стопорное
В узле: 1
7
864904
Подшипник в сборе (АА-7120-А2)
В узле: 1
8
51-7060-Б
Вторичный вал в сборе
В узле: 1
9
51-1701114
Шестерня третьей и четвертой передач
В узле: 1
10
АА-7063
Кольцо установочное роликового подшипника
В узле: 1
11
51-7061-Б
Вторичный вал
В узле: 1
12
51-1701112
Блок шестерен первой и второй передач
В узле: 1
13
АА-7062
Кольцо упорное
В узле: 1
14
АА-7080
Маслоотражатель подшипника
В узле: 1
15
АА-7065
Подшипник вторичного вала 307
В узле: 1
16
51-3802033
Шестерня привода спидометра ведущая
В узле: 1
17
290490-П8
Болт М6-6gх12
В узле: 1
18
252154-П2
Шайба 6Л ОСТ 37.001.115-75
В узле: 1
19
51-3802031
Стопор
В узле: 1
20
51-3802030
Штуцер гибкого вала
В узле: 1
21
51-3802034-Б
Шестерня привода спидометра ведомая
В узле: 1
22
АА-7070
Кольцо стопорное шайбы приставной
В узле: 1
23
64905
Подшипник блока шестерен промежуточного вала (АА-7118-А2)
В узле: 2
24
51-1701080
Блок шестерен заднего хода в сборе
В узле: 1
25
АА-7166-А
Прокладка крышки люка
В узле: 1
26
АА-7165
Крышка люка
В узле: 1
27
252136-П2
Шайба 10 ОТ ОСТ 37.001.115-75
В узле: 5
27
252136-П2
Шайба 10 ОТ ОСТ 37.001.115-75
В узле: 6
27
252136-П2
Шайба 10 ОТ ОСТ 37.001.115-75
В узле: 1
28
201495-П8
Болт М10-6gх20
В узле: 1
28
201495-П8
Болт М10-6gх20
В узле: 6
29
63-1701203-Б
Прокладка задней крышки
В узле: 1
30
51-3508055
Палец рычага привода центрального тормоза
В узле: 1
31
51-1701205-Б
Крышка задняя
В узле: 1
32
51-1701210-А
Манжета в сборе
В узле: 1
33
51-1701200-Б
Крышка задняя в сборе
В узле: 1
34
51-1701240-Д
Фланец вторичного вала коробки передач
В узле: 1
35
51-2402064
Шайба специальная
В узле: 1
36
292940-П
Гайка М22Х1,5
В узле: 1
37
258055-П
Шплинт 3,6х36
В узле: 1
38
201510-П8
Болт М10-6gх65
В узле: 1
39
АА-7155
Стопор осей шестерен промежуточного вала и заднего хода
В узле: 1
40
51-7111-А
Ось блока шестерен промежуточного вала
В узле: 1
41
АА-7140-А
Ось блока
В узле: 1
42
201283-П8
Болт М10-4hх28
В узле: 4
43
262513-П
Пробка КГ 3/4"
В узле: 2
44
АА-7244
Ось вилки
В узле: 1
45
258041-П
Шплинт 3х30
В узле: 1
46
53-1701015-В
Картер
В узле: 1
47
201458-П8
Болт М8х1,25х25
В узле: 4
48
252155-П2
Шайба 8Л ОСТ 37.001.115-75
В узле: 4
49
АА-7243
Вилка переключения заднего хода
В узле: 1
50
51-1601190-А
Скоба оттяжной пружины муфты подшипника выключения сцепления
В узле: 1
51
51-7050-Б
Крышка подшипника
В узле: 1
52
51-7051
Прокладка крышки подшипника
В узле: 1
53
51-1701050
Блок шестерен промежуточного вала
В узле: 1
54
АА-7115-А2
Втулка распорная
В узле: 1
Содержащиеся в справочниках-каталогах запасные части и детали не предлагаются к продаже, а носят исключительно информационный характер

Ваша заявка была отправлена. В ближайшее время наши специалисты с Вами свяжутся по указанному Вами телефону.

Представьтесь
Поле обязательно для заполнения
Ваш телефон
Введите правильный номер телефона
E-mail
Введите правильный e-mail
Тема
Тема
применяемость финансирование доставка цена, наличие другое сервис и гарантия
Время для звонка
08:00
08:00 09:00 10:00 11:00 12:00 13:00 14:00 15:00 16:00 17:00 18:00 19:00
19:00
08:00 09:00 10:00 11:00 12:00 13:00 14:00 15:00 16:00 17:00 18:00 19:00

Мы постараемся перезвонить в указанное время

Если вы не хотите ждать, то звоните нашим вежливым консультантам:

8 800 100-2-700
Подтвердите, что вы не робот
Подтвердите, что вы не робот
Спасибо!

Ваше сообщение успешно отправлено!

ЗакрытьПовторить попытку