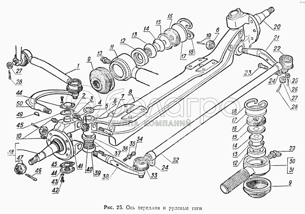
Каталог запасных частей к технике: ГАЗ-52-02. Ось передняя и рулевые тяги

zoom-in zoom-out enlarge shrink circle-right circle-left file-text2 info cart arraw right arraw left zoom out zoom in arraw maximize arraw minimize
1
2
3
4
5
6
6
7
8
9
9
10
10
11
12
12
13
13
14
14
15
15
16
16
17
17
18
18
19
19
20
21
22
23
24
24
25
26
27
27
28
28
29
30
31
32
33
34
35
36
37
38
39
40
41
42
43
44
44
45
45
46
47
48
49
49
50
29
264040-П8
Пресс-масленка К 1/8"
В узле: 2
264040-П8* Масленка М10х1 90 градусов >10 шт. 5.20 р.
ВК-53А-3003008
Комплект для ремонта рулевых тяг (для запасных частей)
В узле: 1
ВК-53А-3000101
Комплект для ремонта передней оси (для запасных частей)
В узле: 1
53А-3003052
Тяга поперечная рулевая с наконечниками в сборе
В узле: 1
21
53-3001030
Рычаг рулевой трапеции правый
В узле: 1
50
53-3001035
Рычаг поворотного кулака
В узле: 1
53А-3000015
Ось передняя в сборе
В узле: 1
38
53-3001031
Рычаг рулевой трапеции левый
В узле: 1
1
53А-3003010-01
Тяга продольная рулевая в сборе
В узле: 1
2
53А-3001019
Шкворень поворотного кулака
В узле: 2
3
250507-П29
Гайка М12х1,25-6Н
В узле: 2
4
252137-П2
Шайба 12.ОТ ОСТ 37.001.115-75
В узле: 2
5
51-3001022
Шайба регулировочная
В узле: 2
6
251016-П8
Гайка М22х1,5
В узле: 2
7
51-3001025-02
Штифт стопорный шкворня поворотного кулака
В узле: 2
8
53-3001010
Балка передней оси
В узле: 1
9
53А-3003162
Уплотнитель наконечника рулевой тяги с обоймой в сборе
В узле: 2
10
264020-П8
Пресс-масленка К 1/8"
В узле: 2
11
53А-3003014
Тяга продольная рулевая
В узле: 1
12
53А-3003067
Вкладыш наконечника рулевой тяги
В узле: 2
13
52-3003066
Сухарь пальца
В узле: 2
14
52-3003065-А
Палец наконечника поперечной рулевой тяги
В узле: 2
15
53А-3003068-10
Пята опорная пальца
В узле: 2
16
52-3003074-11
Буфер опорной пяты
В узле: 2
17
53А-3003106-02
Крышка наконечника рулевой тяги
В узле: 2
18
53А-3003071
Кольцо стопорное заглушки наконечника
В узле: 2
19
258069-П8
Шплинт 5х36
В узле: 2
20
53А-3001012
Кулак поворотный правый в сборе
В узле: 1
22
53А-3003056
Наконечник поперечной рулевой тяги правый в сборе
В узле: 1
23
205441-П8
Болт М10х1х38
В узле: 2
24
53А-3003078-01
Хомут стяжной
В узле: 2
25
250868-П29
Гайка М10х1-6Н
В узле: 2
26
258025-П8
Шплинт 2,5х20
В узле: 2
27
250979-П8
Гайка М16х1,5
В узле: 2
28
258054-П8
Шплинт 3,6х32
В узле: 2
30
53А-3003062
Наконечник поперечной рулевой тяги правый
В узле: 1
31
53А-3003063
Корпус наконечника
В узле: 1
32
53А-3003054
Тяга поперечная рулевая
В узле: 1
33
53А-3003057-01
Наконечник поперечной рулевой тяги левый в сборе
В узле: 1
34
290811-П8
Болт М10х1-6gх35
В узле: 2
35
250613-П29
Гайка 10х1-6Н
В узле: 2
36
51-3001021
Кулак защитный упорного подшипника шкворня
В узле: 2
37
52-3001029
Шайба шкворня поворотного кулака упорная
В узле: 4
39
52-3001027
Обойма подшипника шкворня
В узле: 2
40
52-3001028
Шайба шкворня поворотного кулака упорная средняя
В узле: 2
41
53А-3001023
Кольцо уплотнительное
В узле: 4
42
201415-П8
Болт М6-6gх10
В узле: 8
43
252154-П2
Шайба 6Л ОСТ 37.001.115-75
В узле: 8
44
53-3001040-А
Крышка шкворня
В узле: 4
45
53-3001052-А
Прокладка крышки шкворня
В узле: 4
46
258070-П8
Шплинт 5х40 ОСТ 37.001.171-93
В узле: 2
47
292961-П8
Гайка М24х1,5-5Н6Н
В узле: 2
48
53А-3001013
Кулак поворотный левый в сборе
В узле: 1
49
260417-П
Шпонка 5х22
В узле: 2
Содержащиеся в справочниках-каталогах запасные части и детали не предлагаются к продаже, а носят исключительно информационный характер

Ваша заявка была отправлена. В ближайшее время наши специалисты с Вами свяжутся по указанному Вами телефону.

Представьтесь
Поле обязательно для заполнения
Ваш телефон
Введите правильный номер телефона
E-mail
Введите правильный e-mail
Тема
Тема
применяемость финансирование доставка цена, наличие другое сервис и гарантия
Время для звонка
08:00
08:00 09:00 10:00 11:00 12:00 13:00 14:00 15:00 16:00 17:00 18:00 19:00
19:00
08:00 09:00 10:00 11:00 12:00 13:00 14:00 15:00 16:00 17:00 18:00 19:00

Мы постараемся перезвонить в указанное время

Если вы не хотите ждать, то звоните нашим вежливым консультантам:

8 800 100-2-700
Подтвердите, что вы не робот
Подтвердите, что вы не робот
Спасибо!

Ваше сообщение успешно отправлено!

ЗакрытьПовторить попытку