Каталог запасных частей к технике: ГАЗ-52-02. Реле-регулятор

zoom-in zoom-out enlarge shrink circle-right circle-left file-text2 info cart arraw right arraw left zoom out zoom in arraw maximize arraw minimize
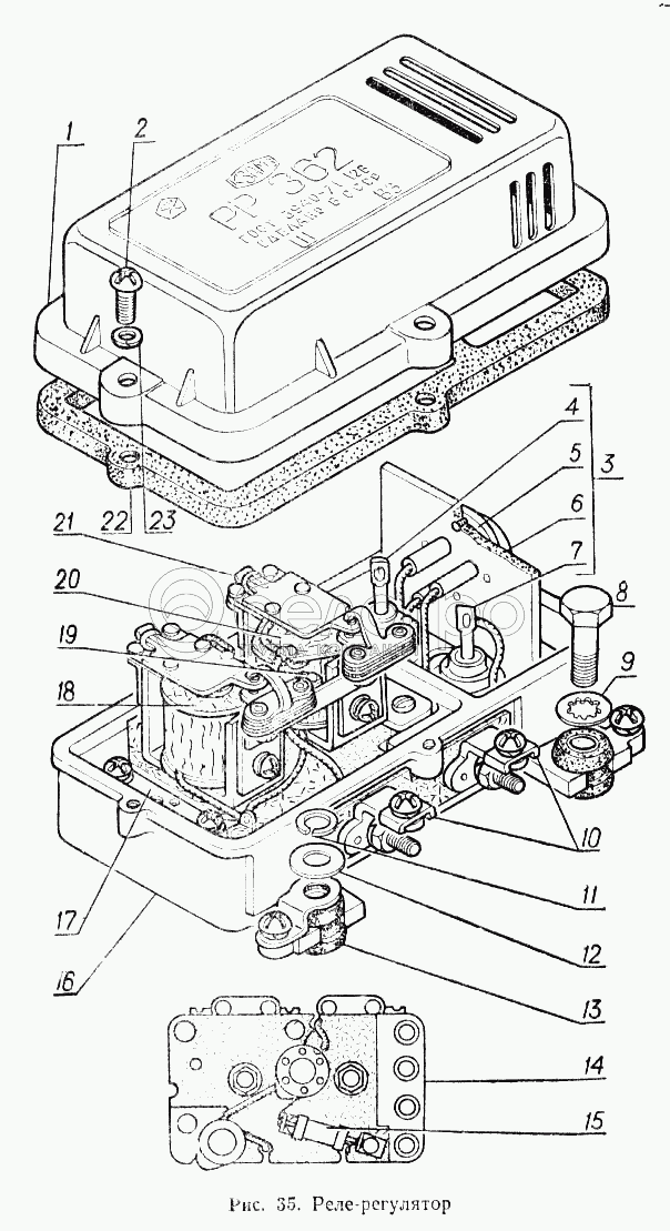
1
2
3
4
5
6
7
8
9
10
11
12
13
14
15
16
17
18
19
20
21
22
23
1
РР362-3702003-А
Крышка
В узле: 1
2
8Х-1549
Винт крепления крышки
В узле: 5
3
РР362-3702800
Блок полупроводниковый
В узле: 1
4
КД-202-В (УЖЗ.362.036 ТУ)
Диод
В узле: 1
5
П-217 (СИ3.365.017 ТУ)
Транзистор
В узле: 1
6
РР362-3702810-А2
Теплоотвод с панелью в сборе
В узле: 1
7
Д-242 (А-0336.206 ТУ)
Диод
В узле: 1
8
201422-П8
Болт М6-6gх25
В узле: 3
9
252174-П29
Шайба 2-6 ОСТ 37.001.145-75
В узле: 1
10
ВК14-3708053
Скоба клеммы включателя стартера
В узле: 2
11
252154-П2
Шайба 6Л ОСТ 37.001.115-75
В узле: 2
12
252004-П8
Шайба 6
В узле: 2
13
РР24-3702006
Амортизатор в сборе
В узле: 3
14
РР362-3702510-Ж
Панель с сопротивлениями в сборе
В узле: 1
15
МЛТ-2-62-Ом±5%
Резистор ГОС-Т-7113-77
В узле: 1
16
РР362-3702101-А
Основание
В узле: 1
17
РР362-3702100
Основание с выводами и клеммами в сборе
В узле: 1
18
РР352-3702400-Е
Регулятор напряжения в сборе
В узле: 1
19
МЛТ-0,5-240-Ом±5%
Резистор ГОС-Т-7113-77
В узле: 1
20
РР362-3702600-Е
Реле защиты в сборе
В узле: 1
21
РР24-3702418
Пружина
В узле: 2
22
РР362-3702008
Прокладка уплотнительная
В узле: 1
23
4-082
Шайба
В узле: 5
Содержащиеся в справочниках-каталогах запасные части и детали не предлагаются к продаже, а носят исключительно информационный характер

Ваша заявка была отправлена. В ближайшее время наши специалисты с Вами свяжутся по указанному Вами телефону.

Представьтесь
Поле обязательно для заполнения
Ваш телефон
Введите правильный номер телефона
E-mail
Введите правильный e-mail
Тема
Тема
применяемость финансирование доставка цена, наличие другое сервис и гарантия
Время для звонка
08:00
08:00 09:00 10:00 11:00 12:00 13:00 14:00 15:00 16:00 17:00 18:00 19:00
19:00
08:00 09:00 10:00 11:00 12:00 13:00 14:00 15:00 16:00 17:00 18:00 19:00

Мы постараемся перезвонить в указанное время

Если вы не хотите ждать, то звоните нашим вежливым консультантам:

8 800 100-2-700
Подтвердите, что вы не робот
Подтвердите, что вы не робот
Спасибо!

Ваше сообщение успешно отправлено!

ЗакрытьПовторить попытку