Каталог запасных частей к технике: ГАЗ-5312. Фильтр тонкой очистки топлива

zoom-in zoom-out enlarge shrink circle-right circle-left file-text2 info cart arraw right arraw left zoom out zoom in arraw maximize arraw minimize
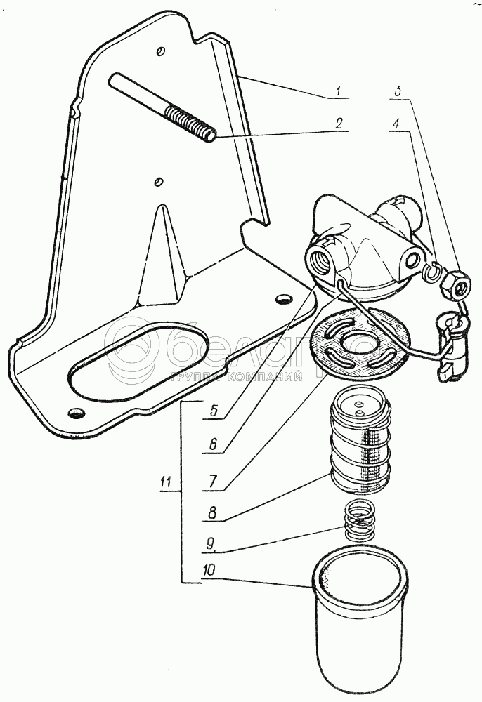
1
1
2
3
4
5
6
6
7
8
9
9
10
10
11
11
1
53-1117075
Кронштейн крепления фильтра и катушки зажигания
В узле: ---
1
53-50-1117075-10
Кронштейн крепления фильтра и катушки зажигания
В узле: ---
2
200273-П29
Болт М8-6gх70
В узле: ---
3
250510-П29
Гайка М8-6Н ОСТ 37.001.124-93
В узле: ---
4
252155-П2
Шайба 8Л ОСТ 37.001.115-75
В узле: ---
5
21-1117020-01
Корпус фильтра
В узле: ---
6
52-1117060
Коромысло стакана фильтра тонкой очистки топлива в сборе
В узле: ---
6
52-50-1117060
Коромысло
В узле: ---
7
521117025
Прокладка корпуса фильтра
В узле: ---
8
13-1117045
Фильтрующий элемент фильтра тонкой очистки топлива в сборе
В узле: ---
9
52-1117035
Пружина фильтрующего элемента
В узле: ---
9
52-50-1117035
Пружина фильтра
В узле: ---
10
52-1117056-А
Стакан-отстойник фильтра
В узле: ---
10
52-50-1117056-А
Стакан фильтра тонкой очистки топлива
В узле: ---
11
21-1117010 1
Фильтр тонкой очистки топлива в сборе
В узле: ---
11
3-1117010-А
Фильтр тонкой очистки топлива в сборе
В узле: ---
Содержащиеся в справочниках-каталогах запасные части и детали не предлагаются к продаже, а носят исключительно информационный характер

Ваша заявка была отправлена. В ближайшее время наши специалисты с Вами свяжутся по указанному Вами телефону.

Представьтесь
Поле обязательно для заполнения
Ваш телефон
Введите правильный номер телефона
E-mail
Введите правильный e-mail
Тема
Тема
применяемость финансирование доставка цена, наличие другое сервис и гарантия
Время для звонка
08:00
08:00 09:00 10:00 11:00 12:00 13:00 14:00 15:00 16:00 17:00 18:00 19:00
19:00
08:00 09:00 10:00 11:00 12:00 13:00 14:00 15:00 16:00 17:00 18:00 19:00

Мы постараемся перезвонить в указанное время

Если вы не хотите ждать, то звоните нашим вежливым консультантам:

8 800 100-2-700
Подтвердите, что вы не робот
Подтвердите, что вы не робот
Спасибо!

Ваше сообщение успешно отправлено!

ЗакрытьПовторить попытку