Каталог запасных частей к технике: ГАЗ-5312. Гидровакуумный усилитель тормоза

zoom-in zoom-out enlarge shrink circle-right circle-left file-text2 info cart arraw right arraw left zoom out zoom in arraw maximize arraw minimize
1
1
2
2
2
3
3
3
3
4
5
6
7
8
9
10
11
12
12
13
14
14
15
15
16
16
17
18
19
20
21
22
23
24
25
26
27
28
29
30
31
32
33
33
34
35
36
36
36
36
37
38
39
40
41
42
43
44
45
46
47
48
49
50
51
52
53
54
55
56
57
58
59
60
61
62
63
64
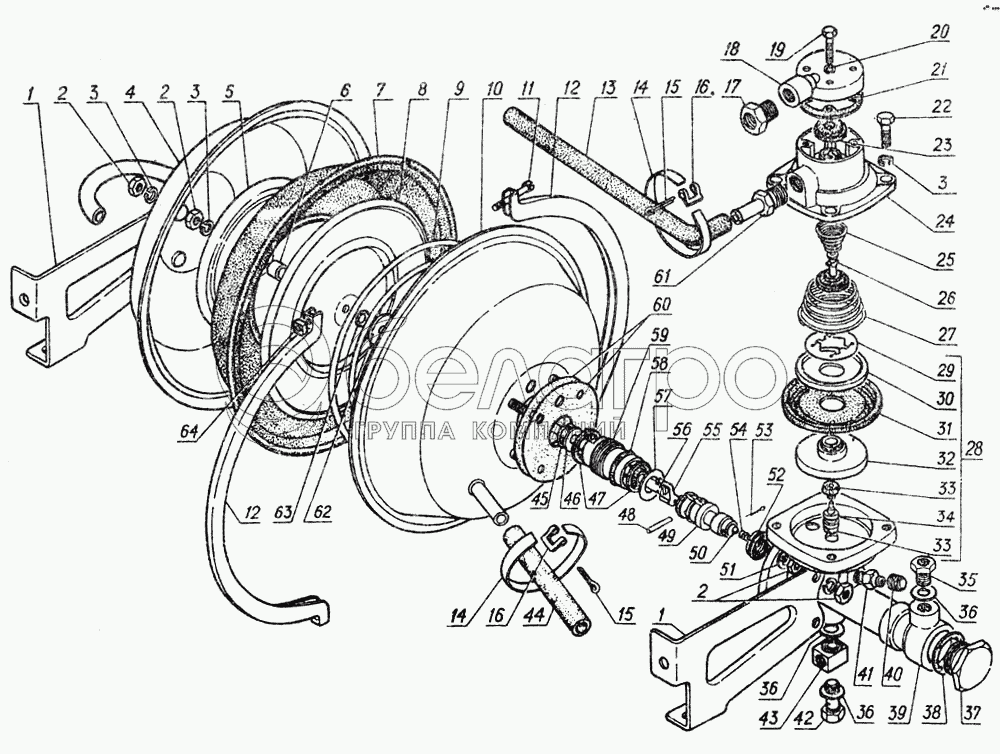
53-50-3550086-01
Корпус камеры гидровакуумного усилителя тормозов в сборе задний
В узле: ---
53-50-3550080-01
Корпус камеры гидровакуумного усилителя тормозов в сборе передний
В узле: ---
1
51П-3550092-01
Кронштейн крепления гидровакуумного усилителя тормозов
В узле: ---
2
250510-П29
Гайка М8-6Н ОСТ 37.001.124-93
В узле: ---
2
250510-П29
Гайка М8-6Н ОСТ 37.001.124-93
В узле: ---
3
252155-П2
Шайба 8Л ОСТ 37.001.115-75
В узле: ---
3
252155-П29
Шайба пружинная 8
В узле: ---
3
252155-П29
Шайба пружинная 8
В узле: ---
4
53-3550087-01
Корпус камеры гидровакуумного усилителя тормозов задний
В узле: ---
5
51ПЮ-3550072
Шайба диафрагмы гидровакуумного усилителя тормозов
В узле: ---
6
51ПЮ-3550076
Втулка распорная тарелки гидровакуумного усилителя тормозов
В узле: ---
7
51П-3550075
Диафрагма гидровакуумного усилителя тормозов
В узле: ---
8
51П-3550071
Тарелка диафрагмы гидровакуумного усилителя тормозов
В узле: ---
9
51П-3550074
Пружина диафрагмы
В узле: ---
10
53-3550081-01
Корпус камеры гидровакуумного усилителя тормозов передний
В узле: ---
11
222512-П29
Винт М5-6gх45
В узле: ---
12
51П-3550083
Хомут камеры
В узле: ---
13
13-3563030
Шланг гидровакуумного усилителя тормозов
В узле: ---
14
297582-П29
Лента 10х180
В узле: ---
15
297575-П29
Шплинт 5,6х22
В узле: ---
16
297580-П29
Пряжка
В узле: ---
17
280025-П29
Штуцер К3/8"
В узле: ---
18
24-3551070
Крышка корпуса клапана управления
В узле: ---
19
201420-П29
Болт М6-6gх20 ОСТ 37.001.123-96
В узле: ---
20
252154-П29
Шайба 6Л ОСТ 37.001.115-75
В узле: ---
21
53-3551076-02
Прокладка крышки корпуса клапана управления
В узле: ---
22
201456-П29
Болт М8-6gх20 ОСТ 37.001.123-96
В узле: ---
23
53-3551023-02
Клапан атмосферный в сборе
В узле: ---
24
53-3551012
Корпус клапана управления
В узле: ---
25
53-3551022
Пружина атмосферного клапана
В узле: ---
26
53-3551035-01
Клапан вакуумный со стержнем в сборе
В узле: ---
27
53-3551065
Пружина клапана управления
В узле: ---
28
24-3551011
Клапан управления в сборе
В узле: ---
29
293513-П2
Шайба 20
В узле: ---
30
53-3551046
Шайба диафрагмы
В узле: ---
31
24-3551045
Диафрагма клапана управления
В узле: ---
32
53-3551043
Клапан управления гидровакуумным усилителем тормозов
В узле: ---
33
53-3551058
Манжета уплотнительная поршня
В узле: ---
34
53-3551042
Поршень клапана управления
В узле: ---
35
20Ю-3506005
Штуцер гидровакуумного усилителя тормозов
В узле: ---
36
51-3506013
Прокладка
В узле: ---
36
51-3506013
Прокладка соединительного штуцера
В узле: ---
37
53-3550025
Пробка цилиндра гидровакуумного усилителя тормозов
В узле: ---
38
51П-3550024
Прокладка пробки
В узле: ---
39
53-12-3550015
Цилиндр
В узле: ---
40
12-3501049
Колпачок перепускного клапана цилиндра гидровакуумного усилителя тормозов
В узле: ---
41
53-3501048
Клапан прокачки колесного цилиндра
В узле: ---
42
51-3506012
Болт М12х1,25х28
В узле: ---
43
51-3506045
Муфта соединительная
В узле: ---
44
52-1101078-01
Шланг сливного краника
В узле: ---
45
24-3550042
Кольцо стопорное
В узле: ---
46
293374-П9
Шайба d 12
В узле: ---
47
24-3550033
Манжета уплотнительная
В узле: ---
48
45 9841 1344
Штифт 3х16
В узле: ---
49
53-12-3550029
Поршень гидровакуумного усилителя тормозов
В узле: ---
50
БУ 6.35 мм
Шарик 1/4 клапана поршня цилиндра гидровакуумного усилителя тормозов (508605)
В узле: ---
51
252175-П29
Шайба 8
В узле: ---
52
53-12-3550051
Манжета поршня уплотнительная
В узле: ---
53
258001-П
Шплинт 1,6х12 ОСТ 37.001.171-93
В узле: ---
54
53-12-3550016
Пружина клапана
В узле: ---
55
53-12-3550031
Толкатель клапана
В узле: ---
56
53-3550060-А
Толкатель поршня цилиндра
В узле: ---
57
53-12-3550048
Шайба упорная
В узле: ---
58
51П-3550036
Кольцо уплотнительное
В узле: ---
59
24-3550032
Корпус уплотнителей цилиндра гидровакуумного усилителя тормоза
В узле: ---
60
53-3550084
Прокладка цилиндра
В узле: ---
61
51ПЮ-3552035
Штуцер клапана управления
В узле: ---
62
51ПЮ-3550077
Шайба толкателя поршня
В узле: ---
63
51П-3550078
Кольцо уплотнительное гидровакуумного усилителя тормозов
В узле: ---
64
251086-П29
Гайка М5-6Н ОСТ 37.001.112-91
В узле: ---
Содержащиеся в справочниках-каталогах запасные части и детали не предлагаются к продаже, а носят исключительно информационный характер

Ваша заявка была отправлена. В ближайшее время наши специалисты с Вами свяжутся по указанному Вами телефону.

Представьтесь
Поле обязательно для заполнения
Ваш телефон
Введите правильный номер телефона
E-mail
Введите правильный e-mail
Тема
Тема
применяемость финансирование доставка цена, наличие другое сервис и гарантия
Время для звонка
08:00
08:00 09:00 10:00 11:00 12:00 13:00 14:00 15:00 16:00 17:00 18:00 19:00
19:00
08:00 09:00 10:00 11:00 12:00 13:00 14:00 15:00 16:00 17:00 18:00 19:00

Мы постараемся перезвонить в указанное время

Если вы не хотите ждать, то звоните нашим вежливым консультантам:

8 800 100-2-700
Подтвердите, что вы не робот
Подтвердите, что вы не робот
Спасибо!

Ваше сообщение успешно отправлено!

ЗакрытьПовторить попытку