Каталог запасных частей к технике: ГАЗ-5312. Кабина

zoom-in zoom-out enlarge shrink circle-right circle-left file-text2 info cart arraw right arraw left zoom out zoom in arraw maximize arraw minimize
1
1
2
3
4
5
6
7
8
9
9
9
9
9
9
9
10
10
10
11
12
12
13
14
15
16
17
18
19
20
21
22
23
24
25
26
27
28
29
30
31
31
32
33
34
35
35
36
37
38
39
40
41
42
43
44
45
45
46
46
46
47
48
49
50
51
52
52
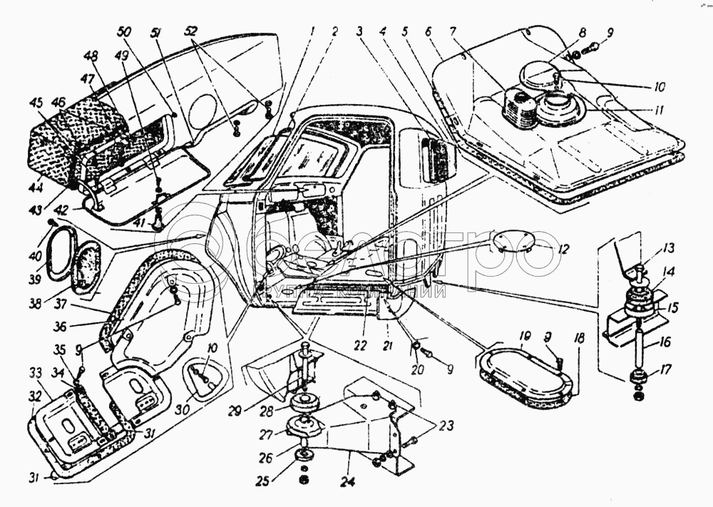
53-5000014
Кабина в сборе (окрашенная, без обивки)
В узле: ---
53-5000016
Кабина в сборе бондеризованная грунтованная с обмазкой
В узле: ---
53А-5001012
Кронштейн крепления кабины передний правый
В узле: ---
250512-П29
Гайка М10-6Н ОСТ 37.001.124-93
В узле: ---
252136-П2
Шайба 10 ОТ ОСТ 37.001.115-75
В узле: ---
252006-П29
Шайба 10 ОСТ 37.001.144-96
В узле: ---
250515- П29
Гайка M12х1,25
В узле: ---
252045-П29
Шайба 12 ОСТ 37.001.144-96
В узле: ---
293353-ПР29
Шайба d 12,5 нижняя
В узле: ---
252137-П29
Шайба 12
В узле: ---
52-5001036
Прокладка крепления кабины верхняя правая
В узле: ---
250515-П29
Гайка М12х1,25-6Н ОСТ 37.001.124-93
В узле: ---
293353-П29
Шайба 12,5
В узле: ---
252137-П29
Шайба 12
В узле: ---
53-4101838
Щиток порога пола правый в сборе
В узле: ---
53-5109014-А
Коврик пола
В узле: ---
53-5109014-7А
Коврик пола
В узле: ---
СЛ100
Стеклоочиститель в сборе (52-5205010)
В узле: ---
СЛ100-Э
Стеклоочиститель в сборе (52-70-5205010)
В узле: ---
СЛ100-Т
Стеклоочиститель в сборе (52-50-5205010)
В узле: ---
52-5206008
Стекло ветрового окна в сборе
В узле: ---
52-5301093
Пластина защитная у педалей левая в сборе
В узле: ---
293270-П29
Шайба 8,2
В узле: ---
252037-П29
Шайба 6 ОСТ 37.001.144-96
В узле: ---
252155-П2
Шайба 8Л ОСТ 37.001.115-75
В узле: ---
252134-П2
Шайба 6Т ОСТ 37.001.115-75
В узле: ---
53-5302102
Изоляция щитка передка в сборе
В узле: ---
81Б-5302250
Пистон крепления изоляции щитка передка
В узле: ---
52-5303008
Дверца вещевого ящика с ручкой в сборе
В узле: ---
252173-П29
Шайба 2-5 ОСТ 37.001.145-75
В узле: ---
252232-П29
Шайба 4
В узле: ---
52-5603014
Стекло окна задка в сборе
В узле: ---
52-5603016
Стекло окна задка, либо 52-5603016-А
В узле: ---
52-5702010
Обивка крыши в сборе
В узле: ---
52-50-5702010
Обивка крыши в сборе
В узле: ---
52-5702012
Обивка крыши
В узле: ---
52-505702012
Обивка крыши
В узле: ---
255063-П29
Заклепка 4х8 ОСТ 37.001.157-75
В узле: ---
252002-П29
Шайба 4 ОСТ 37.001.144-96
В узле: ---
52-5702056-А
Держатель обивки крыши
В узле: ---
52-6100018
Дверь бондеризованная, грунтованная правая в сборе
В узле: ---
52-6100019
Дверь бондеризованная грунтованная левая в сборе
В узле: ---
1
52-5206010
Стекло ветрового окна, либо 52-5206010-А
В узле: ---
1
52-5205010-А
Стекло ветрового окна
В узле: ---
2
52-5206050
Уплотнитель ветрового окна
В узле: ---
3
52-5603018
Уплотнитель стекла окна задка
В узле: ---
4
52-5603016-А
Стекло окна задка, либо 52-5603016
В узле: ---
5
52-5107028
Прокладка кожуха пола
В узле: ---
6
53-5107020
Кожух пола в сборе
В узле: ---
7
52-5107080
Уплотнитель кожуха пола под рычаг ручного тормоза
В узле: ---
8
53-5107088
Заглушка кожуха пола
В узле: ---
9
290513-П29
Болт М8-6gх20
В узле: ---
9
290513-П29
Болт М8-6gх20
В узле: ---
9
290513-П29
Болт М8-6gх20
В узле: ---
9
290513 П29
Болт М6х20 крепления крышки монтажного люка к щитку передка
В узле: ---
10
201416-П29
Болт М6-6gх12 ОСТ 37.001.123-96
В узле: ---
10
201416-П29
Болт М6-6gх12 ОСТ 37.001.123-96
В узле: ---
11
52-5107090
Уплотнитель кожуха пола под головку коробки перемены передач
В узле: ---
12
76-5101102-А
Заглушка отверстия в крышке пола в сборе
В узле: ---
12
76-5101102-A
Заглушка пола в сборе
В узле: ---
13
45 9326 1151
Болт М12-6gх130
В узле: ---
14
64-6025-В
Подушка крепления кабины верхняя задняя в сборе
В узле: ---
15
51-6041-Б
Гнездо верхней подушки опоры двигателя
В узле: ---
16
52-5001086
Втулка распорная крепления кабины к раме
В узле: ---
17
64-6039-А
Подушка нижняя задней опоры двигателя в сборе
В узле: ---
18
21-5101368-А
Прокладка крышки
В узле: ---
19
21-5101136
Крышка люка пола над реостатом указателя уровня бензина
В узле: ---
20
252174-П29
Шайба 2-6 ОСТ 37.001.145-75
В узле: ---
21
53-5101839
Щиток порога пола левый в сборе
В узле: ---
22
53-5101844
Прокладка щитка порога пола
В узле: ---
23
201499-П29
Болт М10-6gх30 ОСТ 37.001.123-96
В узле: ---
24
53А-5001013
Кронштейн крепления кабины передний левый
В узле: ---
25
52-5001010-Б
Прокладка крепления кабины нижняя
В узле: ---
26
52-5001082
Втулка распорная крепления кабины к раме
В узле: ---
27
52-5001016
Гнездо прокладки на кронштейне
В узле: ---
28
52-5001037
Прокладка крепления кабины верхняя левая
В узле: ---
29
45 9326 1148
Болт М12х1,25-6gх110
В узле: ---
30
53-5301387
Заглушка отверстия под педаль включения стартера
В узле: ---
31
51-1602070
Буфер педали
В узле: ---
31
51-1602070
Буфер педали
В узле: ---
32
53-5301096
Прокладка защитной пластины у педалей
В узле: ---
33
52-5301095
Пластина защитная у педалей левая
В узле: ---
34
81-5301098-Б1
Прокладка защитной пластины у педалей средняя
В узле: ---
35
252004-П29
Шайба 6 ОСТ 37.001.144-96
В узле: ---
35
252004-П29
Шайба 6 ОСТ 37.001.144-96
В узле: ---
36
53-530168
Крышка монтажного люка передка в сборе
В узле: ---
37
53-5301689
Прокладка крышки монтажного люка передка
В узле: ---
38
52-5301112
Уплотнитель щитка передка у рулевой колонки
В узле: ---
39
52-5301114
Пластина крепления уплотнителя щитка передка у рулевой колонки
В узле: ---
40
240836-П29
Винт 5х12 ОСТ 37.001.188-81
В узле: ---
41
53A-5303104
Ручка дверцы вещевого ящика в сборе
В узле: ---
42
52-5303104
Дверца вещевого ящика в сборе
В узле: ---
43
52-5303098
Буфер ограничителя дверцы вещевого ящика
В узле: ---
44
52-5303012
Ящик вещевой в сборе
В узле: ---
45
240818-П29
Винт 4х12 ОСТ 37.001.188-81
В узле: ---
45
240818-П29
Винт 4х12 ОСТ 37.001.188-81
В узле: ---
46
292647-П29
Гайка специальная
В узле: ---
46
292647-П29
Гайка специальная
В узле: ---
46
292647-П29
Гайка специальная
В узле: ---
47
240820-П29
Винт М4х18 ОСТ 37.001.188-81
В узле: ---
48
52-5303074
Упор замка вещевого ящика
В узле: ---
49
224596-П29
Винт М5-6gх8
В узле: ---
50
30-5303045
Буфер
В узле: ---
51
53-5301144
Поручень передка
В узле: ---
52
201455-П8
Болт М8-6gх18
В узле: ---
52
201455-П8
Болт М8-6gх18
В узле: ---
Содержащиеся в справочниках-каталогах запасные части и детали не предлагаются к продаже, а носят исключительно информационный характер

Ваша заявка была отправлена. В ближайшее время наши специалисты с Вами свяжутся по указанному Вами телефону.

Представьтесь
Поле обязательно для заполнения
Ваш телефон
Введите правильный номер телефона
E-mail
Введите правильный e-mail
Тема
Тема
применяемость финансирование доставка цена, наличие другое сервис и гарантия
Время для звонка
08:00
08:00 09:00 10:00 11:00 12:00 13:00 14:00 15:00 16:00 17:00 18:00 19:00
19:00
08:00 09:00 10:00 11:00 12:00 13:00 14:00 15:00 16:00 17:00 18:00 19:00

Мы постараемся перезвонить в указанное время

Если вы не хотите ждать, то звоните нашим вежливым консультантам:

8 800 100-2-700
Подтвердите, что вы не робот
Подтвердите, что вы не робот
Спасибо!

Ваше сообщение успешно отправлено!

ЗакрытьПовторить попытку