Каталог запасных частей к технике: ГАЗ-5312. Карбюратор

zoom-in zoom-out enlarge shrink circle-right circle-left file-text2 info cart arraw right arraw left zoom out zoom in arraw maximize arraw minimize
1
2
3
4
5
6
7
8
9
9
9
10
11
12
13
14
15
16
17
18
19
20
21
22
23
24
25
26
26
26
26
27
28
29
30
31
32
33
34
35
36
37
38
39
40
41
41
41
41
41
42
43
44
45
46
47
48
49
50
51
52
53
54
55
56
57
58
59
60
61
62
63
64
64
64
65
66
67
68
68
69
70
71
72
73
74
75
76
77
78
79
79
80
81
82
83
84
85
86
87
88
89
90
91
92
93
94
95
96
97
98
99
100
101
102
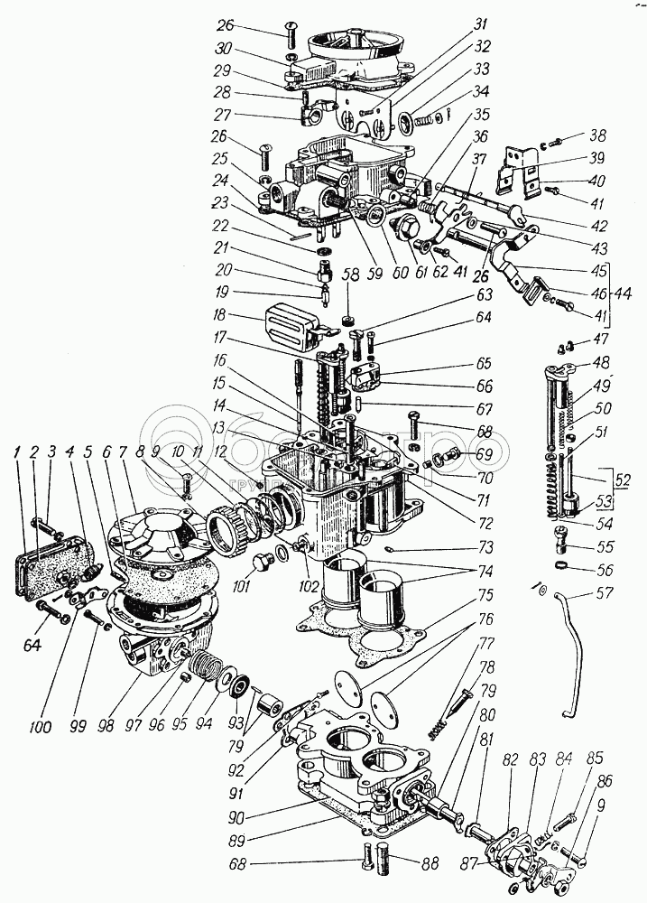
252135-П2
Шайба 8Т ОСТ 37.001.115-75
В узле: ---
250503-П29
Гайка М8х1-4Н5Н
В узле: ---
900902-0
Шайба 5
В узле: ---
К126Б-1107330-А
Клапан подачи топлива в сборе
В узле: ---
К126-1107370
Заслонка воздушная в сборе
В узле: ---
901106
Шплинт 1,0х10
В узле: ---
900901-0
Шайба 4
В узле: ---
900902-0
Шайба 5
В узле: ---
К126Б-1107200
Корпус поплавковой камеры в сборе
В узле: ---
451304
Прокладка
В узле: ---
451305
Прокладка
В узле: ---
900901-0
Шайба 4
В узле: ---
К59-1107217
Шайба
В узле: ---
451303
Прокладка
В узле: ---
К126Б-1107100
Корпус смесительной камеры с пневмоцентробежным ограничителем в сборе
В узле: ---
К126Б-1107150
Корпус смесительной камеры в сборе
В узле: ---
900903-0
Шайба 6
В узле: ---
900804-0
Гайка М8х1-6Н
В узле: ---
900904-0
Шайба пружинная 8Н65Г (ГОСТ 6402-70)
В узле: ---
К126Б-1107120
Подшипник оси привода в сборе
В узле: ---
900902-0
Шайба 5
В узле: ---
901013-0
Шайба 8,2х0,3
В узле: ---
К126Б-1107160
Механизм диафрагменный в сборе
В узле: ---
900902-0
Шайба 5
В узле: ---
901048-0
Шайба 4
В узле: ---
900812-1
Гайка
В узле: ---
900903-0
Шайба 6
В узле: ---
900901-0
Шайба 4
В узле: ---
900902-0
Шайба 5
В узле: ---
901048-0
Шайба 4
В узле: ---
901101
Шплинт
В узле: ---
53-1108009-Б
Педаль акселератора с накладкой, прокладкой и втулкой в сборе
В узле: ---
53-50-1108009-Г
Педаль акселератора с накладкой, прокладкой и втулкой в сборе
В узле: ---
53-1108010
Педаль акселератора в сборе
В узле: ---
53-50-1108010-Б
Педаль акселератора в сборе
В узле: ---
1
К126Б-1107182
Крышка
В узле: ---
2
К126Б-1107181-А
Прокладка крышки
В узле: ---
3
220050-П29
Винт М4-6gх8 ОСТ 37.001.127-81
В узле: ---
4
К126Б-1107158-11
Пружина ограничительная
В узле: ---
5
К126Б-1107161
Винт пружины
В узле: ---
6
К126Б-1107170
Диафрагма в сборе
В узле: ---
7
К126Б-1107175
Крышка в сборе
В узле: ---
8
K126H-1107216
Гайка
В узле: ---
9
220079-П29
Винт М5-6gх14
В узле: ---
9
22079-П29
Винт
В узле: ---
10
К126-1107228-А
Прокладка
В узле: ---
11
К126-1107225
Стекло
В узле: ---
12
451603
Заглушка
В узле: ---
13
К21-1107244
Шарик
В узле: ---
14
К126Б-1107226
Трубка эмульсионная
В узле: ---
15
К126Б-1107205
Жиклер топливный
В узле: ---
16
К126-1107204
Кольцо стопорное
В узле: ---
17
К126Б-1107210-А
Привод ускорительного насоса в сборе
В узле: ---
18
К124-1107320-А
Поплавок в сборе
В узле: ---
19
К126Н-1107331
Игла клапана подачи горючего
В узле: ---
20
К126Н-1107333
Шайба
В узле: ---
21
К126Б-1107332Б
Корпус клапана подачи горючего
В узле: ---
22
451305
Прокладка
В узле: ---
23
114-1107304
Ось поплавка
В узле: ---
24
К126-1107012-А
Прокладка поплавковой камеры
В узле: ---
25
К126Б-1107301
Крышка поплавковой камеры
В узле: ---
26
220081-П29
Винт М5-6gх18 ОСТ 37.001.127-81
В узле: ---
26
220081-П29
Винт М5-6gх18 ОСТ 37.001.127-81
В узле: ---
27
К126Б-1107355
Вилка в сборе
В узле: ---
28
СЛ22-5205502
Винт стопорный
В узле: ---
29
К126Б-1107021
Прокладка фланца
В узле: ---
30
К126Б-1107022
Фланец крышки
В узле: ---
31
К126П-1107138
Винт воздушной заслонки
В узле: ---
32
К126-1107375
Заслонка воздушная в осью клапана в сборе
В узле: ---
33
К24-1107423
Клапан воздушной заслонки
В узле: ---
34
К123А-1107321
Пружина
В узле: ---
35
К23-70
Втулка пружины рычага привода воздушной заслонки
В узле: ---
36
К126Б-1107309
Пружина
В узле: ---
37
К126Б-1107308
Пружина
В узле: ---
38
220077-П29
Винт М5-6gх10 ОСТ 37.001.127-81
В узле: ---
39
К23-55
Зажим кронштейна тяги воздушной заслонки
В узле: ---
40
К126Б-1107302
Кронштейн
В узле: ---
41
900507-1
Болт
В узле: ---
41
900507-1
Болт
В узле: ---
41
900507-1
Болт
В узле: ---
42
К126Б-1107310
Ось воздушной заслонки в сборе
В узле: ---
43
901017-0
Шайба 5,2х1
В узле: ---
44
К126Б-1107350
Ось привода насоса в сборе
В узле: ---
45
К126Б-1107345
Ось привода насоса с рычагом в сборе
В узле: ---
46
К126Б-1107353
Планка
В узле: ---
47
К25А-1107228
Гайка установочная
В узле: ---
48
К126Б-1107215
Планка в сборе
В узле: ---
49
К36-1107014
Пружина поршня
В узле: ---
50
К30-1107115
Пружина поршня
В узле: ---
51
К124-1107218
Шток привода экономайзера
В узле: ---
52
К126Б-1107240
Поршень в сборе
В узле: ---
53
К126Ж-1107242
Манжета
В узле: ---
54
К34-1107013
Пружина
В узле: ---
55
К126Б-1107280
Клапан экономайзера в сборе
В узле: ---
56
901717-0
Прокладка распылителя
В узле: ---
57
К126Б-1107024
Тяга малых оборотов
В узле: ---
58
К126Б-1107231
Жиклер воздушный главной системы
В узле: ---
59
К59-1107325
Сетка фильтра в сборе
В узле: ---
60
451306
Прокладка
В узле: ---
61
К124-1107327
Пробка фильтра
В узле: ---
62
К126Б-1107315
Рычаг привода воздушной заслонки в сборе
В узле: ---
63
К126П-1107246
Винт топливопроводящий
В узле: ---
64
220056-П29
Винт М4-6gх20
В узле: ---
64
220056-П29
Винт М4-6gх20
В узле: ---
65
К126Б-1107208
Распылитель
В узле: ---
66
К126-1107209-А
Прокладка распылителя
В узле: ---
67
К21-1107218
Клапан нагнетательный
В узле: ---
68
К28Б-1107025
Болт М6-6gх1
В узле: ---
69
451502
Пробка
В узле: ---
70
906509-0
Жиклер холостого хода воздушный
В узле: ---
71
К126Б-1107224
Диффузор малый
В узле: ---
72
К126Б-1107201
Корпус поплавковой камеры
В узле: ---
73
451601
Заглушка
В узле: ---
74
К126Б-1107013
Диффузор
В узле: ---
75
К126-1107014-А
Прокладка смесительной камеры
В узле: ---
76
К126Б-1107102
Заслонка дроссельная
В узле: ---
77
907103-0
Пружина регулировочного винта холостого хода
В узле: ---
78
105-0-1107103
Винт регулировочный холостого хода
В узле: ---
79
942/8
Подшипник в сборе
В узле: ---
80
К126Б-1107110-Б
Ось дроссельных заслонок в сборе
В узле: ---
81
К126Б-1107125
Ось привода в сборе
В узле: ---
82
К126Б-1107109-А
Прокладка
В узле: ---
83
К126Б-1107126
Подшипник оси привода в сборе
В узле: ---
84
К13-1107113
Пружина
В узле: ---
85
К21-1107108
Винт холостого хода
В узле: ---
86
К126Б-1107127
Рычаг дроссельных заслонок
В узле: ---
87
К126Б-1107131
Винт упора
В узле: ---
88
291747-П2
Шпилька М8х1-4hх22
В узле: ---
89
49-1107015
Прокладка между карбюратором и впускной трубой
В узле: ---
90
К126Б-1107101
Корпус смесительной камеры
В узле: ---
91
К126Б-1107154-А
Прокладка
В узле: ---
92
220003-1
Винт
В узле: ---
93
К126Б-1107151
Манжета
В узле: ---
94
К126Б-1107152
Шайба манжеты
В узле: ---
95
К126Б-1107153
Пружина
В узле: ---
96
К126Б-1107168
Жиклер вакуумный
В узле: ---
97
К126Б-1107167
Жиклер воздушный
В узле: ---
98
К126Б-1107166
Корпус диафрагменного механизма
В узле: ---
99
220080-П29
Винт М5-6gх16
В узле: ---
100
К126Б-1104155
Рычаг в сборе
В узле: ---
101
451513
Пробка
В узле: ---
102
К126Б-1107202-А
Жиклер главный
В узле: ---
Содержащиеся в справочниках-каталогах запасные части и детали не предлагаются к продаже, а носят исключительно информационный характер

Ваша заявка была отправлена. В ближайшее время наши специалисты с Вами свяжутся по указанному Вами телефону.

Представьтесь
Поле обязательно для заполнения
Ваш телефон
Введите правильный номер телефона
E-mail
Введите правильный e-mail
Тема
Тема
применяемость финансирование доставка цена, наличие другое сервис и гарантия
Время для звонка
08:00
08:00 09:00 10:00 11:00 12:00 13:00 14:00 15:00 16:00 17:00 18:00 19:00
19:00
08:00 09:00 10:00 11:00 12:00 13:00 14:00 15:00 16:00 17:00 18:00 19:00

Мы постараемся перезвонить в указанное время

Если вы не хотите ждать, то звоните нашим вежливым консультантам:

8 800 100-2-700
Подтвердите, что вы не робот
Подтвердите, что вы не робот
Спасибо!

Ваше сообщение успешно отправлено!

ЗакрытьПовторить попытку