Каталог запасных частей к технике: ГАЗ-5312. Масляный радиатор и фильтр масляный

zoom-in zoom-out enlarge shrink circle-right circle-left file-text2 info cart arraw right arraw left zoom out zoom in arraw maximize arraw minimize
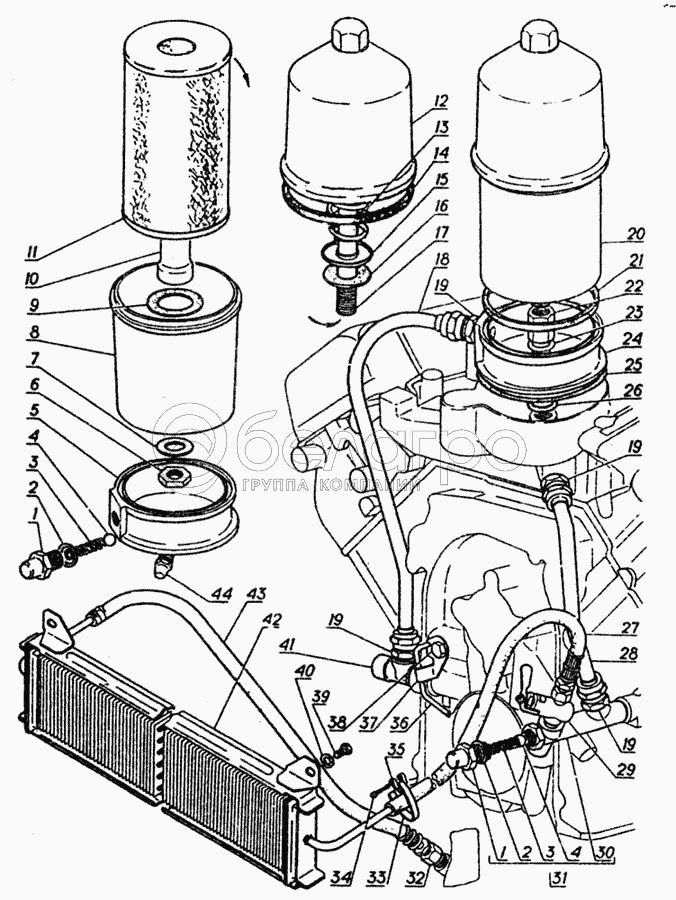
1
1
1
2
2
2
3
3
3
4
4
4
5
6
7
8
9
10
11
12
13
14
15
16
17
18
19
19
19
19
20
21
22
23
24
25
26
27
27
28
29
29
30
31
32
33
34
35
36
37
38
39
40
41
42
43
43
44
1
296499-П8
Пробка М18х1,5
В узле: ---
1
296494-П8
Пробка М18х1,5х12
В узле: ---
2
293469-П
Шайба 18
В узле: ---
2
293469-П
Шайба 18
В узле: ---
3
202-6092
Пружина перепускного клапана масляного радиатора
В узле: ---
3
202-6092
Пружина перепускного клапана масляного радиатора
В узле: ---
4
Б1У 11,906 мм
Шарик клапана (353087-S)
В узле: ---
4
Б1У 11,906 мм П
Шарик диам. 11,9 разжимного механизма стояночного тормоза (353087-8)
В узле: ---
5
53-11-1017039-10
Проставка
В узле: ---
6
250638-П2
Гайка M18-1,5
В узле: ---
7
252018-П2
Шайба плоская диаметром 18 мм гайки крепления оси заднего ушка передней рессоры
В узле: ---
8
53-11-1017017
Корпус фильтра (нижняя часть)
В узле: ---
9
53-11-1017142
Прокладка фильтрующего элемента
В узле: ---
10
53-11-1017317
Трубка корпуса фильтра
В узле: ---
11
6Г-53-11-1017140
Элемент фильтрующий
В узле: ---
12
53-11-1017016
Корпус фильтра - верхняя часть
В узле: ---
13
13-3402076
Пружина
В узле: ---
14
53-11-1017065
Прокладка корпуса фильтра
В узле: ---
15
24-1017099-01
Шайба опорная
В узле: ---
16
24-1017062-10
Кольцо уплотнительное
В узле: ---
17
53-11-1017031-10
Стержень фильтра
В узле: ---
18
53-11-1017085-20
Трубка выпускная масляного фильтра в сборе
В узле: ---
19
53-11-1017393-10
Штуцер
В узле: ---
20
53-11-1017010-11
Фильтр тонкой очистки масла в сборе
В узле: ---
21
53-11-1017064
Прокладка фильтра
В узле: ---
22
53-11-1017392-10
Штуцер К 3/8"
В узле: ---
23
293469-П
Шайба 18
В узле: ---
24
53-11-1017038-10
Проставка с перепускным клапаном в сборе
В узле: ---
25
53-11-1017329
Прокладка проставки
В узле: ---
26
53-11-1017062
Кольцо уплотнительное
В узле: ---
27
29ю-1013100-21
Шланг масляного радиатора впускной в сборе
В узле: ---
27
69-1013100-21
Шланг масляного радиатора впускной в сборе
В узле: ---
28
53-11-1017112-20
Трубка впускная масляного фильтра в сборе
В узле: ---
29
ПП6-1-Т
Краник запорный масляного радиатора в сборе (Г-51 ю-1013140-02)
В узле: ---
29
ПП6-1-Э
Краник запорный масляного радиатора в сборе (Г-51-1013140-02),
В узле: ---
30
53-1013097
Корпус клапана масляного радиатора
В узле: ---
31
53-11-1013095
Клапан масляного радиатора
В узле: ---
32
298339-П29
Штуцер КГ 1/4"
В узле: ---
33
297581-П29
Лента 10х160
В узле: ---
34
297575-П8
Шплинт хомутика
В узле: ---
35
297580-П29
Пряжка
В узле: ---
36
53-11-1006049
Трубка смазки распределительных шестерен
В узле: ---
37
53-11-1006267
Скоба крепления трубки смазки распределительных шестерен
В узле: ---
38
201491-П
Болт M10х1.5х22
В узле: ---
39
201452-П8
Болт М8х1,25х12
В узле: ---
40
293270-П29
Шайба 8,2
В узле: ---
41
53-11-1017393-10
Штуцер
В узле: ---
42
66-1013010-14
Масляный радиатор в сборе
В узле: ---
43
53-50-1013100-01
Шланг выпускной радиатора в сборе
В узле: ---
43
53А-1013100-01
Шланг масляного радиатора выпускной в сборе
В узле: ---
44
353052-П29
Пробка К1/4"
В узле: ---
Содержащиеся в справочниках-каталогах запасные части и детали не предлагаются к продаже, а носят исключительно информационный характер

Ваша заявка была отправлена. В ближайшее время наши специалисты с Вами свяжутся по указанному Вами телефону.

Представьтесь
Поле обязательно для заполнения
Ваш телефон
Введите правильный номер телефона
E-mail
Введите правильный e-mail
Тема
Тема
применяемость финансирование доставка цена, наличие другое сервис и гарантия
Время для звонка
08:00
08:00 09:00 10:00 11:00 12:00 13:00 14:00 15:00 16:00 17:00 18:00 19:00
19:00
08:00 09:00 10:00 11:00 12:00 13:00 14:00 15:00 16:00 17:00 18:00 19:00

Мы постараемся перезвонить в указанное время

Если вы не хотите ждать, то звоните нашим вежливым консультантам:

8 800 100-2-700
Подтвердите, что вы не робот
Подтвердите, что вы не робот
Спасибо!

Ваше сообщение успешно отправлено!

ЗакрытьПовторить попытку