Каталог запасных частей к технике: ГАЗ-5312. Пусковое оборудование

zoom-in zoom-out enlarge shrink circle-right circle-left file-text2 info cart arraw right arraw left zoom out zoom in arraw maximize arraw minimize
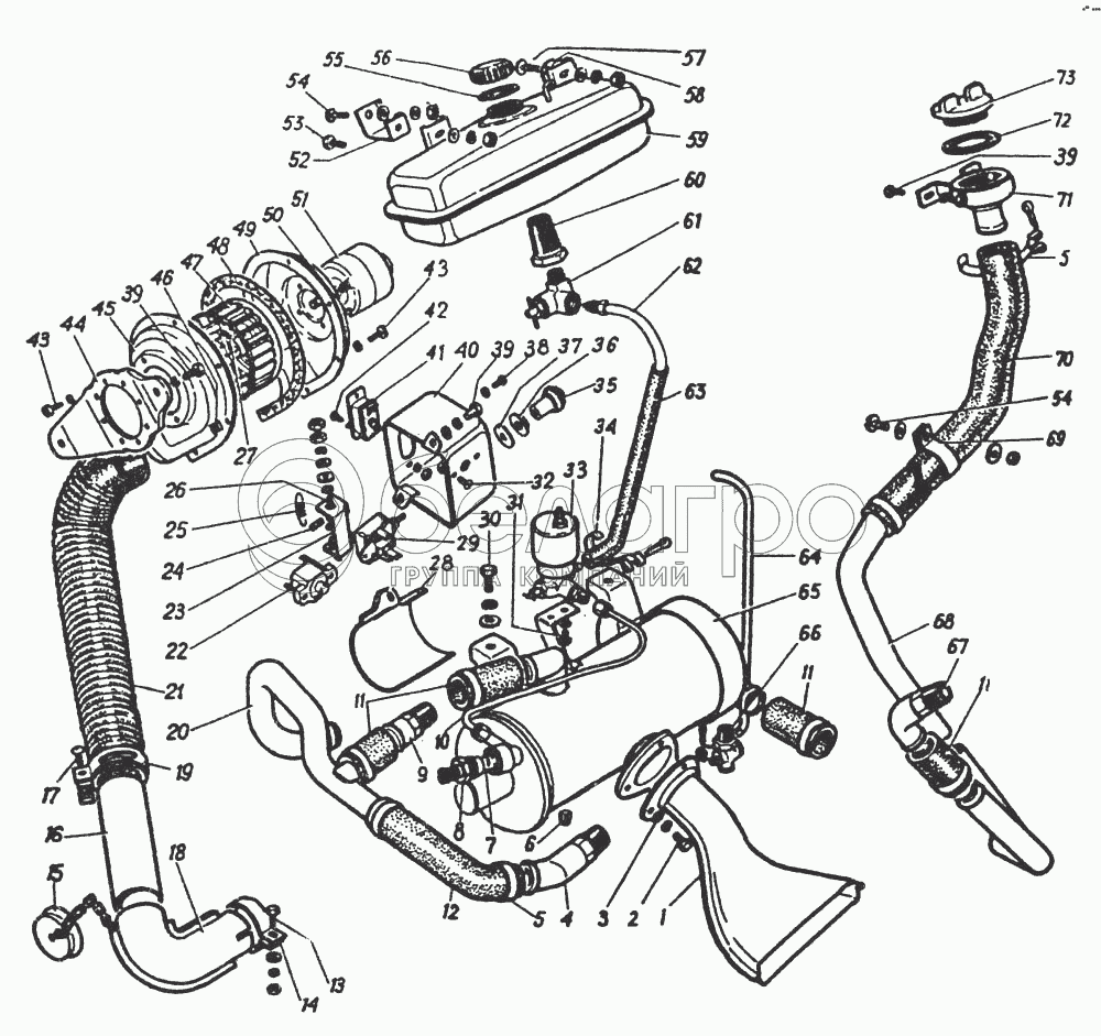
1
2
3
3
4
5
5
6
7
8
9
10
11
11
11
12
13
14
15
16
17
18
19
20
21
22
23
24
25
26
27
28
29
30
31
32
33
34
35
36
37
38
39
39
39
39
40
41
41
42
43
43
44
45
46
47
48
49
50
51
52
53
54
54
55
56
57
58
59
60
61
62
63
64
65
66
67
68
69
70
71
72
73
29
П-305
Переключатель электровентилятора и электромагнитного клапана в сборе (20-3709010-Б2)
В узле: ---
П-305 Переключатель МТЗ, 3 положения, старого образца, (А) >10 шт. 129.36 р.
П-305 Переключатель света, 3 положения, с/о Под заказ 169 р.
252135-П29
Шайба 8Т
В узле: ---
293277-П29
Шайба 8,5
В узле: ---
252134-П29
Шайба 6
В узле: ---
258001-П29
Шплинт 1,6х12 ОСТ 37.001.171-93
В узле: ---
250508-П29
Гайка М6-6Н ОСТ 37.001.124-93
В узле: ---
3
252004-П29
Шайба 6 ОСТ 37.001.144-96
В узле: ---
258025-П29
Шплинт 2,5х20 ОСТ 37.001.171-93
В узле: ---
53А-1015346
Труба воздухоподводящая подогревателя со шлангом в сборе
В узле: ---
251086-П29
Гайка М5-6Н ОСТ 37.001.112-91
В узле: ---
53А-1015027
Горловина заливная подогревателя с пробкой в сборе
В узле: ---
293580-П29
Шайба d 9
В узле: ---
252037-П29
Шайба 6 ОСТ 37.001.144-96
В узле: ---
297575-П29
Шплинт 5,6х22
В узле: ---
297580
Пряжка
В узле: ---
53А-1015450
Бачок топливный пускового подогревателя с пробкой в сборе
В узле: ---
293280-П29
Шайба 9
В узле: ---
53А-1015412
Трубка топливного бачка пускового подогревателя со шлангом в сборе
В узле: ---
297580-П29
Пряжка
В узле: ---
53-1015545
Электровентилятор пускового подогревателя с кронштейном в сборе
В узле: ---
252152-П29
Шайба 4Л
В узле: ---
53-1015582
Корпус контрольной спирали со спиралью в сборе
В узле: ---
252002-П29
Шайба 4 ОСТ 37.001.144-96
В узле: ---
53-1015599
Шайба изолирующая малая
В узле: ---
53-1015597
Шайба изолирующая
В узле: ---
250608-П29
Гайка М6-6Н ОСТ 37.001.124-93
В узле: ---
252154-П29
Шайба 6Л ОСТ 37.001.115-75
В узле: ---
251083-П29
Гайка М5
В узле: ---
1
53-1015035-А
Патрубок газоотводящий подогревателя в сборе
В узле: ---
2
201417-П29
Болт М6-6gх14 ОСТ 37.001.123-96
В узле: ---
4
53-1015066
Штуцер подводящий пускового подогревателя правый
В узле: ---
5
297586-П29
Лента 10х290
В узле: ---
6
262542-П29
Пробка КГ 1/4"
В узле: ---
7
СР-65А
Свеча горелки подогревателя
В узле: ---
8
ОВ65-0822
Гайка поджимная свечи подогревателя
В узле: ---
9
53-1015085-А
Штуцер подводящий пускового подогревателя левый
В узле: ---
10
53А-1015418-01
Трубка бензопровода подогревателя в сборе
В узле: ---
11
69-1015048-01
Шланг трубы котла пускового подогревателя
В узле: ---
12
53-1015048-01
Шланг подводящей трубы пускового подогревателя
В узле: ---
13
201422-П29
Болт М6-6gх25 ОСТ 37.001.123-96
В узле: ---
14
53-1015349
Хомут крепления воздухоподводящего патрубка подогревателя
В узле: ---
15
53-1015342
Крышка воздухопроводящего патрубка пускового подогревателя
В узле: ---
16
53А-1015347
Труба воздухоподводящая пускового подогревателя
В узле: ---
17
220086-П29
Винт М5-6gх30 ОСТ 37.001.127-81
В узле: ---
18
53А-1015339
Патрубок воздухоподводящий подогревателя в сборе
В узле: ---
19
288014-П29
Хомут 48
В узле: ---
20
53-1015076-01
Труба подводящая в сборе
В узле: ---
21
52-8101436-01
Шланг
В узле: ---
22
ПР2-Б
Предохранитель на 20А
В узле: ---
23
53-1015585
Корпус контрольной спирали пульта управления
В узле: ---
24
242469-П29
Винт М5-6gх8
В узле: ---
25
53-1015590
Спираль контрольная пульта управления
В узле: ---
26
53-1015593
Болт крепления контрольной спирали
В узле: ---
27
242471-П29
Винт М5-6gх12 ОСТ 37.001.132-82
В узле: ---
28
53-1015069
Экран нижнего шланга подводящей трубы пускового подогревателя
В узле: ---
30
201457-П29
Болт М8-6gх22 ОСТ 37.001.123-96
В узле: ---
31
375-1015379
Болт М6х9 крепления электромагнитного клапана
В узле: ---
32
220081-П29
Винт М5-6gх18 ОСТ 37.001.127-81
В узле: ---
33
ПЖБ12-1015500-В
Клапан электромагнитный в сборе
В узле: ---
34
297581-П29
Лента 10х160
В узле: ---
35
51-3709051-Б
Ручка
В узле: ---
36
21-3709030
Гайка
В узле: ---
37
21-3709038
Шайба прокладочная
В узле: ---
38
220048-П29
Винт М4-6gх6
В узле: ---
39
201416-П29
Болт М6-6gх12 ОСТ 37.001.123-96
В узле: ---
40
53-1015575-01
Корпус пульта управления пусковым подогревателем в сборе
В узле: ---
41
ВК-57-Э
Предохранитель электрической цепи пускового подогревателя в сборе (12-3722220), (21К-3722220),
В узле: ---
41
ВК-57-Т
Предохранитель электрической цепи пускового подогревателя в сборе (12Ю-372220)
В узле: ---
43
224570-П29
Винт М4-6gх8 ОСТ 37.001.130-81
В узле: ---
44
53-1015555-01
Кронштейн электровентилятора
В узле: ---
45
30-8102020
Крышка корпуса вентилятора в сборе
В узле: ---
46
251080-П29
Гайка М4
В узле: ---
47
81Щ-8102030
Ротор вентилятора в сборе
В узле: ---
48
30-8102026
Прокладка
В узле: ---
49
30-8102016
Корпус вентилятора
В узле: ---
50
30-5303045
Буфер
В узле: ---
51
МЭ202
Электромотор вентилятора пускового подогревателя (66-8102080)
В узле: ---
52
53А-1015499
Кронштейн переходный крепления топливного бачка подогревателя
В узле: ---
53
201418-П29
Болт М6-6gх16 ОСТ 37.001.123-96
В узле: ---
54
290502-П29
Болт М6-6gх14
В узле: ---
55
53-1015479-А
Прокладка пробки топливного бачка подогревателя
В узле: ---
56
53-1015468
Пробка топливного бачка подогревателя
В узле: ---
57
210360-П29
Болт М6-6gх30
В узле: ---
58
53-1015498
Втулка переходная крепления топливного бачка подогревателя
В узле: ---
59
53А-1015455
Бачок топливный подогревателя в сборе
В узле: ---
60
53-1015480-А
Фильтр бачка со штуцером в сборе
В узле: ---
61
ВП5
Краник топливного бачка подогревателя
В узле: ---
62
49Б-1015410
Трубка топливного бачка пускового подогревателя
В узле: ---
63
63-1013101-А2
Шланг
В узле: ---
64
53-1305025-Б
Рычаг управления краником подогревателя
В узле: ---
65
53А-1015700-10
Теплообменник в сборе
В узле: ---
66
ПС7-11
Краник сливной
В узле: ---
67
53-1015082
Штуцер отводящий
В узле: ---
68
53А-1015055
Труба заливная подогревателя с отводящей трубой в сборе
В узле: ---
69
53А-1015374
Держатель шлангов
В узле: ---
70
53А-1015063-01
Шланг заливной горловины пускового подогревателя
В узле: ---
71
53А-1015050
Горловина заливная подогревателя в сборе
В узле: ---
72
51-3909083-Б
Прокладка пробки бачка
В узле: ---
73
53А-1015064
Пробка фланца заливной горловины
В узле: ---
Содержащиеся в справочниках-каталогах запасные части и детали не предлагаются к продаже, а носят исключительно информационный характер

Ваша заявка была отправлена. В ближайшее время наши специалисты с Вами свяжутся по указанному Вами телефону.

Представьтесь
Поле обязательно для заполнения
Ваш телефон
Введите правильный номер телефона
E-mail
Введите правильный e-mail
Тема
Тема
применяемость финансирование доставка цена, наличие другое сервис и гарантия
Время для звонка
08:00
08:00 09:00 10:00 11:00 12:00 13:00 14:00 15:00 16:00 17:00 18:00 19:00
19:00
08:00 09:00 10:00 11:00 12:00 13:00 14:00 15:00 16:00 17:00 18:00 19:00

Мы постараемся перезвонить в указанное время

Если вы не хотите ждать, то звоните нашим вежливым консультантам:

8 800 100-2-700
Подтвердите, что вы не робот
Подтвердите, что вы не робот
Спасибо!

Ваше сообщение успешно отправлено!

ЗакрытьПовторить попытку