Каталог запасных частей к технике: ГАЗ-5312. Реле-регулятор

zoom-in zoom-out enlarge shrink circle-right circle-left file-text2 info cart arraw right arraw left zoom out zoom in arraw maximize arraw minimize
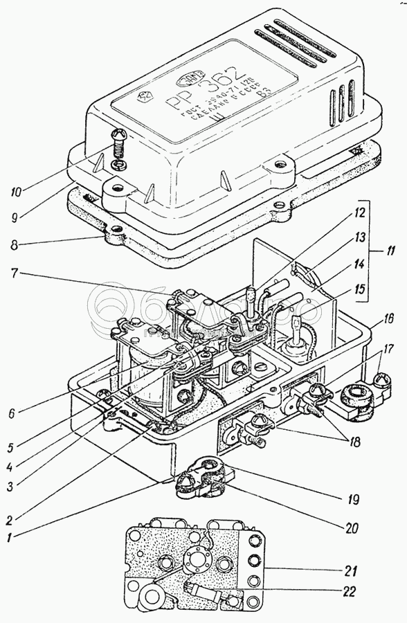
1
2
3
4
5
6
7
8
9
10
11
12
13
14
15
16
17
18
19
20
21
22
5-082
Шайба
В узле: ---
PP362-3702560-E
Сопротивление 42 Ом
В узле: ---
PP362-3702550-E
Сопротивление комбинированное
В узле: ---
РР362-3702511-Е
Панель
В узле: ---
PP362-3702620
Якорь реле защиты в сборе
В узле: ---
PP362-3702519-E
Прокладка изоляционная нижняя
В узле: ---
X-4003
Гайка крепления регулятора напряжения к панели
В узле: ---
X-4001
Шайба пружинная
В узле: ---
8X-1497
Шайба
В узле: ---
PP362-3702520
Болт клеммовый
В узле: ---
H-1214
Шайба
В узле: ---
4-082
Шайба
В узле: ---
PP362-3702430
Угольник с держателями контактов
В узле: ---
PP362-3702420
Якорь регулятора напряжения в сборе
В узле: ---
PP24-3702418
Пружина
В узле: ---
8X-1497
Шайба
В узле: ---
H-4267
Винт крепления транзистора
В узле: ---
5-082
Шайба
В узле: ---
4-082
Шайба
В узле: ---
8X-1497
Шайба
В узле: ---
6-082
Шайба пружинная
В узле: ---
РР362-3702101-Л
Основание
В узле: ---
РР362-3702110-Б
Клемма
В узле: ---
3-082
Шайба пружинная
В узле: ---
X-4003
Гайка крепления регулятора напряжения к панели
В узле: ---
PP362-3802804
Вывод с наконечником
В узле: ---
5-082
Шайба
В узле: ---
PP362-3702630
Держатель с контактом и угольником реле защиты в сборе
В узле: ---
PP24-3702402
Катушка регулятора
В узле: ---
1
PP24-3702022
Втулка
В узле: ---
2
H-5003
Винт крепления панели и панели теплоотвода к основанию
В узле: ---
3
PP362-3702500-EH
Панель в сборе
В узле: ---
4
МЛТ-0,5-240 ОМ+/-5% ГОСТ 5172-72
Резистор
В узле: ---
5
PP362-3702600 ГX-4003
Реле защиты в сборе
В узле: ---
6
PP362-3702400-E
Регулятор напряжения в сборе
В узле: ---
7
PP315-3702419
Втулка изоляционная
В узле: ---
8
PP362-3702008
Прокладка уплотнительная
В узле: ---
9
РР362-3702003-А
Крышка
В узле: ---
10
8Х-1549
Винт крепления крышки
В узле: ---
11
PP362-3702800
Блок полупроводниковый
В узле: ---
12
КД 202-B (УЖ3.362.036.ТУ)
Диод
В узле: ---
13
П217(СИ3.365.017.ТУ)
Транзистор
В узле: ---
14
PP362-3702810-A2
Теплооотвод с панелью в сборе
В узле: ---
15
Д242(аА0336.206.ТУ)
Диод
В узле: ---
16
PP362-3702100
Основание с выводами и клеммами в сборе
В узле: ---
17
7X-1598
Винт крепления кронштейна к скобе
В узле: ---
18
Вк14-3708053
Скоба
В узле: ---
19
PP362-3702113
Кронштейн
В узле: ---
20
PP24-3702006
Втулка амортизационная
В узле: ---
21
РР362-3702510-Ж
Панель с сопротивлениями в сборе
В узле: ---
22
МЛТ-2-62 0М±5%
Резистор
В узле: ---
Содержащиеся в справочниках-каталогах запасные части и детали не предлагаются к продаже, а носят исключительно информационный характер

Ваша заявка была отправлена. В ближайшее время наши специалисты с Вами свяжутся по указанному Вами телефону.

Представьтесь
Поле обязательно для заполнения
Ваш телефон
Введите правильный номер телефона
E-mail
Введите правильный e-mail
Тема
Тема
применяемость финансирование доставка цена, наличие другое сервис и гарантия
Время для звонка
08:00
08:00 09:00 10:00 11:00 12:00 13:00 14:00 15:00 16:00 17:00 18:00 19:00
19:00
08:00 09:00 10:00 11:00 12:00 13:00 14:00 15:00 16:00 17:00 18:00 19:00

Мы постараемся перезвонить в указанное время

Если вы не хотите ждать, то звоните нашим вежливым консультантам:

8 800 100-2-700
Подтвердите, что вы не робот
Подтвердите, что вы не робот
Спасибо!

Ваше сообщение успешно отправлено!

ЗакрытьПовторить попытку