Каталог запасных частей к технике: ГАЗ-5312. Сцепление

zoom-in zoom-out enlarge shrink circle-right circle-left file-text2 info cart arraw right arraw left zoom out zoom in arraw maximize arraw minimize
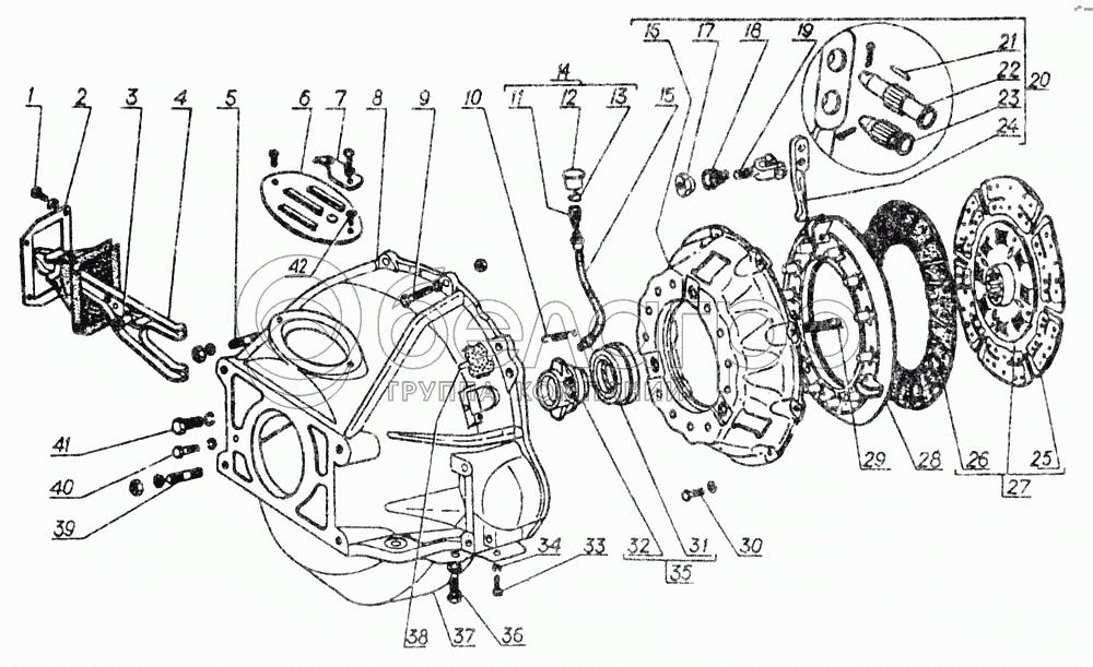
1
2
3
4
4
5
6
7
8
9
10
11
12
13
14
15
16
16
17
18
19
19
20
20
21
22
23
24
25
26
27
27
28
29
30
31
32
33
34
35
36
37
37
38
39
40
41
42
20
53-1601090-11
Диск сцепления нажимной с кожухом в сборе
В узле: ---
53-1601090-11 Диск сцепления нажимной (корзина рычажная) (А) Под заказ 6 176.08 р.
253863-П
Заклепка 4х5
В узле: ---
258023-П8
Шплинт 2,5х12
В узле: ---
252135-П2
Шайба 8Т ОСТ 37.001.115-75
В узле: ---
53-50-1601094
Рычаг оттяжной нажимного диска сцепления в сборе
В узле: ---
53-1601094
Рычаг оттяжной нажимного диска сцепления в сборе
В узле: ---
63-1601136
Шайба регулировочная демпфера диска сцепления
В узле: ---
63-1601142-А
Ступица диска сцепления
В узле: ---
63-1601145
Шайба фрикционная демпфера диска сцепления
В узле: ---
252178-П8
Шайба 14 пружинная
В узле: ---
250551-П8
Гайка М14х1,5
В узле: ---
252156-П2
Шайба 10Л ОСТ 37.001.115-75
В узле: ---
252154-П2
Шайба 6Л ОСТ 37.001.115-75
В узле: ---
66-1601150
Пружина демпфера диска сцепления
В узле: ---
63-1601153-01
Пластина демпфера диска сцепления
В узле: ---
292779-П8
Гайка М10х1-4Н5Н
В узле: ---
293907-П
Заклепка 4х6
В узле: ---
293913-П
Заклепка 4х7
В узле: ---
293340-П8
Шайба 10,5
В узле: ---
250512-П8
Гайка М10-6Н
В узле: ---
293312-П8
Шайба 10
В узле: ---
252176-П8
Шайба 10 пружинная
В узле: ---
1
201416-П8
Болт М6-6gх12
В узле: ---
2
52-1601048
Рамка чехла вилки подшипника выключения сцепления
В узле: ---
3
11-7576
Опора шаровая вилки подшипника выключения сцепления
В узле: ---
4
52-50-1601201
Вилка подшипника выключения сцепления с чехлом в сборе
В узле: ---
4
52-1601201
Вилка подшипника выключения сцепления с чехлом в сборе
В узле: ---
5
216257-П8
Шпилька М10х1-4hх22
В узле: ---
6
52-1601022
Крышка люка картера сцепления
В узле: ---
7
52-1601260-А
Кронштейн масленки муфты выключения сцепления в сборе
В узле: ---
8
66-1601015-11
Картер сцепления, верхняя часть
В узле: ---
9
291498-П8
Болт М10-6gх45
В узле: ---
10
11-7562
Пружина оттяжная муфты подшипника выключения сцепления
В узле: ---
11
51-1601252
Корпус масленки подшипника выключения сцепления в сборе
В узле: ---
12
М-7559
Крышка масленки
В узле: ---
13
М-7553
Пружина стопорная крышки масленки подшипника выключения сцепления
В узле: ---
14
51-1601250
Масленка в сборе
В узле: ---
15
52-1601230
Шланг смазки подшипника выключения сцепления в сборе
В узле: ---
16
53-1601125-01
Кожух
В узле: ---
16
53-50-1601125-01
Кожух
В узле: ---
17
53-1601178
Гайка регулировочная
В узле: ---
18
53-1601105-А
Пружина вилки оттяжного рычага
В узле: ---
19
53-50-1601108
Вилка опорная оттяжного рычага нажимного диска сцепления
В узле: ---
19
53-1601108
Вилка опорная оттяжного рычага нажимного диска сцепления
В узле: ---
20
53-50-1601090-11
Диск нажимной в сборе
В узле: ---
21
1,611,8 ГОСТ 6870-72
Ролик игольчатый 1,6х12 подшипника оттяжного рычага нажимного диска сцепления (53-1601109)
В узле: ---
22
53-1601110
Палец игольчатого подшипника оттяжного рычага нажимного диска сцепления
В узле: ---
23
53-1601112
Палец вилки
В узле: ---
24
53-1601095-А
Рычаг оттяжной нажимного диска сцепления
В узле: ---
25
53-1601135-01
Пластина пружинная фрикционной накладки ведомого диска сцепления
В узле: ---
26
53-1601138-20
Накладка фрикционная ведомого диска сцепления
В узле: ---
27
53-1601130-13
Диск сцепления ведомый в сборе
В узле: ---
27
53-1601130-12
Диск сцепления ведомый в сборе
В узле: ---
28
53-1601093
Диск сцепления нажимной
В узле: ---
29
53А-1601115
Пружина
В узле: ---
30
290656-П2
Болт М8х1,25х30
В узле: ---
31
588911
Подшипник в сборе (М-7580)
В узле: ---
32
53-11-1601185
Муфта выключения сцепления
В узле: ---
33
220101-П29
Винт М6-6gх8 ОСТ 37.001.127-81
В узле: ---
34
252155-П2
Шайба 8Л ОСТ 37.001.115-75
В узле: ---
35
53-11-1601180
Муфта выключения сцепления в сборе
В узле: ---
36
201454-П8
Болт М8-6gх16
В узле: ---
37
66-50-1601018
Картер нижняя часть
В узле: ---
37
66-1601018
Картер сцепления, нижняя часть
В узле: ---
38
53-1601025-10
Сетка окна картера
В узле: ---
39
216298-П2
Шпилька М14х1,5-4hх32
В узле: ---
40
201521-П8
Болт М10х1-6gх32
В узле: ---
41
291506-П8
Болт М10-6gх125
В узле: ---
42
201415-П8
Болт М6-6gх10
В узле: ---
Содержащиеся в справочниках-каталогах запасные части и детали не предлагаются к продаже, а носят исключительно информационный характер

Ваша заявка была отправлена. В ближайшее время наши специалисты с Вами свяжутся по указанному Вами телефону.

Представьтесь
Поле обязательно для заполнения
Ваш телефон
Введите правильный номер телефона
E-mail
Введите правильный e-mail
Тема
Тема
применяемость финансирование доставка цена, наличие другое сервис и гарантия
Время для звонка
08:00
08:00 09:00 10:00 11:00 12:00 13:00 14:00 15:00 16:00 17:00 18:00 19:00
19:00
08:00 09:00 10:00 11:00 12:00 13:00 14:00 15:00 16:00 17:00 18:00 19:00

Мы постараемся перезвонить в указанное время

Если вы не хотите ждать, то звоните нашим вежливым консультантам:

8 800 100-2-700
Подтвердите, что вы не робот
Подтвердите, что вы не робот
Спасибо!

Ваше сообщение успешно отправлено!

ЗакрытьПовторить попытку