Каталог запасных частей к технике: ГАЗ-5312. Вентиляция и отопление

zoom-in zoom-out enlarge shrink circle-right circle-left file-text2 info cart arraw right arraw left zoom out zoom in arraw maximize arraw minimize
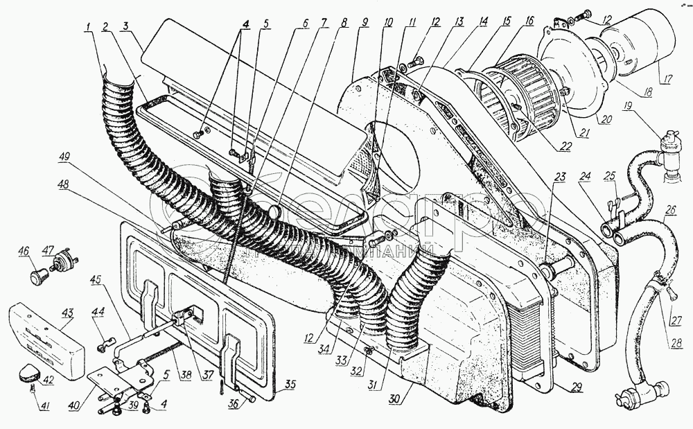
1
2
3
4
4
4
4
5
5
6
7
8
9
9
10
11
12
12
12
12
12
13
14
14
15
16
17
18
19
20
21
22
23
24
25
26
27
28
28
29
30
31
32
33
34
35
36
37
38
39
40
41
42
43
44
45
46
47
48
49
297575-П29
Шплинт 5,6х22
В узле: ---
252173-П8
Шайба 5 пружинная
В узле: ---
252234-П29
Шайба 2-6 ОСТ 37.001.146-75
В узле: ---
52-5602012
Обивка задка правая в сборе
В узле: ---
52-5602013
Обивка задка левая в сборе
В узле: ---
53А-5602010
Обивка задка средняя в сборе
В узле: ---
52-5602014
Обивка задка правая
В узле: ---
52-5602015
Обивка задка левая
В узле: ---
53А-5602018
Обивка задка средняя
В узле: ---
297584-П29
Лента 10х235
В узле: ---
353126
Пистон с шляпкой
В узле: ---
45 9552 9704
Гайка М6
В узле: ---
252004-П29
Шайба 6 ОСТ 37.001.144-96
В узле: ---
252134-П2
Шайба 6Т ОСТ 37.001.115-75
В узле: ---
52-70-8102078
Электродвигатель с ротором обогрева ветрового стекла в сборе
В узле: ---
53-70-8101098
Кожух радиатора отопления в сборе
В узле: ---
252004-П29
Шайба 6 ОСТ 37.001.144-96
В узле: ---
53-8101250
Распределитель отопления кузова в сборе
В узле: ---
53-50-8101250
Распределитель отопления кузова в сборе
В узле: ---
252004-П29
Шайба 6 ОСТ 37.001.144-96
В узле: ---
252233-П29
Шайба 2-5 ОСТ 37.001.146-75
В узле: ---
52-8104195
Крышка вентиляции кузова с тягой в сборе
В узле: ---
258011-П
Шплинт 2х10
В узле: ---
258024-П2
Шплинт 2,2х16
В узле: ---
293228-п
Шайба d 6
В узле: ---
293271-П29
Шайба 8
В узле: ---
252234-П29
Шайба 2-6 ОСТ 37.001.146-75
В узле: ---
13-8104196
Крышка вентиляции кузова с уплотнителем в сборе
В узле: ---
1
52-9101436-01
Шланг обдува ветрового стекла -левый
В узле: ---
2
13-5304030
Уплотнитель крышки вентиляции передка
В узле: ---
3
13-5304012
Крышка вентиляции передка в сборе
В узле: ---
4
290377-П29
Болт М5-6gх9
В узле: ---
4
290377-П29
Болт М5-6gх9
В узле: ---
4
290377-П29
Болт М5-6gх9
В узле: ---
5
21-5304198
Зажим оболочки
В узле: ---
6
52-5304202
Тяга привода крышки вентиляции передка
В узле: ---
7
A-17523
Втулка оболочки привода крышки вентиляции передка
В узле: ---
8
52-8101152
Клапан слива
В узле: ---
9
53-8101114
Прокладка кожуха радиатора отопления
В узле: ---
9
53-8101114-7
Прокладка кожуха радиатора отопления
В узле: ---
10
13-5304022-01
Сетка крышки вентилятора передка в сборе
В узле: ---
11
240818-П29
Винт 4х12 ОСТ 37.001.188-81
В узле: ---
12
290509-П8
Болт М6х25
В узле: ---
12
290509-П29
Болт М6-6gх25
В узле: ---
12
290509-П29
Болт М6-6gх25
В узле: ---
13
292685-П
Гайка М6 специальная
В узле: ---
14
53-8101100-7
Кожух радиатора отопления
В узле: ---
14
53-8101100
Кожух радиатора отопления
В узле: ---
15
13-8102240
Прокладка диска электродвигателя заднего отопителя
В узле: ---
16
52-8102030
Ротор обдува ветрового стекла в сборе
В узле: ---
17
МЭ211-Т
Электродвигатель обдува ветрового стекла в сборе (13Ю-8102080)
В узле: ---
18
21-8102232
Прокладка электродвигателя вентилятора
В узле: ---
19
КР-29
Краник запорный отопления в сборе (Г-21Л-8101020)
В узле: ---
20
13-8102238
Диск электродвигателя заднего отопителя
В узле: ---
21
250464-П8
Ганка М5 крепления электродвигателя
В узле: ---
22
242471-П8
Винт М5х12
В узле: ---
23
13-8101170
Уплотнитель трубок радиатора отопления
В узле: ---
24
24-76-8101038
Шланг впускной отопления
В узле: ---
25
297580-П29
Пряжка
В узле: ---
26
53-8101038-01
Шланг выпускной отопления
В узле: ---
27
290502-П29
Болт М6-6gх14
В узле: ---
28
51-3724073-Б
Скоба крепления проводов
В узле: ---
28
51Ю-3724073-Б
Скоба крепления
В узле: ---
29
53А-8101056
Радиатор отопления в сборе
В узле: ---
30
53-8101252
Распределитель отопления кузова
В узле: ---
31
30-8102062
Шланг трубопровода вентилятора короткий
В узле: ---
32
298318-П2
Пистон
В узле: ---
33
52-8102060
Шланг обдува ветрового стекла длинный
В узле: ---
34
53А-8101236
Фланец распределителя отопления в сборе
В узле: ---
35
32-8104220
Уплотнитель крышки вентиляции кузова
В узле: ---
36
260018-П8
Палец 6х35
В узле: ---
37
52-8104194
Скоба тяги привода крышки вентиляции передка
В узле: ---
38
52-5304200-A2
Оболочка тяги крышки вентиляции передка
В узле: ---
39
201416-П29
Болт М6-6gх12 ОСТ 37.001.123-96
В узле: ---
40
52-5304032
Привод вентиляции передка в сборе
В узле: ---
41
222964-П29
Винт М3-6gх10
В узле: ---
42
52-5304186
Ручка привода вентиляции передка
В узле: ---
43
52-534189
Облицовка привода вентиляции передка
В узле: ---
44
13-8104192
Пружина тяги крышки вентиляции передка
В узле: ---
45
52-8104190
Тяга привода вентиляции передка
В узле: ---
46
52-5205072
Ручка переключателя
В узле: ---
47
М199-БТ
Переключатель мотора вентилятора отопления в сборе
В узле: ---
48
53-8101264
Заслонка распределителя отопления
В узле: ---
49
258363-П
Ось заслонки (штифт) 3х16
В узле: ---
Содержащиеся в справочниках-каталогах запасные части и детали не предлагаются к продаже, а носят исключительно информационный характер

Ваша заявка была отправлена. В ближайшее время наши специалисты с Вами свяжутся по указанному Вами телефону.

Представьтесь
Поле обязательно для заполнения
Ваш телефон
Введите правильный номер телефона
E-mail
Введите правильный e-mail
Тема
Тема
применяемость финансирование доставка цена, наличие другое сервис и гарантия
Время для звонка
08:00
08:00 09:00 10:00 11:00 12:00 13:00 14:00 15:00 16:00 17:00 18:00 19:00
19:00
08:00 09:00 10:00 11:00 12:00 13:00 14:00 15:00 16:00 17:00 18:00 19:00

Мы постараемся перезвонить в указанное время

Если вы не хотите ждать, то звоните нашим вежливым консультантам:

8 800 100-2-700
Подтвердите, что вы не робот
Подтвердите, что вы не робот
Спасибо!

Ваше сообщение успешно отправлено!

ЗакрытьПовторить попытку