Каталог запасных частей к технике: ГАЗ-5312. Задние рабочие тормоза

zoom-in zoom-out enlarge shrink circle-right circle-left file-text2 info cart arraw right arraw left zoom out zoom in arraw maximize arraw minimize
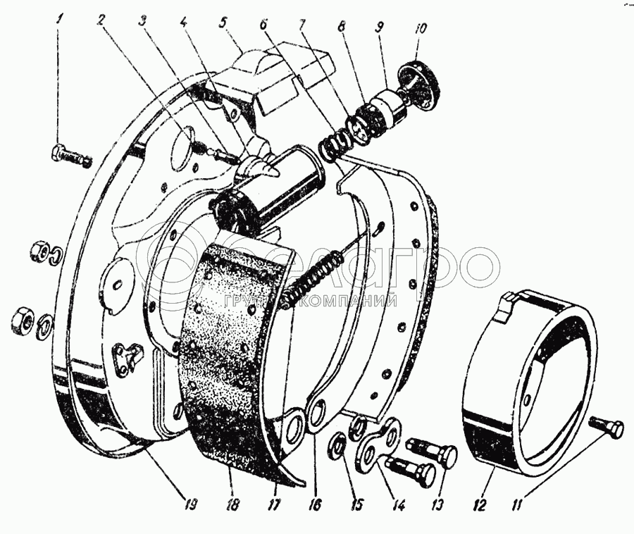
1
2
3
4
5
6
7
8
9
10
11
12
13
14
15
16
17
18
19
53-3502011
Тормоз задний в сборе левый
В узле: ---
252157-П2
Шайба 12Л ОСТ 37.001.115-75
В узле: ---
250515-П29
Гайка М12х1,25-6Н ОСТ 37.001.124-93
В узле: ---
252139-П2
Шайба 16.ОТ ОСТ 37.001.115-75
В узле: ---
250561-П8
Гайка М16х1,5
В узле: ---
294108-П
Заклепка 5х10
В узле: ---
53-3502106
Накладка фрикционная задней колодки заднего тормоза
В узле: ---
294108-П
Заклепка 5х10
В узле: ---
53-3502105
Накладка фрикционная передней колодки заднего тормоза
В узле: ---
252136-П2
Шайба 10 ОТ ОСТ 37.001.115-75
В узле: ---
53-3502010
Тормоз задний в сборе правый
В узле: ---
52-3502040
Цилиндр колесный заднего тормоза в сборе
В узле: ---
1
201495-П8
Болт М10-6gх20
В узле: ---
2
12-3501049
Колпачок перепускного клапана колесного цилиндра тормоза защитный
В узле: ---
3
53-3501048
Клапан прокачки колесного цилиндра
В узле: ---
4
53-3502040
Цилиндр колесный заднего тормоза
В узле: ---
5
53-3502050-01
Экран защитный колесного цилиндра заднего тормоза
В узле: ---
6
51-3502053
Пружина колесного цилиндра
В узле: ---
7
53А-3502052
Чашка распорная
В узле: ---
8
51-3502051
Манжета
В узле: ---
9
51-3502042-А
Поршень колесного цилиндра заднего тормоза в сборе
В узле: ---
10
51-3502058
Колпак защитный
В узле: ---
11
290851
Болт М12х1,25-6gх33
В узле: ---
12
53-3502060-01
Маслоотражатель заднего тормоза в сборе
В узле: ---
13
52-3502068-01
Палец опорный колодок
В узле: ---
14
51-3501030-А
Пластина опорных пальцев колодок переднего тормоза
В узле: ---
15
51-3501028
Эксцентрик опорного пальца
В узле: ---
16
53-3502091-А
Колодка и фрикционная накладка заднего тормоза в сборе задняя
В узле: ---
17
51-3501035
Пружина
В узле: ---
18
53-3502090-А
Колодка и фрикционная накладка заднего тормоза в сборе передняя
В узле: ---
19
53-3502012
Щит заднего тормоза в сборе
В узле: ---
Содержащиеся в справочниках-каталогах запасные части и детали не предлагаются к продаже, а носят исключительно информационный характер

Ваша заявка была отправлена. В ближайшее время наши специалисты с Вами свяжутся по указанному Вами телефону.

Представьтесь
Поле обязательно для заполнения
Ваш телефон
Введите правильный номер телефона
E-mail
Введите правильный e-mail
Тема
Тема
применяемость финансирование доставка цена, наличие другое сервис и гарантия
Время для звонка
08:00
08:00 09:00 10:00 11:00 12:00 13:00 14:00 15:00 16:00 17:00 18:00 19:00
19:00
08:00 09:00 10:00 11:00 12:00 13:00 14:00 15:00 16:00 17:00 18:00 19:00

Мы постараемся перезвонить в указанное время

Если вы не хотите ждать, то звоните нашим вежливым консультантам:

8 800 100-2-700
Подтвердите, что вы не робот
Подтвердите, что вы не робот
Спасибо!

Ваше сообщение успешно отправлено!

ЗакрытьПовторить попытку