Каталог запасных частей к технике: ГАЗ-5312. Замок и ручка двери

zoom-in zoom-out enlarge shrink circle-right circle-left file-text2 info cart arraw right arraw left zoom out zoom in arraw maximize arraw minimize
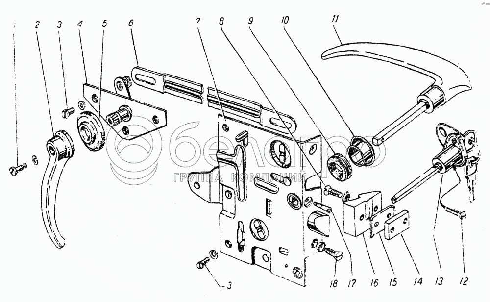
1
2
2
3
3
3
4
4
5
5
6
6
7
7
8
9
10
10
11
11
12
13
14
15
16
17
18
А147-6105000
Привод замка двери левый в сборе (52-6105083, 52-50-6105083)
В узле: ---
30-5606180
Ключ
В узле: ---
252263-П8
Шайба 6 пружинная
В узле: ---
21-3704099
Кольцо ключей
В узле: ---
252174-П29
Шайба 2-6 ОСТ 37.001.145-75
В узле: ---
А147Ю-6105000
Привод замка двери левый в сборе (52-6105083), (52-50-6105083)
В узле: ---
252263-П29
Шайба 2-6 ОСТ 37.001.147-75
В узле: ---
252133-П29
Шайба 5
В узле: ---
252171-П29
Шайба пружинная d 6
В узле: ---
81Ю-6105013-Б
Замок двери левый в сборе (81Ю-6105013)
В узле: ---
81-6105013-Б
Замок двери левый в сборе (81-6105013)
В узле: ---
1
224600-П13
Винт М5-6gх16
В узле: ---
2
81Ю-6105182-А
Ручка
В узле: ---
2
81-6105182-А
Ручка двери внутренняя
В узле: ---
3
224622-П29
Винт М6-6gх10 ОСТ 37.001.130-81
В узле: ---
3
224622-П29
Винт М6-6gх10 ОСТ 37.001.130-81
В узле: ---
4
А146-6105000
Привод замка двери правый в сборе (52-6105082, 52-50-6105082)
В узле: ---
4
А146Ю-6105000
Привод замка двери правый в сборе (52-6105082), (52-50-6105082)
В узле: ---
5
52-6105188-11
Розетка ручки стеклоподъемника
В узле: ---
5
52-6105188-А
Розетка
В узле: ---
6
52-6105102
Тяга привода замка двери
В узле: ---
6
52-50-6105102
Тяга привода замка двери
В узле: ---
7
81-6105012-Б
Замок двери правый в сборе (81-6105012)
В узле: ---
7
81Ю-6105012-Б
Замок двери правый в сборе (81Ю-6105012)
В узле: ---
8
221607-П8
Винт М6х20
В узле: ---
9
81-6105172
Кольцо втулки наружной ручки двери
В узле: ---
10
81-6105168
Втулка наружной ручки двери
В узле: ---
10
81Ю-6105168
Втулка
В узле: ---
11
52-50-6105152
Ручка двери наружная в сборе
В узле: ---
11
52-6105152
Ручка двери наружная в сборе
В узле: ---
12
222501-П29
Винт М5-6gх20
В узле: ---
13
53-6105080-А
Выключатель замка двери с ключами в сборе
В узле: ---
14
81-6105112
Пластина крепления защелки замка двери
В узле: ---
15
53А-6105220
Прокладка регулировочная защелки замка
В узле: ---
16
М-702340
Защелка замка двери
В узле: ---
17
81-6105178
Шпилька крепления наружной ручки двери
В узле: ---
18
223061-П29
Винт М6х14 крепления замка
В узле: ---
Содержащиеся в справочниках-каталогах запасные части и детали не предлагаются к продаже, а носят исключительно информационный характер

Ваша заявка была отправлена. В ближайшее время наши специалисты с Вами свяжутся по указанному Вами телефону.

Представьтесь
Поле обязательно для заполнения
Ваш телефон
Введите правильный номер телефона
E-mail
Введите правильный e-mail
Тема
Тема
применяемость финансирование доставка цена, наличие другое сервис и гарантия
Время для звонка
08:00
08:00 09:00 10:00 11:00 12:00 13:00 14:00 15:00 16:00 17:00 18:00 19:00
19:00
08:00 09:00 10:00 11:00 12:00 13:00 14:00 15:00 16:00 17:00 18:00 19:00

Мы постараемся перезвонить в указанное время

Если вы не хотите ждать, то звоните нашим вежливым консультантам:

8 800 100-2-700
Подтвердите, что вы не робот
Подтвердите, что вы не робот
Спасибо!

Ваше сообщение успешно отправлено!

ЗакрытьПовторить попытку