Каталог запасных частей к технике: ГАЗ-53 А. Механизм переключения передач

zoom-in zoom-out enlarge shrink circle-right circle-left file-text2 info cart arraw right arraw left zoom out zoom in arraw maximize arraw minimize
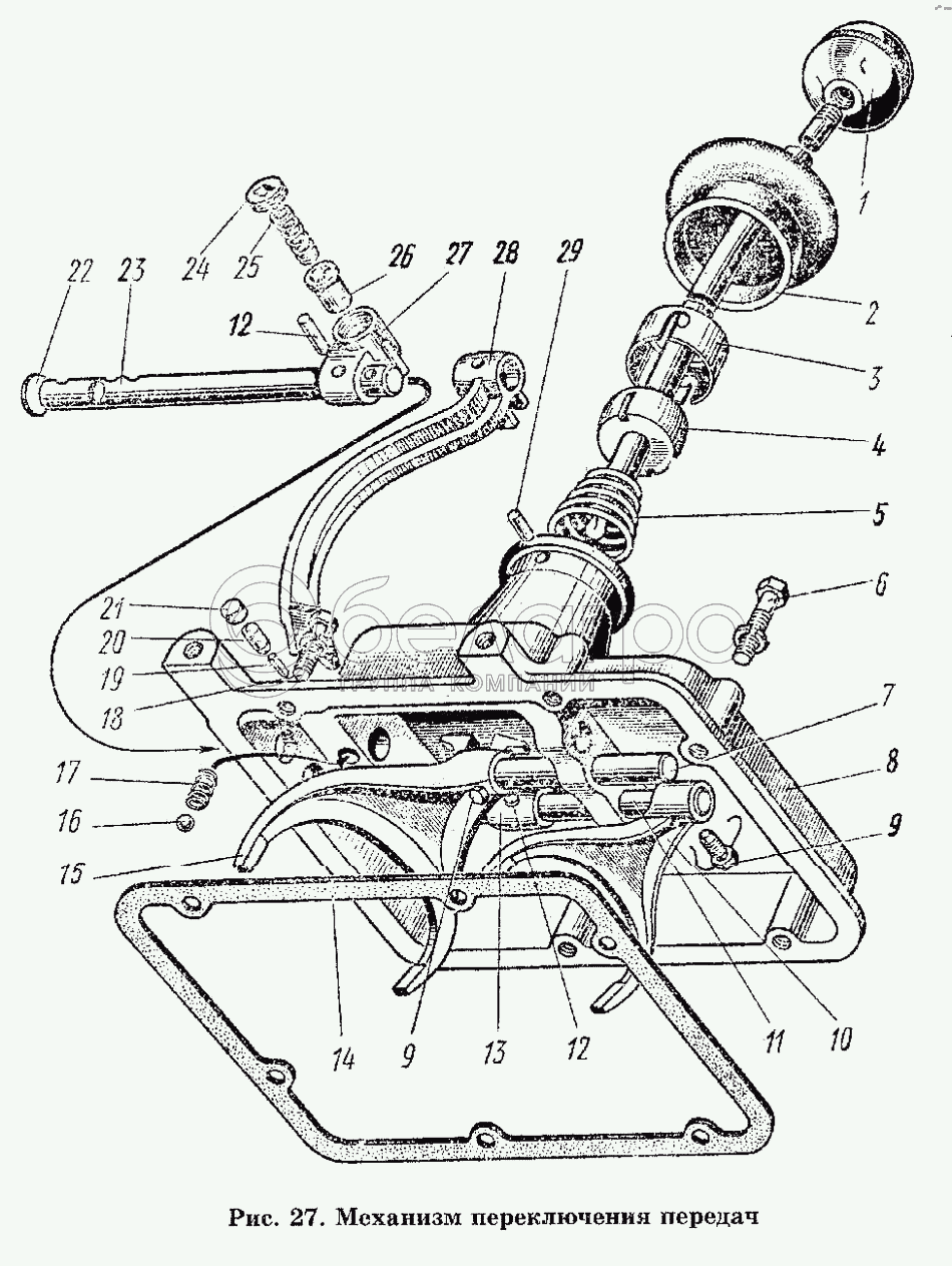
1
2
3
4
5
6
7
8
9
9
10
11
12
12
13
14
15
16
17
18
19
20
21
22
23
24
25
26
27
28
29
ВК-52-1702004
Верхняя крышка коробки передач с рычагом в сборе
В узле: 1
53А-1702010-02
Верхняя крышка коробки передач в сборе
В узле: 1
258253-П
Шплинт 1,2х175 ОСТ 37.001.172-92
В узле: 1
258252-П
Шплинт 1,2х150 ОСТ 37.001.172-92
В узле: 1
252136-П2
Шайба 10 ОТ ОСТ 37.001.115-75
В узле: 6
52-1702094
Головка включения заднего хода коробки передач в сборе
В узле: 1
1
51-1703088
Рукоятка в сборе
В узле: 1
2
53А-1702128-01
Колпак защитный верхней крышки
В узле: 1
3
53А-1702126
Колпак верхней крышки коробки передач
В узле: 1
4
53А-1702120
Рычаг переключения передач
В узле: 1
5
53А-1702122
Пружина рычага переключения передач
В узле: 1
6
201505-П8
Болт М10-6gх45
В узле: 5
7
53-1702041
Шток переключения третьей и четвертой передач
В узле: 1
8
53А-1702015-02
Верхняя крышка коробки передач
В узле: 1
9
290766-П
Винт М10х1-6hх17,5
В узле: 2
10
53-1702024-02
Вилка переключения первой и второй передач
В узле: 1
11
53-1702060-10
Шток переключения первой и второй передач
В узле: 1
12
258948-П8
Штифт 5х25
В узле: 3
13
52-1702025-01
Головка штока переключения первой и второй передач
В узле: 1
14
52-1702016
Прокладка верхней крышки коробки передач
В узле: 1
15
53-1702027-22
Вилка переключения третьей к четвертой передач
В узле: 1
16
263014-П
Шарик диам. 9 фиксатора механизма переключения передач БIV 9,525 мм
В узле: 3
17
ААА-7234
Пружина стопорного шарика механизма переключения передач
В узле: 3
18
201497-П8
Болт М10х25
В узле: 1
19
52-1702075
Палец штока переключения третьей и четвертой передач стопорный
В узле: 1
20
52-1702080
Плунжер стопорный штоков переключения передач
В узле: 2
21
52-1702089-01
Заглушка отверстия плунжеров штока переключения
В узле: 1
22
260307-П
Заглушка 20
В узле: 3
23
52-1702042-Б
Шток переключения заднего хода
В узле: 1
24
52-1702099
Стопор пружины
В узле: 1
25
52-1702098
Пружина предохранителя включения заднего хода коробки передач
В узле: 1
26
52-1702097
Предохранитель включений первой и второй передач и заднего хода
В узле: 1
27
52-1702095-01
Головка штока заднего хода коробки передач
В узле: 1
28
52-1702092
Вилка включения заднего хода коробки передач
В узле: 1
29
295023-П
Штифт 6х20
В узле: 2
Содержащиеся в справочниках-каталогах запасные части и детали не предлагаются к продаже, а носят исключительно информационный характер

Ваша заявка была отправлена. В ближайшее время наши специалисты с Вами свяжутся по указанному Вами телефону.

Представьтесь
Поле обязательно для заполнения
Ваш телефон
Введите правильный номер телефона
E-mail
Введите правильный e-mail
Тема
Тема
применяемость финансирование доставка цена, наличие другое сервис и гарантия
Время для звонка
08:00
08:00 09:00 10:00 11:00 12:00 13:00 14:00 15:00 16:00 17:00 18:00 19:00
19:00
08:00 09:00 10:00 11:00 12:00 13:00 14:00 15:00 16:00 17:00 18:00 19:00

Мы постараемся перезвонить в указанное время

Если вы не хотите ждать, то звоните нашим вежливым консультантам:

8 800 100-2-700
Подтвердите, что вы не робот
Подтвердите, что вы не робот
Спасибо!

Ваше сообщение успешно отправлено!

ЗакрытьПовторить попытку