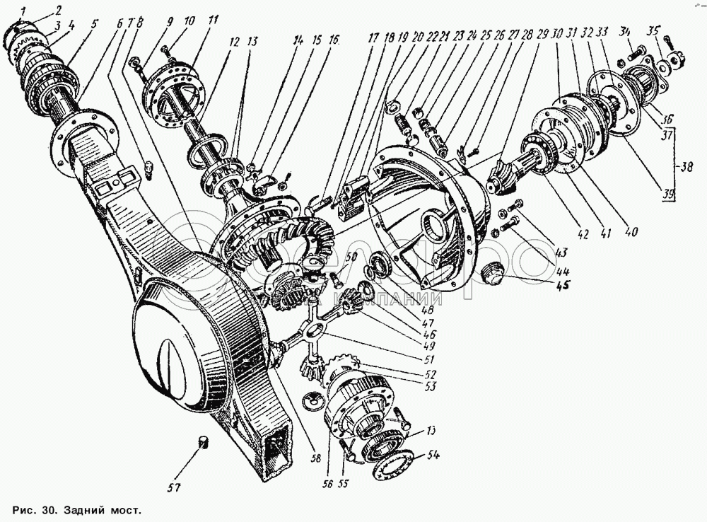
Каталог запасных частей к технике: ГАЗ-53 А. Мост задний

zoom-in zoom-out enlarge shrink circle-right circle-left file-text2 info cart arraw right arraw left zoom out zoom in arraw maximize arraw minimize
1
2
3
4
5
6
7
8
9
10
11
12
13
13
14
15
16
17
18
19
20
21
22
23
24
25
26
27
28
29
30
31
32
33
34
35
36
37
38
39
40
41
42
43
44
45
46
47
48
49
50
51
52
53
54
55
56
57
58
ВК-53-2402165
Шестерни ведущая и ведомая главной передачи переднего и заднего мостов (комплект)
В узле: 1
250612-П29
Гайка М10-6Н ОСТ 37.001.124-93
В узле: 4
250612-П8
Гайка М10
В узле: 2
292811-П
Гайка М12х1,25
В узле: 12
292855-П8
Гайка М14х1,5 Сп
В узле: 20
292958-П
Гайка М24х1,5
В узле: 1
53-2401054
Гайка подшипников ступицы заднего колеса со штифтом в сборе
В узле: 2
53-2403014-04
Дифференциал в сборе
В узле: 1
53-2403010-11
Дифференциал заднего моста в сборе
В узле: 1
53-2400012
Задний мост с тормозами и ступицами в сборе
В узле: 1
53А-2402171
Кольцо регулировочное (толщ. 12,14 мм)
В узле: 1
53А-2402172
Кольцо регулировочное (толщ. 12,18мм)
В узле: 1
53А-2402173
Кольцо регулировочное (толщ. 12,22мм)
В узле: 1
53А-2402174
Кольцо регулировочное толщиной 12,26 мм
В узле: 1
53А-2402175
Кольцо регулировочное толщиной 12,30мм
В узле: 1
53А-2402176
Кольцо регулировочное толщиной 12, 34 мм
В узле: 1
53А-2402177
Кольцо регулировочное толщиной 12,38 мм
В узле: 1
53А-2402178
Кольцо регулировочное толщиной 12,42 мм
В узле: 1
53А-2402179
Кольцо регулировочное толщиной 12,46 мм
В узле: 1
53А-2402180
Кольцо регулировочное толщиной 12,50 мм
В узле: 1
53А-2402181
Кольцо регулировочное толщиной 12,54 мм
В узле: 1
53А-2402182
Кольцо регулировочное толщиной 12,58 мм
В узле: 1
53А-2402183
Кольцо регулировочное толщиной 12,62 мм
В узле: 1
53А-2402184
Кольцо регулировочное толщиной 12,66 мм
В узле: 1
53А-2402185
Кольцо регулировочное толщиной 12,70 мм
В узле: 1
53А-2402186
Кольцо регулировочное толщиной 12,74 мм
В узле: 1
53А-2402187
Кольцо регулировочное толщиной 12,78 мм
В узле: 1
53А-2402188
Кольцо регулировочное толщиной 12,82 мм
В узле: 1
53А-2402189
Кольцо регулировочное толщиной 12,86 мм
В узле: 1
53А-2402190
Кольцо регулировочное толщиной 12,90 мм
В узле: 1
53А-2402191
Кольцо регулировочное толщиной 12,94 мм
В узле: 1
ВК-53-2402164-01
Комплект шестерен главной передачи заднего моста с подшипниками ведущей шестерни
В узле: 1
53-2403130-02
Коробка сателлитов дифференциала заднего моста с болтами (комплект для запасных частей)
В узле: 1
ВК-53-2400108
Муфта ведущей шестерни главной пары заднего моста с подшипниками (комплект для запасных частей)
В узле: 1
53-2402047
Прокладка регулировочная толщиной 0,25 мм
В узле: 3
53-2402048
Прокладка регулировочная
В узле: 1
51-2402102
Пружина сальника ведущей шестерни главной пары
В узле: 1
53-2402010
Редуктор заднего моста в сборе
В узле: 1
53-2402044
Стопорное кольцо заднего подшипника ведущей шестерни главной пары заднего моста
В узле: 1
252137-П2
Шайба 12.ОТ ОСТ 37.001.115-75
В узле: 6
252137-П8
Шайба 12 пружинная
В узле: 10
252138-П8
Шайба 14,2
В узле: 20
258039-П
Шплинт 3,2х20 ОСТ 37.001.171-93
В узле: 12
258056-П
Шплинт 4х40
В узле: 1
258267-П
Шплинт-проволока 1,2х550
В узле: 1
258288-П
Шплинт-проволока 1,6х350
В узле: 2
1
53-2401052
Гайка подшипников ступицы заднего колеса
В узле: 2
2
294990-П
Штифт 6х11
В узле: 2
3
51-2401050
Шайба стопорная гайки подшипника ступицы заднего колеса
В узле: 2
4
53-2401053
Гайка подшипников ступицы заднего колеса с отверстием для штифта
В узле: 2
5
53-2401025
Втулка сальника ступицы заднего колеса
В узле: 2
6
53-2401005
Картер заднего моста в сборе
В узле: 1
7
298430-П
Сапун в сборе
В узле: 1
8
53-2402045
Прокладка картера редуктора заднего моста
В узле: 1
9
291882-П8
Шпилька М14х1,5-Спх35
В узле: 20
10
201496-П8
Болт М10-6gх22
В узле: 4
11
53-2403048
Прокладка полуоси
В узле: 2
12
53-2403070-02
Полуось заднего моста
В узле: 2
13
51-2403036-А
Подшипник 807813К2
В узле: 2
14
201457-П
Болт М8-6gх22
В узле: 1
15
51-2403023
Шайба
В узле: 1
16
53-2403022
Маслоулавливатель
В узле: 1
17
291151-П
Болт М16-4hх105
В узле: 4
18
290606-П
Болт М8-6gх14
В узле: 2
19
53-2403044
Пластина стопорная гайки подшипника дифференциала
В узле: 2
20
53-2402012-10
Картер редуктора заднего моста с крышками подшипников в сборе
В узле: 1
21
53-2402078-10
Винт регулировочный упора ведомой шестерни главной пары заднего моста в сборе
В узле: 1
22
292977-П8
Гайка М30х1,5-5Н6Н
В узле: 1
23
296591-П
Пробка КГ 1 маслоприемного отверстия
В узле: 1
24
53-2402089
Пружина маслоприемной трубки
В узле: 1
25
53-2402088
Тарелка маслоприемной трубки
В узле: 1
26
53-2402086-А
Трубка
В узле: 1
27
53-2402087
Пластина стопорная
В узле: 1
28
201419-П8
Болт М6-6gх18
В узле: 1
29
53-2402020-12
Ведущая и ведомая шестерни главной пары заднего моста (комплект после притирки)
В узле: 1
30
53-2402022
Муфта с наружными кольцами подшипников ведущей шестерни в сборе
В узле: 1
31
53-2402035-А
Прокладка
В узле: 1
32
53-2402025
Подшипник передний ведущей шестерни главной пары заднего моста 27308У1
В узле: 1
33
51-2402037-В
Кольцо маслоотгонное сальника ведущей шестерни заднего моста
В узле: 1
34
291557-П29
Болт М12-4hх45
В узле: 6
35
51-2402064
Шайба специальная
В узле: 1
36
53-2201100
Фланец с отражателем в сборе
В узле: 1
37
51-2402052-Б4
Манжета ведущей шестерни главной передачи в сборе
В узле: 1
38
53-2402050-Б
Крышка ведущей шестерни в сборе
В узле: 1
39
53-2402051-Б
Крышка передняя картера заднего моста
В узле: 1
40
53А-2402170
Кольцо регулировочное толщиной 12,10 мм
В узле: 1
41
53-2402046
Прокладка толщиной 0,10 мм
В узле: 4
42
51-2402025
Подшипник 27709У1
В узле: 1
43
201499-П8
Болт М10-6gх30
В узле: 2
44
291554-П29
Болт М12х1,25-6gх38
В узле: 10
45
262517-П
Пробка КГ 2"
В узле: 1
46
53-2403058
Шайба опорная сателлита дифференциала заднего моста
В узле: 4
47
51-2402044
Кольцо стопорное
В узле: 1
48
20-102605-М
Подшипник направляющего конца ведущей шестерни (51-2402041)
В узле: 1
49
53А-2403055
Сателлит дифференциала заднего моста
В узле: 4
50
290969-П
Болт М12х1,25х37
В узле: 12
51
53-2403060
Крестовина сателлитов дифференциала
В узле: 1
52
53А-2403050
Шестерня полуоси заднего моста
В узле: 2
53
53-2403030
Шайба опорная шестерни полуоси
В узле: 2
54
53-2403040
Гайка подшипника дифференциала
В узле: 2
55
53-2403034-10
Болт коробки сателлитов дифференциала заднего моста
В узле: 12
56
53-2403018-12
Коробка сателлитов правая
В узле: 1
57
296576-П29
Пробка К 1/2 сливного отверстия
В узле: 1
58
53-2403019-12
Коробка сателлитов левая
В узле: 1
Содержащиеся в справочниках-каталогах запасные части и детали не предлагаются к продаже, а носят исключительно информационный характер

Ваша заявка была отправлена. В ближайшее время наши специалисты с Вами свяжутся по указанному Вами телефону.

Представьтесь
Поле обязательно для заполнения
Ваш телефон
Введите правильный номер телефона
E-mail
Введите правильный e-mail
Тема
Тема
применяемость финансирование доставка цена, наличие другое сервис и гарантия
Время для звонка
08:00
08:00 09:00 10:00 11:00 12:00 13:00 14:00 15:00 16:00 17:00 18:00 19:00
19:00
08:00 09:00 10:00 11:00 12:00 13:00 14:00 15:00 16:00 17:00 18:00 19:00

Мы постараемся перезвонить в указанное время

Если вы не хотите ждать, то звоните нашим вежливым консультантам:

8 800 100-2-700
Подтвердите, что вы не робот
Подтвердите, что вы не робот
Спасибо!

Ваше сообщение успешно отправлено!

ЗакрытьПовторить попытку