Каталог запасных частей к технике: ГАЗ-53 А. Реле регулятор

zoom-in zoom-out enlarge shrink circle-right circle-left file-text2 info cart arraw right arraw left zoom out zoom in arraw maximize arraw minimize
1
2
3
4
5
6
7
8
9
10
11
12
13
14
15
16
17
18
19
20
21
22
Н4267
Винт крепления транзистора
В узле: 4
РР362-3702620
Якорь реле защиты в сборе
В узле: 1
РР362-3702420
Якорь регулятора напряжения в сборе
В узле: 1
Х-4001
Шайба 5Т пружинная
В узле: 4
3-082
Шайба пружинная
В узле: 4
8Х-1497
Шайба 5
В узле: 1
Н-1214
Шайба 4
В узле: 3
4-082
Шайба
В узле: 3
РР362-3702430
Угольник с держателями контактов
В узле: 1
РР362-3702550-Е
Сопротивление комбинированное
В узле: 1
РР362-3702560-Е
Сопротивление 42 ом
В узле: 1
РР362-3702519-Е
Прокладка изоляционная нижняя
В узле: 1
РР362-3702804
Вывод с наконечником
В узле: 1
РР362-3702511-Е
Панель
В узле: 1
РР362-3702520
Болт клеммовый
В узле: 4
РР315-3702419
Втулка изоляционная
В узле: 1
Х-4003
Гайка М5-6Н
В узле: 8
Х-4003
Гайка М5-6Н
В узле: 1
Х-4003
Гайка М5-6Н
В узле: 1
РР362-3702630
Держатель с контактом и угольником реле защиты в сборе
В узле: 1
РР24-3702402
Катушка регулятора
В узле: 1
РР362-3702110-Б
Клемма
В узле: 2
РР362-3702101-А
Основание
В узле: 1
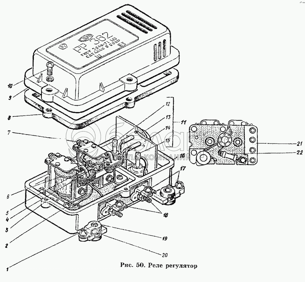
1
РР24-3702022
Втулка амортизатора
В узле: 3
2
Н-5003
Винт
В узле: 3
3
РР362-3702500-Е
Панель в сборе
В узле: 1
4
МЛТ-0,5-240-Ом±5%
Резистор
В узле: 1
5
РР362-3702600
Реле защиты в сборе
В узле: 1
6
РР362-3702400-Е
Регулятор напряжения в сборе
В узле: 1
7
РР24-3702418
Пружина
В узле: 2
8
РР362-3702008
Прокладка уплотнительная
В узле: 1
9
РР362-3702003-А
Крышка
В узле: 1
10
8Х-1549
Винт крепления крышки
В узле: 5
11
РР362-3702800
Блок полупроводниковый
В узле: 1
12
КД-202-В
Диод
В узле: 1
13
П-217 (СИ3.365.017 ТУ)
Транзистор
В узле: ---
14
РР362-3702810-А2
Теплоотвод с панелью в сборе
В узле: 1
15
Д-242 (А-0336.206 ТУ)
Диод
В узле: 1
16
РР362-3702100
Основание с выводами и клеммами в сборе
В узле: 1
17
7Х-1598
Винт М5-8hх12
В узле: 4
18
ВК14-3708053
Скоба клеммы включателя стартера
В узле: 2
19
РР362-3702113
Кронштейн
В узле: 1
20
РР24-3702006
Амортизатор в сборе
В узле: 3
21
РР362-3702510-Ж
Панель с сопротивлениями в сборе
В узле: 1
22
МЛТ-2-62-Ом±5%
Резистор
В узле: 1
Содержащиеся в справочниках-каталогах запасные части и детали не предлагаются к продаже, а носят исключительно информационный характер

Ваша заявка была отправлена. В ближайшее время наши специалисты с Вами свяжутся по указанному Вами телефону.

Представьтесь
Поле обязательно для заполнения
Ваш телефон
Введите правильный номер телефона
E-mail
Введите правильный e-mail
Тема
Тема
применяемость финансирование доставка цена, наличие другое сервис и гарантия
Время для звонка
08:00
08:00 09:00 10:00 11:00 12:00 13:00 14:00 15:00 16:00 17:00 18:00 19:00
19:00
08:00 09:00 10:00 11:00 12:00 13:00 14:00 15:00 16:00 17:00 18:00 19:00

Мы постараемся перезвонить в указанное время

Если вы не хотите ждать, то звоните нашим вежливым консультантам:

8 800 100-2-700
Подтвердите, что вы не робот
Подтвердите, что вы не робот
Спасибо!

Ваше сообщение успешно отправлено!

ЗакрытьПовторить попытку