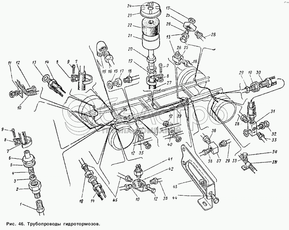
Каталог запасных частей к технике: ГАЗ-53 А. Трубопроводы гидротормозов

zoom-in zoom-out enlarge shrink circle-right circle-left file-text2 info cart arraw right arraw left zoom out zoom in arraw maximize arraw minimize
1
2
3
4
5
6
7
7
8
8
8
9
9
10
10
11
11
12
12
12
12
12
13
13
13
13
14
14
15
16
17
18
18
19
19
19
19
20
21
22
23
24
25
25
25
26
26
27
28
28
29
29
30
31
32
33
33
34
35
35
35
36
37
38
38
39
40
41
42
43
44
45
250688-П
Гайка М10х1-6Н
В узле: 1
250512-П8
Гайка М10-6Н
В узле: 4
252135-П2
Шайба 8Т ОСТ 37.001.115-75
В узле: 1
252155-П2
Шайба 8Л ОСТ 37.001.115-75
В узле: 1
252239-П29
Шайба 2-16 ОСТ 37.001.146-75
В узле: 1
252156-П2
Шайба 10Л ОСТ 37.001.115-75
В узле: 4
53-3553010-01
Фильтр воздушный гидровакуумного усилителя тормоза в сборе
В узле: 1
53А-3552010
Клапан запорный в сборе
В узле: 1
250510-П8
Гайка М8х1,25
В узле: 1
250510-П29
Гайка М8-6Н ОСТ 37.001.124-93
В узле: 1
252204-П29
Шайба 10 стопорная
В узле: 2
1
53А-3552036
Трубка от запорного клапана к клапану управления в сборе
В узле: 1
2
53А-3552012
Корпус запорного клапана
В узле: 1
3
24-3552014-01
Клапан в сборе
В узле: 1
4
24-3552016
Пружина
В узле: 1
5
13-3407149
Прокладка
В узле: 1
6
24-3552018
Штуцер обратного клапана
В узле: 1
7
22Б-8101792
Шланг
В узле: 1
8
297582-П29
Лента 10х180
В узле: 5
9
297575-П29
Шплинт 5,6х22
В узле: 5
10
53А-3506023
Трубка от тройника к правому переднему тормозу в сборе
В узле: 1
11
51-3506044
Скоба
В узле: 2
11
51-3506044
Скоба
В узле: 1
12
201455-П29
Болт М8-6gх18 ОСТ 37.001.123-96
В узле: 1
12
201455-П8
Болт М8-6gх18
В узле: 1
12
201455-П8
Болт М8-6gх18
В узле: 4
12
201455-П8
Болт М8-6gх18
В узле: 2
12
201455-П8
Болт М8-6gх18
В узле: 1
13
51-3506013
Прокладка
В узле: 2
13
51-3506013
Прокладка
В узле: 4
13
51-3506013
Прокладка
В узле: 2
13
51-3506013
Прокладка
В узле: 1
14
53-3506025
Шланг гибкий передних тормозов в сборе
В узле: 2
15
66-3552042
Штуцер забора вакуума
В узле: 1
16
53-50-3552026-30
Трубка от штуцера забора вакуума к запорному клапану в сборе
В узле: 1
17
20Ю-3506005
Штуцер гидровакуумного усилителя тормозов
В узле: 1
18
53А-3506006
Трубка от главного цилиндра к гидровакуумному усилителю в сборе
В узле: 1
19
250636-П8
Гайка М16х1,5
В узле: 1
19
250636-П29
Гайка М16х1,5-6Н ОСТ 37.001.124-93
В узле: 1
19
250636-П8
Гайка М16х1,5
В узле: 2
20
53А-3553022
Корпус воздушного фильтра гидровакуумного усилителя тормоза
В узле: 1
21
51П-3553026-10
Обойма воздушного фильтра гидровакуумного усилителя тормоза внутренняя
В узле: 1
22
51П-3553032-А
Фильтрующий элемент
В узле: 1
23
51П-3553028-01
Обойма воздушного фильтра гидровакуумного усилителя тормоза наружная
В узле: 1
24
51П-3553034
Кольцо стопорное воздушного фильтра
В узле: 1
25
51-3506045-А
Муфта соединительная
В узле: 2
25
51-3506045-А
Муфта соединительная
В узле: 1
26
51-3506012
Болт М12х1,25х28
В узле: 2
26
51-3506012
Болт М12х1,25х28
В узле: 1
27
52-1101078
Шланг воздушный трубки топливного бака
В узле: 1
28
53-3506040
Трубка от тройника к правому заднему тормозу в сборе
В узле: 1
29
53Ф-3506030-А
Трубка от центрального тройника к задним тормозам в сборе
В узле: 1
30
51-3506025
Шланг гибкий
В узле: 1
31
51-3506033
Тройник
В узле: 1
32
201518-П8
Болт М10х1х25
В узле: 1
33
53-3506035
Трубка от тройника к левому заднему тормозу в сборе
В узле: 1
34
201452-П8
Болт М8х1,25х12
В узле: 2
35
297484-П29
Скоба
В узле: 1
35
297484-П29
Скоба
В узле: 3
35
297484-П29
Скоба
В узле: 2
36
53-3506068-10
Трубка от гидровакуумного усилителя к центральному тройнику в сборе
В узле: 1
37
51-3506018
Тройник
В узле: 1
38
53А-3506015
Трубка от центрального тройника к передним тормозам в сборе
В узле: 1
39
53-3552032-Г
Трубка от воздушного фильтра к гидровакуумному усилителю тормозов в сборе
В узле: 1
40
53-3506050
Скоба
В узле: 2
41
40П-3720010
Выключатель света сигнала «стоп» гидравлический ВК12-Б
В узле: 1
42
53А-3506018
Тройник трубопроводов с кронштейном в сборе
В узле: 1
43
51П-3550092-01
Кронштейн крепления гидровакуумного усилителя тормозов
В узле: 2
44
201496-П8
Болт М10-6gх22
В узле: 4
45
53А-3506020
Трубка от тройника к левому переднему тормозу в сборе
В узле: 1
Содержащиеся в справочниках-каталогах запасные части и детали не предлагаются к продаже, а носят исключительно информационный характер

Ваша заявка была отправлена. В ближайшее время наши специалисты с Вами свяжутся по указанному Вами телефону.

Представьтесь
Поле обязательно для заполнения
Ваш телефон
Введите правильный номер телефона
E-mail
Введите правильный e-mail
Тема
Тема
применяемость финансирование доставка цена, наличие другое сервис и гарантия
Время для звонка
08:00
08:00 09:00 10:00 11:00 12:00 13:00 14:00 15:00 16:00 17:00 18:00 19:00
19:00
08:00 09:00 10:00 11:00 12:00 13:00 14:00 15:00 16:00 17:00 18:00 19:00

Мы постараемся перезвонить в указанное время

Если вы не хотите ждать, то звоните нашим вежливым консультантам:

8 800 100-2-700
Подтвердите, что вы не робот
Подтвердите, что вы не робот
Спасибо!

Ваше сообщение успешно отправлено!

ЗакрытьПовторить попытку