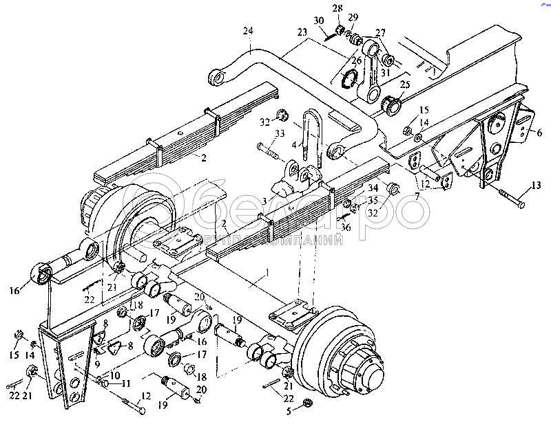
Каталог запасных частей к технике: МАЗ-3PP59. Подвеска. Установка первой оси

zoom-in zoom-out enlarge shrink circle-right circle-left file-text2 info cart arraw right arraw left zoom out zoom in arraw maximize arraw minimize
1
2
2
3
4
5
6
7
8
8
9
10
11
12
12
13
14
14
15
15
16
16
17
17
18
18
19
19
19
20
20
21
21
21
22
22
22
23
24
25
26
27
28
29
30
31
32
32
33
34
35
36
1
3РР59-2410007
Ось с тормозами
В узле: 1
2
9379-2912012
Рессора
В узле: 2
3
93866-2912412
Накладка
В узле: 2
4
516-2912408
Стремянка
В узле: 4
5
375059
Гайка М27х2-5Н6Н
В узле: 8
6
9397-2912005
Балансир
В узле: 2
7
941-2918059
Пластина
В узле: 4
8
500-2912448-Б
Вкладыш боковой
В узле: 2
9
221723
Винт М10-6gх30
В узле: 8
10
252136
Шайба 10.ОТ
В узле: 8
11
250612
Гайка М10-6Н
В узле: 8
12
200-2912452
Втулка распорная
В узле: 2
13
200879
Болт М16-6gх150
В узле: 4
14
252139
Шайба 16.ОТ
В узле: 4
15
250560
Гайка М16-6Н
В узле: 4
16
9389-2919011
Штанга регулируемая L = 355 мм
В узле: 2
17
941-2919026-10
Уплотнитель
В узле: 8
18
941-2919028-11
Втулка
В узле: 8
19
941-2919098
Палец
В узле: 4
20
264020
Масленка 1.3.Ц6хр
В узле: 4
21
5335-2402036
Гайка М39х2-5Н6Н
В узле: 4
22
45 9871 1232
Шплинт 6,3х60
В узле: 4
23
54321-2916006
Вал стабилизатора с рычагом
В узле: 1
24
54321-2916016
Вал стабилизатора
В узле: 1
25
54321-2916030
Втулка
В узле: 2
26
54321-2916032
Кольцо стопорное
В узле: 2
27
64221-2916028
Втулка
В узле: 4
28
251035
Гайка М24х2-5Н6Н
В узле: 2
29
252021
Шайба 24
В узле: 2
30
258071
Шплинт 5х45
В узле: 2
31
54321-2916022
Рычаг
В узле: 2
32
64221-2916028
Втулка
В узле: 2
33
54321-2916034
Палец
В узле: 2
34
252019
Шайба 20
В узле: 2
35
374910
Гайка М20х1,5-5Н6Н
В узле: 2
36
258056
Шплинт 4х40
В узле: 2
Содержащиеся в справочниках-каталогах запасные части и детали не предлагаются к продаже, а носят исключительно информационный характер

Ваша заявка была отправлена. В ближайшее время наши специалисты с Вами свяжутся по указанному Вами телефону.

Представьтесь
Поле обязательно для заполнения
Ваш телефон
Введите правильный номер телефона
E-mail
Введите правильный e-mail
Тема
Тема
применяемость финансирование доставка цена, наличие другое сервис и гарантия
Время для звонка
08:00
08:00 09:00 10:00 11:00 12:00 13:00 14:00 15:00 16:00 17:00 18:00 19:00
19:00
08:00 09:00 10:00 11:00 12:00 13:00 14:00 15:00 16:00 17:00 18:00 19:00

Мы постараемся перезвонить в указанное время

Если вы не хотите ждать, то звоните нашим вежливым консультантам:

8 800 100-2-700
Подтвердите, что вы не робот
Подтвердите, что вы не робот
Спасибо!

Ваше сообщение успешно отправлено!

ЗакрытьПовторить попытку