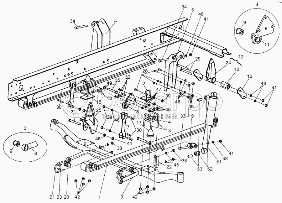
Каталог запасных частей к технике: МАЗ-437040 (Зубренок). Подвеска передняя

zoom-in zoom-out enlarge shrink circle-right circle-left file-text2 info cart arraw right arraw left zoom out zoom in arraw maximize arraw minimize
1
2
3
3
4
5
6
7
8
8
9
9
10
11
12
13
14
15
16
17
18
19
20
21
22
23
24
25
28
29
30
30
31
32
33
34
34
35
38
38
39
39
39
40
41
41
41
41
42
42
45
46
46
47
48
48
48
48
49
51
52
53
1
4370-2902012
Рессора передняя
В узле: 2
2
4307-2902608
Кронштейн буфера
В узле: 2
3
4370-2906006
Вал стабилизатора в сборе
В узле: 1
4
4370-2905540
Кронштейн верхний правый
В узле: 1
5
4370-2905541
Кронштейн верхний левый
В узле: 1
6
4370-2906016
Вал стабилизатора
В узле: 1
7
4370-2906022
Рычаг
В узле: 2
8
4370-2906042
Кронштейн в сборе
В узле: 2
9
46370-2906028
Шарнир
В узле: 4
10
4370-2902230
Шарнир
В узле: 6
11
4370-2906044
Кронштейн
В узле: 2
12
4370-2902446
Кронштейн в сборе
В узле: 2
13
4370-2902408
Стремянка
В узле: 4
14
4370-2902412
Накладка
В узле: 2
15
4370-2902422
Клин
В узле: 2
16
4370-2902464
Серьга
В узле: 4
17
4370-2902624
Буфер
В узле: 2
18
4370-2905418
Кронштейн
В узле: 2
19
4370-2905419
Вилка
В узле: 2
20
4370-2906030
Втулка
В узле: 2
21
4370-2906036
Стремянка
В узле: 2
22
4370-2906038
Кронштейн
В узле: 2
23
4370-2906040
Скоба
В узле: 2
24
4370-2902447
Кронштейн
В узле: 2
25
4370-2902444
Кронштейн
В узле: 2
28
371302
Болт М12х1,25-6gх40
В узле: 10
29
372677
Болт М16х1,25-6gх135
В узле: 4
30
372140
Болт М12х1,25-6gх65
В узле: 4
31
372678
Болт М16х1,25-6gх150
В узле: 2
32
372538
Болт М14х1,5-6gх50
В узле: 8
33
372673
Бопт М16х1,5-6gх110
В узле: 2
34
372679
Бопт М16х1,5-6gх165
В узле: 2
35
372836
Бопт М20х1,5-6gх110
В узле: 2
38
250513
Гайка М10х1-6Н
В узле: 4
39
374544
Гайка М12х1,25-6Н
В узле: 14
40
374633
Гайка М14х1,5-5Н6Н
В узле: 8
41
374727
Гайка М16х1,5-5Н6Н
В узле: 10
42
374631
Гайка М14х1,5-6Н
В узле: 8
45
252136
Шайба 10.ОТ
В узле: 4
46
252137
Шайба 12.ОТ
В узле: 14
47
252138
Шайба 14.ОТ
В узле: 8
48
252138
Шайба 14.ОТ
В узле: 10
49
252019-10
Шайба 20
В узле: 2
51
40.2905006-10
Амортизатор
В узле: 2
52
40/19.2905486
Втулка
В узле: 4
53
40/19.2905487
Втулка внутренняя
В узле: 4
Содержащиеся в справочниках-каталогах запасные части и детали не предлагаются к продаже, а носят исключительно информационный характер

Ваша заявка была отправлена. В ближайшее время наши специалисты с Вами свяжутся по указанному Вами телефону.

Представьтесь
Поле обязательно для заполнения
Ваш телефон
Введите правильный номер телефона
E-mail
Введите правильный e-mail
Тема
Тема
применяемость финансирование доставка цена, наличие другое сервис и гарантия
Время для звонка
08:00
08:00 09:00 10:00 11:00 12:00 13:00 14:00 15:00 16:00 17:00 18:00 19:00
19:00
08:00 09:00 10:00 11:00 12:00 13:00 14:00 15:00 16:00 17:00 18:00 19:00

Мы постараемся перезвонить в указанное время

Если вы не хотите ждать, то звоните нашим вежливым консультантам:

8 800 100-2-700
Подтвердите, что вы не робот
Подтвердите, что вы не робот
Спасибо!

Ваше сообщение успешно отправлено!

ЗакрытьПовторить попытку