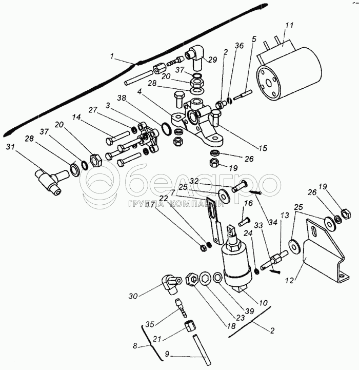
Каталог запасных частей к технике: МАЗ-437040 (Зубренок). Привод останова двигателя

zoom-in zoom-out enlarge shrink circle-right circle-left file-text2 info cart arraw right arraw left zoom out zoom in arraw maximize arraw minimize
1
2
2
3
4
5
7
8
9
10
11
12
13
14
15
16
17
18
19
19
20
20
21
22
23
24
25
25
26
26
27
28
28
29
30
31
32
33
34
35
36
37
37
38
39
1
64229-1115030
Клапан
В узле: 1
2
64221-1115036
Клапан
В узле: 1
3
64221-1115034
Крышка клапана
В узле: 1
4
64221-1115032
Корпус клапана
В узле: 1
5
64221-1115039
Шток клапана
В узле: 1
6
4370-1115060
Цилиндр
В узле: 1
7
4370-1115116
Поводок
В узле: 1
8
4370-1115040
Трубка
В узле: 1
9
4370-1115041
Трубка 06 мм
В узле: 1
10
100-3570110
Цилиндр останова двигателя
В узле: 1
11
15.3747
Электромагнит
В узле: 1
12
4370-1115068
Кронштейн
В узле: 1
13
4370-1115070
Ось
В узле: 1
14
200213
Болт М6-6gх35
В узле: 4
15
201460
Болт М8-6gх30
В узле: 2
16
220080
Винт М5-6gх16
В узле: 1
17
250464
Гайка М5-6Н
В узле: 1
18
250513
Гайка М10х1-6Н
В узле: 1
19
250510
Гайка М8-6Н
В узле: 3
20
374614
Гайка М12х1,5-5Н6Н
В узле: 2
21
401120
Гайка накидная
В узле: 2
22
252133
Шайба 5Т
В узле: 1
23
375600
Шайба 10
В узле: 1
24
252004
Шайба 6
В узле: 1
25
252038
Шайба 8
В узле: 2
26
252135
Шайба 8Т
В узле: 3
27
252154
Шайба 6Л
В узле: 4
28
375818
Шайба 12
В узле: 2
29
402737
Угольник
В узле: 1
30
402717
Угольник
В узле: 1
31
403086
Тройник
В узле: 1
32
260033
Палец
В узле: 1
33
258012
Шплинт 2х12
В узле: 1
34
258039
Шплинт 3,2х20
В узле: 1
35
402405
Ниппель
В узле: 2
36
006-010-25-2-3
Кольцо
В узле: 1
37
010-014-25-2-3
Кольцо
В узле: 2
38
016-020-25-2-3
Кольцо
В узле: 1
39
008-011-19-2-3
Кольцо
В узле: 1
Содержащиеся в справочниках-каталогах запасные части и детали не предлагаются к продаже, а носят исключительно информационный характер

Ваша заявка была отправлена. В ближайшее время наши специалисты с Вами свяжутся по указанному Вами телефону.

Представьтесь
Поле обязательно для заполнения
Ваш телефон
Введите правильный номер телефона
E-mail
Введите правильный e-mail
Тема
Тема
применяемость финансирование доставка цена, наличие другое сервис и гарантия
Время для звонка
08:00
08:00 09:00 10:00 11:00 12:00 13:00 14:00 15:00 16:00 17:00 18:00 19:00
19:00
08:00 09:00 10:00 11:00 12:00 13:00 14:00 15:00 16:00 17:00 18:00 19:00

Мы постараемся перезвонить в указанное время

Если вы не хотите ждать, то звоните нашим вежливым консультантам:

8 800 100-2-700
Подтвердите, что вы не робот
Подтвердите, что вы не робот
Спасибо!

Ваше сообщение успешно отправлено!

ЗакрытьПовторить попытку