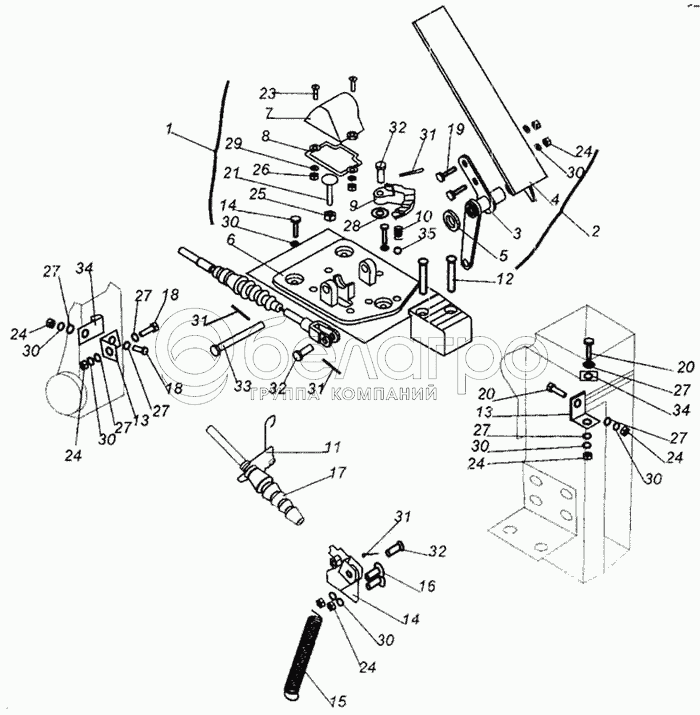
Каталог запасных частей к технике: МАЗ-437040 (Зубренок). Привод подачи топлива

zoom-in zoom-out enlarge shrink circle-right circle-left file-text2 info cart arraw right arraw left zoom out zoom in arraw maximize arraw minimize
1
2
3
4
5
6
7
8
9
10
11
12
13
13
14
14
15
16
17
18
18
19
20
20
21
23
24
24
24
24
24
24
25
26
27
27
27
27
27
27
27
28
29
30
30
30
30
30
30
30
31
31
31
31
32
32
32
33
34
34
35
1
64226-1108005-10
Педаль с кронштейном
В узле: 1
2
64226-1108008-10
Педаль с втулкой
В узле: 1
3
64226-1108056
Втулка с пластиной и рычагом
В узле: 1
4
64221-1108614
Педаль
В узле: 1
5
5336-1108161
Кольцо
В узле: 1
6
64221-1108025
Кронштейн педали
В узле: 1
7
5336-1108058
Крышка
В узле: 1
8
5336-1108059
Прокладка
В узле: 1
9
64221-1108432
Защелка
В узле: 1
10
220-8604028
Пружина
В узле: 1
11
4370-1108124
Кронштейн
В узле: 1
12
64221-1108029
Подставка
В узле: 1
13
504В-3504046
Угольник оттяжной пружины
В узле: 2
14
555142-1108132
Рычаг
В узле: 1
15
509-3570032
Пружина
В узле: 1
16
4370-1108432
Фиксатор
В узле: 2
17
4370-1108580
Гибкий привод
В узле: 1
18
201420
Болт М6-6gх20
В узле: 4
19
201422
Болт М6-6gх25
В узле: 3
20
201418
Болт М6-6gх16
В узле: 2
21
210382-10
Болт М8-6gх35
В узле: 1
22
221617
Винт 2М6-6gх45
В узле: 2
23
220080
Винт М5-6gх16
В узле: 2
24
250508
Гайка М6-6Н
В узле: 2
25
250510
Гайка М8-6Н
В узле: 2
26
250464
Гайка М5-6Н
В узле: 2
27
252004
Шайба 6
В узле: 7
28
252005
Шайба 8
В узле: 1
29
252133
Шайба 5Т
В узле: 2
30
252154
Шайба 6Л
В узле: 12
31
258039
Шплинт 3,2х20
В узле: 2
32
260033
Палец
В узле: 3
33
377931
Палец 10х75
В узле: 1
34
401878
Кпяммер
В узле: 2
35
Шарик 7,938-100
Шарик 7,938-100
В узле: 1
Содержащиеся в справочниках-каталогах запасные части и детали не предлагаются к продаже, а носят исключительно информационный характер

Ваша заявка была отправлена. В ближайшее время наши специалисты с Вами свяжутся по указанному Вами телефону.

Представьтесь
Поле обязательно для заполнения
Ваш телефон
Введите правильный номер телефона
E-mail
Введите правильный e-mail
Тема
Тема
применяемость финансирование доставка цена, наличие другое сервис и гарантия
Время для звонка
08:00
08:00 09:00 10:00 11:00 12:00 13:00 14:00 15:00 16:00 17:00 18:00 19:00
19:00
08:00 09:00 10:00 11:00 12:00 13:00 14:00 15:00 16:00 17:00 18:00 19:00

Мы постараемся перезвонить в указанное время

Если вы не хотите ждать, то звоните нашим вежливым консультантам:

8 800 100-2-700
Подтвердите, что вы не робот
Подтвердите, что вы не робот
Спасибо!

Ваше сообщение успешно отправлено!

ЗакрытьПовторить попытку