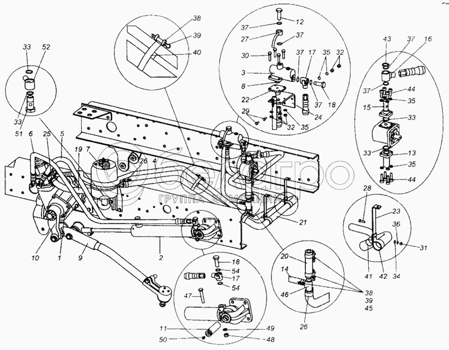
Каталог запасных частей к технике: МАЗ-437040 (Зубренок). Установка рулевого управления

zoom-in zoom-out enlarge shrink circle-right circle-left file-text2 info cart arraw right arraw left zoom out zoom in arraw maximize arraw minimize
1
2
3
4
5
6
7
8
9
10
11
12
13
14
15
16
17
17
18
18
19
20
21
22
23
24
25
26
26
27
28
29
30
31
32
32
33
33
33
33
34
35
35
35
35
36
37
37
37
37
37
37
38
38
39
39
40
41
42
43
44
44
45
46
47
48
49
50
51
52
54
54
1
64221-3400008-02
Механизм рулевой
В узле: 1
2
4370-3405005-010
Силовой цилиндр в сборе
В узле: 1
3
4370-3407260
Клапан расхода и давления
В узле: 1
4
4370-3408009
Шланг
В узле: 1
5
64221-3408011
Шланг
В узле: 2
6
64221-3408013
Шланг
В узле: 1
7
64221-3410008
Бак масляный
В узле: 1
8
028-033-30-2-3
Кольцо
В узле: 1
9
4370-3003010-010
Тяга продольная
В узле: 1
10
4370-3401090-010
Сошка
В узле: 1
11
64221-3403192
Палец
В узле: 1
12
503-3405188-10
Болт
В узле: 1
13
4370-3407223
Фланец
В узле: 1
14
4370-3407227
Шланг
В узле: 1
15
4370-3407263
Фланец
В узле: 1
16
4370-3408016
Наконечник
В узле: 1
17
64221-3408016
Наконечник
В узле: 3
18
64221-3408017
Болт приводной
В узле: 3
19
64221-3408024
Шланг
В узле: 1
20
4370-3408080
Шланг
В узле: 1
21
4370-3408082
Шланг
В узле: 1
22
4370-3407221
Фланец
В узле: 1
23
4370-3403187
Кронштейн
В узле: 2
24
4370-3407259
Кронштейн
В узле: 1
25
500-1303160
Хомут
В узле: 2
26
503-8609026
Хомут
В узле: 2
27
64221-3407224
Трубка
В узле: 1
28
201420
Болт М6-6gх20
В узле: 2
29
201456
Болт М8-6gх20
В узле: 2
30
201464
Болт М8-6gх40
В узле: 4
31
250508
Гайка М6-6Н
В узле: 2
32
250510
Гайка М8-6Н
В узле: 10
33
021-025-25-2-3
Кольцо
В узле: 4
34
252004
Шайба 6
В узле: 2
35
252135
Шайба 8Т
В узле: 14
36
252154
Шайба 6Л
В узле: 2
37
018-022-25-2-3
Кольцо
В узле: 6
38
297575
Шплинт 5,6х22
В узле: 6
39
297580
Пряжка
В узле: 6
40
297582
Лента
В узле: 2
41
379665
Кпяммер
В узле: 2
42
379675
Кляммер
В узле: 2
43
400570
Кольцо
В узле: 1
44
401033
Винт М8-6gх20
В узле: 8
45
401803
Лента
В узле: 4
46
403094
Тройник
В узле: 1
47
200372
Болт М12-6gх45
В узле: 1
48
250514
Гайка М12-6Н
В узле: 1
49
252137
Шайба 12.ОТ
В узле: 1
50
264072
Масленка 1.1.4ХЛ1
В узле: 1
51
5336-3408031
Болт приводной
В узле: 1
52
5336-3408018
Наконечник
В узле: 1
54
018-022-25-2-3
Кольцо
В узле: ---
Содержащиеся в справочниках-каталогах запасные части и детали не предлагаются к продаже, а носят исключительно информационный характер

Ваша заявка была отправлена. В ближайшее время наши специалисты с Вами свяжутся по указанному Вами телефону.

Представьтесь
Поле обязательно для заполнения
Ваш телефон
Введите правильный номер телефона
E-mail
Введите правильный e-mail
Тема
Тема
применяемость финансирование доставка цена, наличие другое сервис и гарантия
Время для звонка
08:00
08:00 09:00 10:00 11:00 12:00 13:00 14:00 15:00 16:00 17:00 18:00 19:00
19:00
08:00 09:00 10:00 11:00 12:00 13:00 14:00 15:00 16:00 17:00 18:00 19:00

Мы постараемся перезвонить в указанное время

Если вы не хотите ждать, то звоните нашим вежливым консультантам:

8 800 100-2-700
Подтвердите, что вы не робот
Подтвердите, что вы не робот
Спасибо!

Ваше сообщение успешно отправлено!

ЗакрытьПовторить попытку