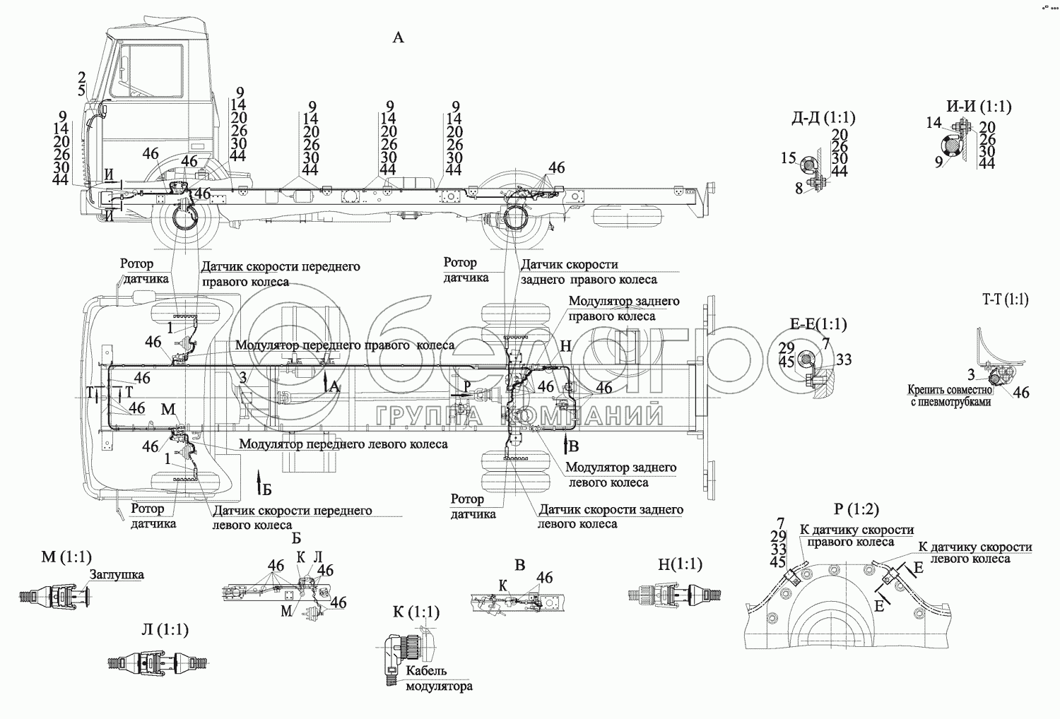
Каталог запасных частей к технике: МАЗ-437043 (Зубренок). Установка электрооборудования АБС 437040-3800040

zoom-in zoom-out enlarge shrink circle-right circle-left file-text2 info cart arraw right arraw left zoom out zoom in arraw maximize arraw minimize
1
1
2
3
3
7
7
9
9
9
9
9
9
14
14
14
14
14
14
20
20
20
20
20
20
20
26
26
26
26
26
26
26
29
29
30
30
30
30
30
30
30
33
33
44
44
44
44
44
44
44
45
45
46
46
46
46
46
46
46
46
46
46
46
46
46
46
46
46
46
1
4370-3538101
Установка датчика АБС на переднем колесе
В узле: 2
2
437040-3700120-010
Установка электрооборудования АБС по кабине
В узле: 1
3
437040-3724760
Жгут АБС по шасси
В узле: 1
7
500-1104542
Втулка
В узле: 2
9
64227-3506026
Прокладка
В узле: 9
14
64221-3724631
Хомут
В узле: 9
20
252037
Шайба 6
В узле: 9
26
201420
Болт М6-6gх20
В узле: 9
29
201491
Болт М10-6gх12
В узле: 2
30
250508
Гайка М6-6Н
В узле: 9
33
401859
Кляммер
В узле: 2
44
252134
Шайба 6Т
В узле: 9
45
252156
Шайба 10Л
В узле: 2
46
6430-3724625
Хомут крепления проводов
В узле: 50
46
4-0160977-2
Лента полиамидная (АМР)
В узле: 50
46
TSL-290-S
Кабельная стяжка
В узле: 50
Содержащиеся в справочниках-каталогах запасные части и детали не предлагаются к продаже, а носят исключительно информационный характер

Ваша заявка была отправлена. В ближайшее время наши специалисты с Вами свяжутся по указанному Вами телефону.

Представьтесь
Поле обязательно для заполнения
Ваш телефон
Введите правильный номер телефона
E-mail
Введите правильный e-mail
Тема
Тема
применяемость финансирование доставка цена, наличие другое сервис и гарантия
Время для звонка
08:00
08:00 09:00 10:00 11:00 12:00 13:00 14:00 15:00 16:00 17:00 18:00 19:00
19:00
08:00 09:00 10:00 11:00 12:00 13:00 14:00 15:00 16:00 17:00 18:00 19:00

Мы постараемся перезвонить в указанное время

Если вы не хотите ждать, то звоните нашим вежливым консультантам:

8 800 100-2-700
Подтвердите, что вы не робот
Подтвердите, что вы не робот
Спасибо!

Ваше сообщение успешно отправлено!

ЗакрытьПовторить попытку