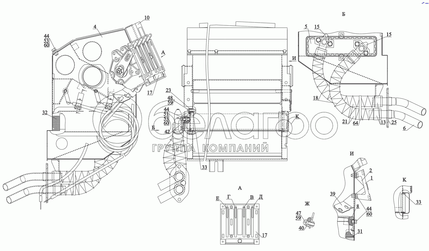
Каталог запасных частей к технике: МАЗ-437130 (Зубренок). Блок радиатора 544069-8101010

zoom-in zoom-out enlarge shrink circle-right circle-left file-text2 info cart arraw right arraw left zoom out zoom in arraw maximize arraw minimize
1
2
4
5
6
8
10
13
13
15
15
17
17
18
21
23
25
31
32
33
33
39
40
42
42
44
44
44
47
48
51
53
53
59
59
60
60
60
64
1
54402-3870003
Кронштейн левый
В узле: 1
2
54402-3870007
Кронштейн правый
В узле: 1
4
6430-8101050
Корпус радиатора
В узле: 1
5
544069-8101055
Радиатор отопителя
В узле: 1
6
5440-8101081
Фланец с трубками
В узле: 1
8
6430-8101105
Экран
В узле: 1
10
6430-8101240-010
Крышка
В узле: 1
13
6430-8101476
Хомут
В узле: 4
13
TORRO25-40/9-C7W2
Хомут
В узле: 4
15
544069-8101499-010
Фланец радиатора
В узле: 2
17
5440-8109011
Пульт управления
В узле: 1
18
535A-3408046
Пружина
В узле: 2
21
543205-8101040
Шланг (L=290мм, рукав 20х29-1,6)
В узле: 2
23
6430-8101084
Прижим
В узле: 2
25
6430-8101100
Уплотнитель
В узле: 1
31
6430-8101385
Уплотнитель
В узле: 1
32
6430-8101385-010
Уплотнитель
В узле: 1
33
544069-8101385
Уплотнитель
В узле: 1
39
6430-8109054
Кронштейн
В узле: 1
40
6430-8109044-010
Прижим
В узле: 2
42
544069-8101349
Прокладка уплотнительная фланца радиатора отопителя
В узле: 2
42
2101-8101332-10
Прокладка уплотнительная фланца радиатора отопителя
В узле: 2
44
201420
Болт М6-6gх20
В узле: 15
47
220080
Винт М5-6gх16
В узле: 2
48
220082
Винт М5-6gх20
В узле: 2
51
250508
Гайка М6-6Н
В узле: 4
53
252004
Шайба 6
В узле: 8
59
252133
Шайба 5Т
В узле: 4
60
252154
Шайба 6Л
В узле: 15
64
8320236
Кабельная стяжка
В узле: 2
Содержащиеся в справочниках-каталогах запасные части и детали не предлагаются к продаже, а носят исключительно информационный характер

Ваша заявка была отправлена. В ближайшее время наши специалисты с Вами свяжутся по указанному Вами телефону.

Представьтесь
Поле обязательно для заполнения
Ваш телефон
Введите правильный номер телефона
E-mail
Введите правильный e-mail
Тема
Тема
применяемость финансирование доставка цена, наличие другое сервис и гарантия
Время для звонка
08:00
08:00 09:00 10:00 11:00 12:00 13:00 14:00 15:00 16:00 17:00 18:00 19:00
19:00
08:00 09:00 10:00 11:00 12:00 13:00 14:00 15:00 16:00 17:00 18:00 19:00

Мы постараемся перезвонить в указанное время

Если вы не хотите ждать, то звоните нашим вежливым консультантам:

8 800 100-2-700
Подтвердите, что вы не робот
Подтвердите, что вы не робот
Спасибо!

Ваше сообщение успешно отправлено!

ЗакрытьПовторить попытку