Каталог запасных частей к технике: МАЗ-500А. Блок цилиндров

zoom-in zoom-out enlarge shrink circle-right circle-left file-text2 info cart arraw right arraw left zoom out zoom in arraw maximize arraw minimize
1
2
2
2
2
2
3
4
5
6
7
8
9
10
11
12
12
13
14
15
16
17
18
19
20
21
22
23
24
25
26
27
28
29
30
31
32
33
34
35
35
36
36
37
38
39
40
313410-П2
Штифт установочный
В узле: 2
236-1002012
Блок цилиндров в сборе
В узле: 1
ПЖД-600-1015500-Б
Электромагнитный клапан в сборе
В узле: 1
312534-П2
Шайба замковая
В узле: 1
236-1014270
Фланец трубки сапуна
В узле: 1
236-1014266
Трубка сапуна
В узле: 1
СН-65-00-00
Свеча накаливания
В узле: 1
236-1009096
Отражатель сливного клапана
В узле: 1
537-1015920-Б
Насос шестеренчатый в сборе
В узле: 1
ПЖД-44-1015100
Горелка подогревателя в сборе
В узле: 1
236-1002024
Кольцо гильзы уплотнительное
В узле: 12
ПДЖ-44-1015010-Б
Котел подогревателя в сборе
В узле: 1
236-1002260-Б2
Крышка шестерен распределения в сборе
В узле: 1
ПЖД400-1015200-А
Насосный агрегат в сборе
В узле: 1
236-1002272
Маслоотражатель крышки шестерен распределения
В узле: 1
236-1002255-В2
Крышка блока верхняя в сборе
В узле: 1
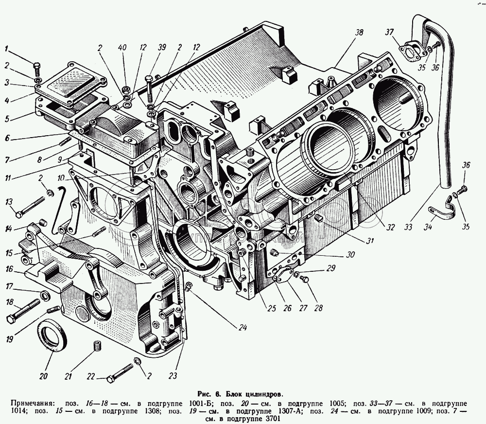
1
201499-П29
Болт
В узле: 4
2
252136-П2
Шайба
В узле: 4
3
236-1002282-Б
Заглушка люка верхней крышки блока
В узле: 1
4
36-1002283
Прокладка заглушки люка
В узле: 1
5
236-1002256-В2
Крышка блока верхняя
В узле: 1
6
236-1002258-А
Прокладка верхней крышки блока
В узле: 1
7
216233-П29
Шпилька крепления планки
В узле: 1
8
216262-П29
Шпилька крепления крышки
В узле: 1
9
236-1002266
Прокладка крышки шестерен распределения правая
В узле: 1
10
216344-П29
Шпилька крепления крышки
В узле: 2
11
236-1002264-А
Крышка шестерен распределения
В узле: 1
12
252006-П29С
Шайба
В узле: 2
13
200328-П29
Болт
В узле: 2
14
262518-П2
Пробка коническая
В узле: 1
15
216258-П29
Шпилька
В узле: 4
16
236-1001020-А
Кронштейн передней опоры двигателя
В узле: 1
17
252138-П2
Шайба пружинная
В узле: 4
18
200827-П29
Болт
В узле: 4
19
216259-П29
Шпилька
В узле: 4
20
201-1005034-Б3
Манжета в сборе
В узле: 1
21
236-1002227
Ввертыш
В узле: 6
22
200325-П29
Болт
В узле: 8
23
236-1002265
Прокладка крышки шестерен распределения левая
В узле: 1
24
314670-П
Штуцер
В узле: 1
25
262519-П2
Пробка коническая
В узле: 3
26
201-1306075-А
Прокладка заглушки водяного канала блока цилиндрв
В узле: 6
27
236-1002404
Заглушка
В узле: 6
28
201454-П29
Болт
В узле: 12
29
252135-П2
Шайба
В узле: 12
30
316121-П21
Пробка коническая
В узле: 2
31
316105-П29
Пробка
В узле: 2
32
236-1002021
Гильза цилиндров
В узле: 6
33
236-1014250
Сапун в сборе
В узле: 1
34
315450-П29С
Кляммер сапуна
В узле: 1
35
252135-П2
Шайба
В узле: 1
36
201456-П29
Болт
В узле: 1
36
201456-П2
Болт
В узле: 2
37
236-1014272
Прокладка сапуна
В узле: 1
38
236-1002015-А
Блок цилиндров
В узле: 1
39
200325-П29
Болт
В узле: 2
40
250513-П29
Гайка
В узле: 3
Содержащиеся в справочниках-каталогах запасные части и детали не предлагаются к продаже, а носят исключительно информационный характер

Ваша заявка была отправлена. В ближайшее время наши специалисты с Вами свяжутся по указанному Вами телефону.

Представьтесь
Поле обязательно для заполнения
Ваш телефон
Введите правильный номер телефона
E-mail
Введите правильный e-mail
Тема
Тема
применяемость финансирование доставка цена, наличие другое сервис и гарантия
Время для звонка
08:00
08:00 09:00 10:00 11:00 12:00 13:00 14:00 15:00 16:00 17:00 18:00 19:00
19:00
08:00 09:00 10:00 11:00 12:00 13:00 14:00 15:00 16:00 17:00 18:00 19:00

Мы постараемся перезвонить в указанное время

Если вы не хотите ждать, то звоните нашим вежливым консультантам:

8 800 100-2-700
Подтвердите, что вы не робот
Подтвердите, что вы не робот
Спасибо!

Ваше сообщение успешно отправлено!

ЗакрытьПовторить попытку