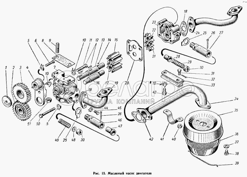
Каталог запасных частей к технике: МАЗ-500А. Масляный насос двигателя

zoom-in zoom-out enlarge shrink circle-right circle-left file-text2 info cart arraw right arraw left zoom out zoom in arraw maximize arraw minimize
1
2
3
4
5
5
6
7
8
9
10
10
10
11
12
13
14
15
16
17
18
18
19
20
21
22
23
24
25
25
25
26
26
27
28
29
30
30
31
32
33
34
35
36
37
38
39
40
41
42
43
44
45
45
45
46
47
48
49
50
51
236-1011030-Б
Шестерня нагнетающей секции ведомая в сборе
В узле: 1
236-1011352
Трубка отводящая нагнетающей секции
В узле: 1
236-1011422-Б
Трубка отводящая радиаторной секции
В узле: 1
236-1011398-Б2
Трубка с заборником в сборе всасывающая
В узле: 1
204Б-1-11305
Упор сетки заборника
В узле: 1
236-1011292-В2
Фланец всасывающей трубки передний
В узле: 1
236-1011356-Б2
Фланец отводящей трубки
В узле: 2
236-1011356-Б2
Фланец отводящей трубки
В узле: 2
204Б-1011300
Чашка заборника в сборе
В узле: 1
236-1011294-Б
Фланец всасывающей трубки задний
В узле: 1
236-1011040-Б
Шестерня нагнетающей секции ведущая в сборе
В узле: 1
236-1011240
Шестерня привода масляного насоса промежуточная
В узле: 1
258254-П
Шплинт-проволока
В узле: 1
258611-П2
Штифт
В узле: 1
313404-П2
Штифт
В узле: 2
313404-П2
Штифт
В узле: 1
236-1011034
Втулка валика масляного насоса
В узле: 2
236-1011048-Б
Клапан нагнетающей секции редукционный в сборе
В узле: 1
236-1011206
Втулка промежуточной шестерни масляного насоса
В узле: 1
206В-1011037
Втулка установочная
В узле: 2
258623-П2
Заглушка
В узле: 1
236-1011399
Трубка всасывающая с чашкой заборника в сборе
В узле: 1
236-1011363-Б
Клапан радиаторной секции предохранительный в сборе
В узле: 1
236-1011020-Б
Корпус нагнетающей секции масляного насоса
В узле: 1
236-1011015-Б
Корпус нагнетающей секции масляного насоса в сборе
В узле: 1
236-1011021-Б
Корпус радиаторной секции масляного насоса
В узле: 1
236-1011010-А
Насос масляный с трубками в сборе
В узле: 1
236-1011402-В
Трубка всасывающая
В узле: 1
204А-1011312-В
Сетка заборника наружная
В узле: 1
204А-1011314-Б
Сетка заборника внутренняя
В узле: 1
204А-1011311-Б
Сетка заборника в сборе
В узле: 1
236-1011208
Ось промежуточной шестерни
В узле: 1
204А-1011316-Б
Ободок сетки заборника
В узле: 1
236-1011014-Б
Масляный насос в сборе
В узле: 1
1
236-1011217
Фланец упорный
В узле: 1
2
236-1011230
Шестерня привода масляного насоса ведомая
В узле: 1
3
236-1011202
Шестерня привода масляного насоса промежуточная в сборе
В узле: 1
4
236-1011207
Ось промежуточной шестерни в сборе
В узле: 1
5
312533-П15
Шайба замковая
В узле: 1
6
310266-П
Болт крепления упорного фланца
В узле: 1
7
236-1011018-Б
Корпус нагнетающей секции масляного насоса с втулками в сборе
В узле: 1
8
236-1011380
Прокладка регулировочная
В узле: 1
9
310436-П
Шпилька крепления насоса
В узле: 2
10
312534-П2
Шайба замковая
В узле: 1
11
310203-П2
Болт крепления оси
В узле: 1
12
314005-П2
Шпонка сегментная
В узле: 1
13
236-1011042-Б
Валик масляного насоса ведущий
В узле: 1
14
201-1015434
Шарик стопорный
В узле: 1
15
236-1011045-Б
Шестерня нагнетающей секции-ведущая
В узле: 1
16
236-1011025-Б
Ось ведомых шестерен масляного насоса
В узле: 1
17
236-1011032-Б
Шестерня нагнетающей секции ведомая
В узле: 1
18
236-1011358
Прокладка фланца
В узле: 2
19
236-1011350-Б2
Трубка отводящая нагнетающей секции в сборе
В узле: 1
20
236-1011049
Проставка масляного насоса
В узле: 1
21
236-1011114
Шестерня радиаторной секции ведомая
В узле: 1
22
236-1011100
Шестерня радиаторной секции ведущая
В узле: 1
23
236-1011019-Б
Корпус радиаторной секции масляного насоса в сборе
В узле: 1
24
236-1011420-Б2
Трубка отводящая радиаторной секции в сборе
В узле: 1
25
312559-П2
Шайба предохранительного клапана радиаторной секции замковая
В узле: 1
25
312571-П2
Шайба сливного клапана замковая
В узле: 1
26
258056-П29С
Шплинт разводной
В узле: 1
27
236-1011365-Б
Корпус предохранительного клапана радиаторной секции
В узле: 1
28
236-1011364
Клапан радиаторной секции предохранительный
В узле: 1
29
236-1011368-Б
Пружина предохранительного клапана радиаторной секции
В узле: 1
30
236-1011071-В2
Колпачок
В узле: 1
31
205417-П2
Болт крепления скобы
В узле: 2
32
258013-П29С
Шплинт разводной
В узле: 2
33
236-1011320
Кронштейн крепления всасывающей трубки
В узле: 1
34
236-1011400-В2
Трубка всасывающая в сборе
В узле: 1
35
204А-1011304-Б
Чашка заборника
В узле: 1
36
204А-1011310-В
Сетка заборника масляного насоса с ободком в сборе
В узле: 1
37
252005-П
Шайба
В узле: 2
38
206513-П2
Болт крепления чашки заборника
В узле: 2
39
204А-1011318-Б
Крючок крепления сетки заборника
В узле: 1
40
250985-П2
Гайка
В узле: 2
41
236-1011322
Скоба крепления всасывающей трубки
В узле: 1
42
236-1011296
Прокладка переднего фланца
В узле: 1
43
201493-П29
Болт
В узле: 2
44
312533-П15
Шайба замковая
В узле: 2
45
201456-П29
Болт
В узле: 2
45
201456-П29
Болт
В узле: 2
45
201456-П29
Болт
В узле: 2
46
236-1011050-Б
Корпус сливного клапана
В узле: 1
47
236-1011054-Б
Клапан сливной
В узле: 1
48
312485-П2
Шайба регулировочная
В узле: 3
49
236-1011058-Б
Пружина редукционного клапана нагнетающей секции
В узле: 1
50
200276-П29
Болт
В узле: 4
51
250513-П29
Гайка
В узле: 2
Содержащиеся в справочниках-каталогах запасные части и детали не предлагаются к продаже, а носят исключительно информационный характер

Ваша заявка была отправлена. В ближайшее время наши специалисты с Вами свяжутся по указанному Вами телефону.

Представьтесь
Поле обязательно для заполнения
Ваш телефон
Введите правильный номер телефона
E-mail
Введите правильный e-mail
Тема
Тема
применяемость финансирование доставка цена, наличие другое сервис и гарантия
Время для звонка
08:00
08:00 09:00 10:00 11:00 12:00 13:00 14:00 15:00 16:00 17:00 18:00 19:00
19:00
08:00 09:00 10:00 11:00 12:00 13:00 14:00 15:00 16:00 17:00 18:00 19:00

Мы постараемся перезвонить в указанное время

Если вы не хотите ждать, то звоните нашим вежливым консультантам:

8 800 100-2-700
Подтвердите, что вы не робот
Подтвердите, что вы не робот
Спасибо!

Ваше сообщение успешно отправлено!

ЗакрытьПовторить попытку