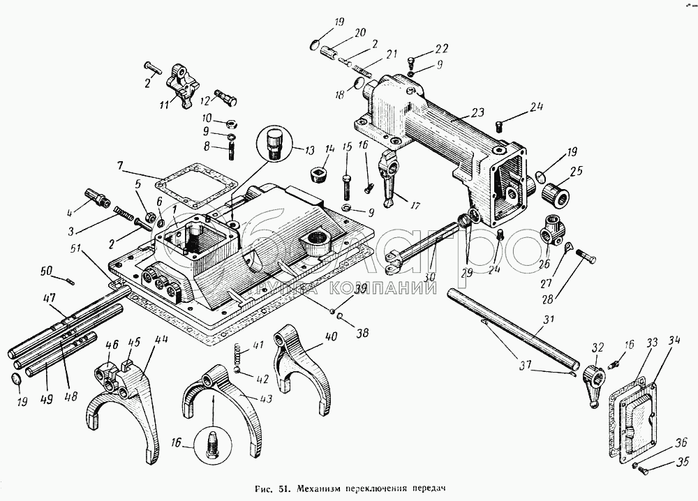
Каталог запасных частей к технике: МАЗ-503А. Механизм переключения передач

zoom-in zoom-out enlarge shrink circle-right circle-left file-text2 info cart arraw right arraw left zoom out zoom in arraw maximize arraw minimize
1
2
2
2
3
4
5
6
7
8
9
9
9
10
11
12
13
14
15
16
16
16
16
16
17
18
19
19
19
19
20
21
22
23
24
24
25
26
27
28
29
30
31
32
33
34
35
36
37
38
39
40
41
42
43
44
45
46
47
48
49
50
51
236-1702206-Б
Картер механизма дистанционного переключения передач в сборе
В узле: 1
236-1702218
Валик переключения передач в сборе
В узле: 1
314040-П2
Шпонка сегментная
В узле: 1
258250-П29
Шплинт-проволока установочного винта головки
В узле: 1
258250-П
Шплинт-проволока
В узле: 1
258253-П29
Шплинт-проволока установочного винта вилки
В узле: 1
258252-П29
Шплинт-проволока установочного винта
В узле: 1
236-1702200
Механизм дистанционного переключения передач в сборе
В узле: 1
236-1702013-Б
Крышка коробки передач верхняя в сборе
В узле: 1
236-1702010-Б
Крышка коробки передач верхняя в сборе
В узле: 1
236-1702171-Б
Корпус сапуна
В узле: 1
236-1702172-Б
Колпак корпуса сапуна
В узле: 1
258253-П29
Шплинт-проволока установочного винта вилки
В узле: 1
1
236-1702015-Б
Крышка коробки передач верхняя
В узле: 1
2
236-1702129
Штифт фиксатора выбора передач
В узле: 2
2
236-1702129
Штифт фиксатора выбора передач
В узле: 1
3
236-1702127-А
Пружина предохранителя
В узле: 1
4
236-1702132
Стакан пружины предохранителя
В узле: 1
5
250615-П29
Гайка
В узле: 1
6
252137-П2
Шайба пружинная
В узле: 1
7
236-1702122
Прокладка опоры рычага переключения передач
В узле: 1
8
216258-П29
Шпилька
В узле: 4
9
252136-П2
Шайба
В узле: 1
10
250513-П29
Гайка
В узле: 4
11
236-1702125
Поводок переключения первой передачи и заднего хода
В узле: 1
12
236-1702126
Ось поводка переключения передачи и заднего хода
В узле: 1
13
236-1702170-А
Сапун коробки передач в сборе
В узле: 1
14
262522-П2
Пробка
В узле: 1
15
201497-П29
Болт
В узле: 12
16
236-1702025
Винт установочный
В узле: 1
16
236-1702025
Винт установочный
В узле: 1
16
236-1702025
Винт установочный
В узле: 1
17
236-1702225-Б
Рычаг переключения передач
В узле: 1
18
260311-П25
Заглушка
В узле: 1
19
260310-П15
Заглушка
В узле: 3
19
260310-П15
Заглушка
В узле: 2
20
236-1702213
Втулка фиксатора выбора передач
В узле: 1
21
236-1702106
Пружина
В узле: 1
22
236-1702215
Болт втулки фиксатора установочный
В узле: 1
23
236-1702209-Б
Картер механизма дистанционного переключения передач
В узле: 1
24
316121-П29
Пробка
В узле: 2
25
236-1702210-Б
Втулка картера механизма дистанционного переключения
В узле: 1
26
236-1702229
Головка штока вилки
В узле: 1
27
312534-П2
Шайба замковая
В узле: 1
28
310213-П29
Болт крепления головки штока вилки .
В узле: 1
29
236-1702216
Кольцо уплотнительное штока вилки
В узле: 2
30
236-1702227
Шток вилки продольной тяги переключения передач
В узле: 1
31
236-1702221
Валик переключения передач
В узле: 1
32
236-1702222
Рычаг переключения передач промежуточный
В узле: 1
33
236-1702241
Прокладка крышки картера
В узле: 1
34
236-1702240
Крышка картера механизма дистанционного переключения передач
В узле: 1
35
301454-П29
Болт крепления крышки
В узле: 6
36
252135-П2
Шайба
В узле: 6
37
314040-П2
Шпонка сегментная
В узле: 1
38
260303-П15
Заглушка малая верхней крышки коробки передач
В узле: 2
39
200-1702083
Шарик
В узле: 4
40
236-1702024
Вилка переключения первой передачи и заднего хода
В узле: 1
41
236-1702106
Пружина
В узле: 3
42
236-1702100
Шарик Б12.7-200
В узле: 3
43
236-1702027
Вилка переключения второй и третьей передач
В узле: 1
44
236-1702033
Вилка переключения четвертой и пятой передач
В узле: 1
45
236-1702028
Головка штока вилки переключения второй и третьей передач
В узле: 1
46
236-1702053
Головка штока вилки переключения первой передачи и заднего хода
В узле: 1
47
236-1702060
Шток вилки .переключения первой передачи и заднего хода
В узле: 1
48
236-1702064
Шток вилки переключения второй и третьей передач
В узле: 1
49
236-1702074
Шток вилки переключения четвертой и пятой передач
В узле: 1
50
236-1701087
Штифт замка штоков вилок переключения передач
В узле: 1
51
236-1702014
Прокладка верхней крышки коробки передач
В узле: 1
Содержащиеся в справочниках-каталогах запасные части и детали не предлагаются к продаже, а носят исключительно информационный характер

Ваша заявка была отправлена. В ближайшее время наши специалисты с Вами свяжутся по указанному Вами телефону.

Представьтесь
Поле обязательно для заполнения
Ваш телефон
Введите правильный номер телефона
E-mail
Введите правильный e-mail
Тема
Тема
применяемость финансирование доставка цена, наличие другое сервис и гарантия
Время для звонка
08:00
08:00 09:00 10:00 11:00 12:00 13:00 14:00 15:00 16:00 17:00 18:00 19:00
19:00
08:00 09:00 10:00 11:00 12:00 13:00 14:00 15:00 16:00 17:00 18:00 19:00

Мы постараемся перезвонить в указанное время

Если вы не хотите ждать, то звоните нашим вежливым консультантам:

8 800 100-2-700
Подтвердите, что вы не робот
Подтвердите, что вы не робот
Спасибо!

Ваше сообщение успешно отправлено!

ЗакрытьПовторить попытку