Каталог запасных частей к технике: МАЗ-504А. Передняя ось

zoom-in zoom-out enlarge shrink circle-right circle-left file-text2 info cart arraw right arraw left zoom out zoom in arraw maximize arraw minimize
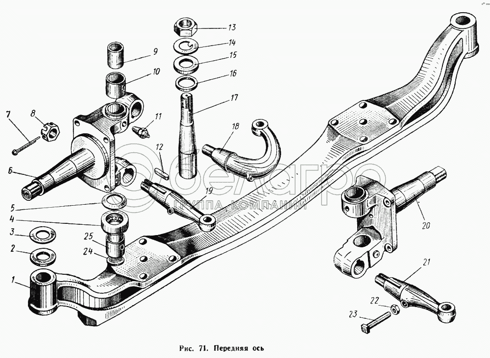
1
2
3
4
5
6
7
8
9
10
11
12
13
14
15
16
17
18
19
20
21
22
23
24
25
500А-3001012
Кулак поворотный правый в сборе
В узле: 1
500А-3000012
Ось передняя с тормозами в сборе
В узле: 1
500А-3001013
Кулак поворотный левый в сборе
В узле: 1
1
503-3001010
Балка передней оси
В узле: 1
2
200-3001023
Шайба регулировочная
В узле: ---
3
200-3001022
Шайба регулировочная
В узле: ---
4
200-3001020
Подшипник шкворня кулака упорный в сборе
В узле: 2
5
200-3001024
Шайба регулировочная
В узле: 2
6
500А-3001015
Кулак поворотный левый
В узле: 1
7
258086-П29
Шплинт
В узле: 3
8
311615-П29
Гайка
В узле: 3
9
500А-3001026
Втулка распорная
В узле: 2
10
500А-3001016
Втулка шкворня поворотного кулака
В узле: 2
11
264020-П8
Пресс-масленка
В узле: 4
12
314101-П
Шпонка
В узле: 3
13
311400-П29
Гайка
В узле: 2
14
200-3001029
Шайба замковая шкворня поворотного кулака
В узле: 2
15
500А-3001028
Шайба
В узле: 2
16
500А-3001027
Кольцо
В узле: 2
17
500А-3001019
Шкворень
В узле: 2
18
500-3001035-Б
Рычаг продольной тяги
В узле: 1
19
500-3001031
Рычаг рулевой трапеции левый
В узле: 1
20
500А-3001014
Кулак поворотный правый
В узле: 1
21
500-3001030
Рычаг рулевой трапеции правый
В узле: 1
22
250559-П29
Гайка
В узле: 2
23
310150-П29
Болт
В узле: 2
24
260325-П
Заглушка шкворня поворотного кулака
В узле: 2
25
500А-3001017
Втулка шкворня нижняя
В узле: 2
Содержащиеся в справочниках-каталогах запасные части и детали не предлагаются к продаже, а носят исключительно информационный характер

Ваша заявка была отправлена. В ближайшее время наши специалисты с Вами свяжутся по указанному Вами телефону.

Представьтесь
Поле обязательно для заполнения
Ваш телефон
Введите правильный номер телефона
E-mail
Введите правильный e-mail
Тема
Тема
применяемость финансирование доставка цена, наличие другое сервис и гарантия
Время для звонка
08:00
08:00 09:00 10:00 11:00 12:00 13:00 14:00 15:00 16:00 17:00 18:00 19:00
19:00
08:00 09:00 10:00 11:00 12:00 13:00 14:00 15:00 16:00 17:00 18:00 19:00

Мы постараемся перезвонить в указанное время

Если вы не хотите ждать, то звоните нашим вежливым консультантам:

8 800 100-2-700
Подтвердите, что вы не робот
Подтвердите, что вы не робот
Спасибо!

Ваше сообщение успешно отправлено!

ЗакрытьПовторить попытку