Каталог запасных частей к технике: МАЗ-504А. Схема электрооборудования

zoom-in zoom-out enlarge shrink circle-right circle-left file-text2 info cart arraw right arraw left zoom out zoom in arraw maximize arraw minimize
1
1
3
3
3
4
5
5
6
7
7
8
8
9
10
11
11
12
13
14
14
14
14
15
15
16
17
18
20
21
21
22
23
24
25
26
27
28
29
30
31
32
32
32
33
34
35
36
37
37
37
38
38
39
40
41
43
44
44
45
45
46
47
48
49
50
51
52
53
54
55
56
57
58
59
60
61
61
62
62
63
64
65
66
67
68
69
73
75
75
76
77
78
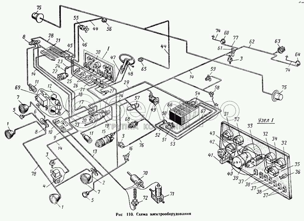
504-3716036
Амортизатор
В узле: 4
201418-П15
Болт
В узле: 1
201418-П29
Болт
В узле: 1
201420-П29
Болт М6х20
В узле: 2
201458-П29
Болт
В узле: 2
201497-П29
Болт
В узле: 8
201499-П29
Болт
В узле: 1
201501-П29
Болт
В узле: 1
201520-П29
Болт
В узле: 3
202422-П29
Болт
В узле: 16
УП101-3726105
Болт
В узле: 4
201497-П29
Болт
В узле: 1
201420-П29
Болт М6х20
В узле: 1
ПС300А-3723150
Вилка штепсельная ПС-300 .
В узле: 2
210079-П29
Винт
В узле: 4
220076-П29
Винт
В узле: 2
220076-П29
Винт
В узле: 4
220077-П29
Винт-заглушка
В узле: 2
220079-П29
Винт
В узле: 8
220080-П29
Винт
В узле: 5
220082-П29
Винт
В узле: 1
220086-П29
Винт
В узле: 2
220103-П29
Винт
В узле: 1
220104-П29
Винт
В узле: 2
220105-П29
Винт
В узле: 2
220107-П29
Винт
В узле: 1
221512-П29
Винт
В узле: 2
221590-П29
Винт
В узле: 3
223064-П13
Винт
В узле: 2
224681-П13
Винт
В узле: 2
373746-П29
Винт
В узле: 1
373800-П29
Винт
В узле: 1
401064-П22
Винт
В узле: 2
Н-11-27-П29
Винт
В узле: 4
220103-П29
Винт
В узле: 4
242468-П29
Винт стопорный
В узле: 1
373746-П29
Винт
В узле: 1
200-3724015
Втулка резиновая
В узле: 2
200-3724042
Втулка
В узле: 1
200-3724065
Втулка
В узле: 1
200-3802045
Втулка
В узле: 2
500-1104540
Втулка
В узле: 2
500-3724065
Втулка
В узле: 1
503-8609438
Втулка
В узле: 1
535А-3724015
Втулка
В узле: 1
250508-П29
Гайка М6
В узле: 1
250510-П29
Гайка
В узле: 2
250512-П29
Гайка
В узле: 1
250512-П29
Гайка
В узле: 2
250515-П29
Гайка
В узле: 2
250760-П29
Гайка
В узле: 2
250763-П29
Гайка
В узле: 1
311504-П14
Гайка
В узле: 1
374620-П13
Гайка
В узле: 2
250508-П29
Гайка М6
В узле: 1
5224В-3521110
Держатель штепсельной вилки
В узле: 1
51-3723104
Зажим соединительной муфты
В узле: 4
315406-П29
Кляммер
В узле: 1
315407-П29
Кляммер воздухопровода
В узле: 1
379166-П29
Кляммер
В узле: 1
379173-П29
Кляммер
В узле: 2
379665-П29
Кляммер
В узле: 4
401861-П29
Кляммер
В узле: 1
500А-3724076
Колпак защитный
В узле: 4
500-3709024
Колпачок ножного переключателя
В узле: 1
500-3721084-В
Контакт
В узле: 1
500-3723210
Коробка в сборе
В узле: 1
51-3723102
Корпус соединительной муфты проводов
В узле: 2
500-3723040
Кронштейн .
В узле: 1
500-3741032
Кронштейн в сборе
В узле: 1
500А-3716016
Кронштейн заднего фонаря в сборе
В узле: 2
504-3716025
Кронштейн крепления номерного знака
В узле: 2
500-3723140-А
Кронштейн крепления штепсельной розетки
В узле: 1
500-3726036
Кронштейн переключателя
В узле: 1
А24-1
Лампа
В узле: 7
А24-21
Лампа
В узле: 1
А24-3
Лампа
В узле: 2
500-3709018
Люк ножного переключателя
В узле: 1
504-3716035
Накладка
В узле: 8
504А-3716036
Прокладка
В узле: 2
191-8104220
Накладка верхнего фланца
В узле: 1
191-8104217
Накладка нижнего фланца
В узле: 1
210Д-3506342
Наконечник оттяжной пружины в сборе
В узле: 1
500-3810058
Ниппель
В узле: 2
500-3724047
Обойма уплотнителя
В узле: 1
УП101-3726100
Основание в сборе
В узле: 2
500-3721090-В
Основание контактного устройства
В узле: 1
500-3724096-В1
Перемычка между включателями
В узле: 2
500-3724210-Б1
Перемычка между предохранителями
В узле: 1
500-8207038
Пробка
В узле: 1
500-3724083
Провод к подкузовному фонарю
В узле: 1
500-3724060-А
Провод массы
В узле: 2
504-3724061
Провод массы заднего фонаря
В узле: 2
504-3724062-Ж
Провод от аккумуляторных батарей к стартеру
В узле: 1
500-3724082
Провод от переключателя кузовного фонаря
В узле: 1
500-3724413-Б1
Провод электродвигателя вентилятора
В узле: 1
200-3806026
Прокладка
В узле: 1
500-3703040-Б
Прокладка
В узле: 2
500-3726048
Прокладка
В узле: 2
504А-3716036
Прокладка
В узле: 2
ФП124-3716203
Прокладка
В узле: 2
500-3712018
Прокладка корпуса подфарника
В узле: 2
500-3711024
Прокладка корпуса фары
В узле: 2
500-3723242
Прокладка штепсельной розетки переносной лампы
В узле: 1
500-3721088-В
Пружина
В узле: 1
200В-3506341
Пружина оттяжная
В узле: 1
500-3724131-Б1
Пучок проводов стеклоочистителя
В узле: 2
504А-3724040-Б
Пучок проводов штепсельной розетки полуприцепа
В узле: 1
УП101-3726204
Рассеиватель
В узле: 2
191-8104240
Решетка вентилятора задняя в сборе
В узле: 1
191-8104226
Решетка вентилятора передняя в сборе
В узле: 1
500-3709014-Б
Ручка центрального переключателя света
В узле: 1
379287-П1
Скоба пружинная
В узле: 1
379289-П1
Скоба пружинная
В узле: 3
379333-П1
Скоба пружинная
В узле: 2
379333-П2
Скоба пружинная
В узле: 2
500-3724150
Скоба пружинная в сборе
В узле: 1
191-8104222
Стойка кронштейна в сборе
В узле: 1
504А-3723232
Стойка штепсельной розетки прицепа в сборе
В узле: 1
500-3703042-Б
Угольник кронштейна аккумуляторных батарей
В узле: 2
500-3724048
Уплотнитель пучков проводов
В узле: 1
500-3724049
Уплотнитель пучков проводов
В узле: 1
191-8104219
Фланец кронштейна верхний
В узле: 1
191-8104215
Фланец кронштейна нижний
В узле: 1
500А-3724152
Чехол защитный
В узле: 1
252003-П
Шайба
В узле: 4
252003-П29
Шайба
В узле: 1
252004-П22
Шайба
В узле: 2
252004-П29
Шайба
В узле: 2
252037-П29
Шайба
В узле: 1
252133-П2
Шайба
В узле: 8
252134-П2
Шайба
В узле: 1
252136-П2
Шайба
В узле: 8
375370-П14
Шайба
В узле: 5
252133-П2
Шайба
В узле: 1
252134-П2
Шайба
В узле: 2
252135-П2
Шайба
В узле: 2
252136-П2
Шайба
В узле: 1
252154-П2
Шайба пружинная
В узле: 3
262134-П2
Шайба
В узле: 2
Н-15-5-П15
Шайба пружинная
В узле: 4
5245-3723024
Штепсель привода с проводами и шлангами в сборе
В узле: 1
СКМЭ205-8101000
Электродвигатель вентилятора
В узле: 1
2412.3716010
Фонарь задний противотуманный
В узле: ---
1
ФГ119-3711000-В
Фара противотуманная
В узле: 2
3
ММ350Б-3810000-Г
Датчик указателя давления масла и воздуха ММ-350Б
В узле: 3
4
СК-РР127-3702000
Реле-регулятор в сборе
В узле: 1
5
ПФ101-3712000-В
Подфарник с лампой А28-32/28-4
В узле: 2
6
500-3724342-Г
Пучок проводов правого подфарника
В узле: 1
7
ФГ-122-3711000-В
Фара
В узле: 2
8
ПС5-3723000
Панель пятиклеммовая соединительная
В узле: 3
9
ПЖД400-1015410-Б
Щиток управления подогревателем
В узле: 1
10
500-3724045-Б2
Пучок проводов между фарами
В узле: 1
11
СЛ108-5205000-Г
Стеклоочиститель электрический СЛ-108
В узле: 2
12
СК101-3721000
Сигнал звуковой двухтональный в сборе
В узле: 1
13
500-3724086-Б
Пучок проводов подогревателя двигателя
В узле: 1
14
500А-3724030
Пучок проводов по лонжерону
В узле: 1
14
503А-3724030
Пучок проводов по лонжерону
В узле: 1
14
504А-3724030
Пучок проводов по лонжерону
В узле: 1
15
Г270А-3701000-Г
Генератор в сборе
В узле: 1
15
СК-СТ103-3708000
Стартер в сборе
В узле: 1
16
СК-П39-3710000
Переключатель света ножной П39
В узле: 1
17
500-3724058-В
Пучок проводов стартера
В узле: ---
18
500-3724058-В
Пучок проводов стартера
В узле: 1
20
500-3724064-Г
Провод соединения кабины и двигателя с массой
В узле: 2
21
ПС12-3723000
Панель двенадцатиклеммовая соединительная
В узле: 3
22
МЭ233-3730000-Г
Электродвигатель отопителя
В узле: 1
23
51-3723100
Муфта соединительная проводов в сборе
В узле: 2
24
500-3724080-Б1
Провод электродвигателя отопителя
В узле: 1
25
ПР102-3722000-Б
Блок предохранителей с плавкими вставками в сборе
В узле: 1
26
ПР102-3722000-В
Блок предохранителей с плавкими вставками
В узле: 2
27
РС401-3726000-Г
Прерыватель указателя поворотов РС-401
В узле: 1
28
500-3724010-Ж1
Пучок проводов основной
В узле: 1
29
500-3724062-Е
Провод от аккумуляторных батарей к стартеру
В узле: 1
30
КП-118-3801000-Г
Щиток приборов в сборе
В узле: 1
31
УК-143
Указатель температуры воды
В узле: 1
32
УК-144
Указатель давления воздуха и масла
В узле: 3
33
СП-134
Спидометр
В узле: 1
34
ПП127-3713000-Б
Патроны ламп
В узле: 1
35
УБ-125
Указатель уровня топлива
В узле: 1
36
ПД20-3803000-П
Фонарь контрольной лампы указателей поворота
В узле: 1
37
СК-ВК26-3720000-А2
Включатель приборов, стеклоочистителей и противотуманных фар
В узле: 4
38
СК-П20-3710000-А2
Переключатель плафонов, отопителя и топливных баков
В узле: 2
39
ПП2-3713000
Патрон контрольной лампы «Ближний свет». Лампа Л28х1
В узле: 1
40
500-3724073-В1
Провод от включателя приборов к приборам
В узле: 1
41
Г-П38-3709000
Переключатель освещения
В узле: 1
43
АП-109
Амперметр
В узле: 1
44
500-3724050-Г1
Пучок проводов плафонов
В узле: 1
45
504Б-3724023-Б1
Провод указателя уровня топлива
В узле: 1
45
504-3724022-В
Пучок проводов указателя уровня топлива
В узле: 1
46
504Б-3724023-Б1
Провод указателя уровня топлива
В узле: ---
47
500-3721080-Б
Контактное устройство сигнала в сборе
В узле: 1
48
СК-П109-3709000-Б2
Переключатель указателя поворота
В узле: 1
49
МЭ302В-3730000-Г
Датчик спидометра
В узле: 1
50
6ТБ.266.003
Розетка штепсельная переносной лампы
В узле: 1
51
СК-ВК318-3704000-Б
Включатель массы батарей
В узле: 1
52
500-3724052-В
Провод массы розетки переносной лампы . .
В узле: 1
53
500-3724039-Б
Провод питания розетки переносной лампы
В узле: 1
54
500-3724057-Д
Перемычка аккумуляторных батарей
В узле: 1
55
501-8104210
Вентилятор кабины в сборе
В узле: 1
56
ПК201-3714010-А
Плафон
В узле: 1
57
ПС4-3723000-А2
Панель двухклеммовая соединительная
В узле: 1
58
СК-БМ127-3806600-А
Датчик указателя уровня топлива
В узле: 1
59
СК-ВК13-3720000-Б
Включатель сигнала «Стоп» ВК-13
В узле: 1
60
ФП101-3716000-Г
Фонарь задний правый в сборе
В узле: 1
61
ПС1-3723000-А2
Панель трехклеммовая соединительная
В узле: 1
61
ПС2-3723000-А2
Панель соединительная ПС2-А2
В узле: 1
62
503А-3724032
Пучок проводов задних фонарей
В узле: 1
62
500-3724031-В1
Пучок проводов левого заднего фонаря и розетки прицепа
В узле: 1
63
ПС300-3723100
Розетка штепсельная ПС300
В узле: 1
64
ФП101-3716000-В
Фонарь задний левый в сборе
В узле: 1
65
ПК201-3714010-А
Плафон
В узле: 1
66
ФЮ3-552-030
Батарея аккумуляторная 6ТСТ-165ЭМС
В узле: 2
67
500-3724069-В
Провод от аккумуляторной батареи к включателю массы
В узле: 1
68
СК-ТМ100-3808000-Г
Датчик указателя температуры воды ТМ-100
В узле: 1
69
СК-РС512-3721000
Реле сигналов
В узле: 1
73
500-3724058-Г
Пучок проводов стартера (при установке предпускового подогревателя)
В узле: 1
75
УП101-3726000-Б
Повторитель боковой указателя поворота
В узле: 2
76
500-3724160
Пучок проводов по двигателю в сборе
В узле: 1
77
500-3724032-Г1
Пучок проводов правого заднего фонаря
В узле: 1
78
500-3724041-А1
Пучок проводов противотуманных фар
В узле: 1
Содержащиеся в справочниках-каталогах запасные части и детали не предлагаются к продаже, а носят исключительно информационный характер

Ваша заявка была отправлена. В ближайшее время наши специалисты с Вами свяжутся по указанному Вами телефону.

Представьтесь
Поле обязательно для заполнения
Ваш телефон
Введите правильный номер телефона
E-mail
Введите правильный e-mail
Тема
Тема
применяемость финансирование доставка цена, наличие другое сервис и гарантия
Время для звонка
08:00
08:00 09:00 10:00 11:00 12:00 13:00 14:00 15:00 16:00 17:00 18:00 19:00
19:00
08:00 09:00 10:00 11:00 12:00 13:00 14:00 15:00 16:00 17:00 18:00 19:00

Мы постараемся перезвонить в указанное время

Если вы не хотите ждать, то звоните нашим вежливым консультантам:

8 800 100-2-700
Подтвердите, что вы не робот
Подтвердите, что вы не робот
Спасибо!

Ваше сообщение успешно отправлено!

ЗакрытьПовторить попытку