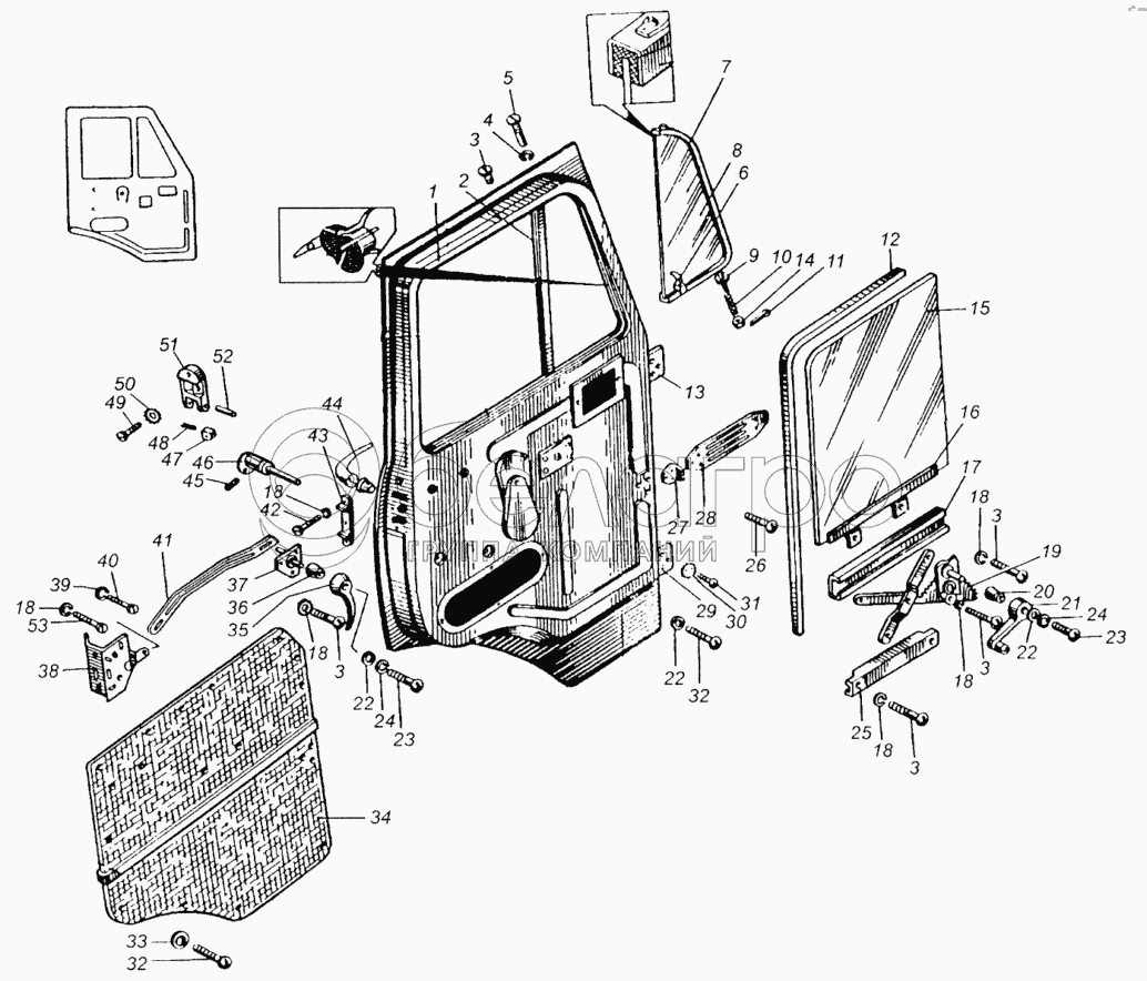
Каталог запасных частей к технике: МАЗ-504В. Дверь кабины

zoom-in zoom-out enlarge shrink circle-right circle-left file-text2 info cart arraw right arraw left zoom out zoom in arraw maximize arraw minimize
1
2
3
3
3
3
3
4
5
6
7
8
9
10
11
12
13
14
15
16
17
18
18
18
18
18
18
19
19
20
21
22
22
22
23
23
24
24
25
26
27
28
29
29
30
31
32
32
33
34
34
35
36
37
37
38
39
40
41
42
43
44
45
46
47
48
49
50
51
52
53
201458-П29
Болт
В узле: 12
220110-П29
Винт
В узле: 2
224622-П29
Винт
В узле: 20
220105-П29
Винт
В узле: 6
220079-П14
Винт
В узле: 2
240822-П29
Винт
В узле: 6
251261-П29
Гайка
В узле: 6
250508-П29
Гайка М6
В узле: 2
500-6100014
Дверь в сборе без арматуры и окраски правая
В узле: 1
500-6100021
Дверь левая в сборе (без петель)
В узле: 1
500-6100020
Дверь правая в сборе (без петель)
В узле: 1
500-6100011
Дверь с арматурой и стеклами левая в сборе
В узле: 1
500-6100010
Дверь с арматурой и стеклами правая в сборе
В узле: 1
500-6100013
Дверь с замком и петлями левая в сборе
В узле: 1
500-6100012
Дверь с замком и петлями правая в сборе
В узле: 1
500-6103254
Желобок опускного стекла двери передний
В узле: 2
253853-П
Заклепка
В узле: 16
81-6105012-Б
Замок двери правый в сборе
В узле: 1
212-6105172
Кольцо втулки наружной ручки
В узле: 2
264072-П8
Масленка
В узле: 4
500-6102048
Накладка декоративная обивки двери в сборе
В узле: 2
500-6103220
Обойма опускного стекла правая в сборе
В узле: 1
500-6106024
Ось петли
В узле: 4
500-6106022-Б
Петля верхняя на кабине правая
В узле: 1
500-6106017
Петля двери верхняя левая
В узле: 1
500-6106016
Петля двери верхняя правая
В узле: 1
500-6106012-Б
Петля двери верхняя правая в сборе
В узле: 1
500-6106031
Петля нижняя на двери левая
В узле: 1
500-6106030
Петля нижняя на двери правая
В узле: 1
500-6106034-Б
Петля нижняя на кабине
В узле: 1
500-6106120
Пластина крепления фиксатора
В узле: 2
500-6103218
Прокладка опускного стекла двери
В узле: 2
500-6103054
Прокладка поворотного стекла двери
В узле: 2
500-6103064
Рамка поворотного стекла двери правая
В узле: 1
500-6104068
Рукоятка ручки стеклоподъемника
В узле: 2
500-6103102
Ручка поворотного стекла двери правая
В узле: 1
500-6105252-Б
Ручка правой двери
В узле: 1
500-6104066
Ручка стеклоподъемника
В узле: 2
500-6103211
Стекло двери опускное левое в сборе
В узле: 1
500-6103210
Стекло двери опускное правое в сборе
В узле: 1
500-6103051
Стекло поворотное двери левое в сборе
В узле: 1
500-6103050
Стекло поворотное двери правое в сборе
В узле: 1
500-6103234-Б
Стойка опускного стекла двери правая в сборе
В узле: 1
500Т-6103230-Б
Стойка опускного стекла с желобком правая в сборе
В узле: 1
500-6107019
Уплотнитель двери задний
В узле: 2
500-6107024
Уплотнитель двери нижний
В узле: 2
500-6107018
Уплотнитель двери передний
В узле: 2
500-6107020
Уплотнитель дверного проема
В узле: 2
500-6103268
Уплотнитель опускного стекла двери
В узле: 2
500-6103123-02
Уплотнитель поворотного стекла двери левый
В узле: 1
500-6103122-02
Уплотнитель поворотного стекла двери правый
В узле: 1
500-6103142-Б
Уплотнитель поворотного стекла на стойке в сборе
В узле: 2
500-6106101
Фиксатор двери левый в сборе
В узле: 1
500-6106104
Фиксатор двери правый
В узле: 1
500-6106100
Фиксатор двери правый в сборе
В узле: 1
252035-П29
Шайба
В узле: 6
252270-П
Шайба зубчатая
В узле: 12
252270-П2
Шайба зубчатая
В узле: 6
500-6105178
Шпилька крепления ручки
В узле: 2
258918-П29
Штифт
В узле: 2
1
500-6100015
Дверь в сборе без арматуры и окраски левая
В узле: 1
2
500Т-6103231-Б
Стойка опускного стекла с желобком левая в сборе
В узле: 1
3
224622-П29
Винт
В узле: 6
4
252134-П2
Шайба
В узле: 2
5
500-6103074
Ось рамки поворотного стекла верхняя
В узле: 2
6
500-6103103
Ручка поворотного стекла двери левая
В узле: 1
7
500-6103065
Рамка поворотного стекла двери левая в сборе
В узле: 1
8
500-6103052-А
Стекло поворотное двери
В узле: 2
9
252005-П29
Шайба 8
В узле: 6
10
500-6103080
Пружина зажима оси поворотного стекла
В узле: 2
11
258024-П29
Шплинт
В узле: 2
12
500-6103256
Желобок опускного стекла двери задний
В узле: 2
13
500-6106013-Б
Петля двери верхняя левая в сборе
В узле: 1
14
250975-П29
Гайка
В узле: 2
15
500-6103214-А
Стекло двери опускное
В узле: 2
16
500-6103221
Обойма опускного стекла левая в сборе
В узле: 1
17
500-6104118
Кулиса стеклоподъемника верхняя
В узле: 2
18
252174-П8
Шайба пружинная зубчатая
В узле: 32
19
81-6104013-Б
Стеклоподъемник левый в сборе
В узле: 1
19
81-6104012-Б
Стеклоподъемник правый в сборе
В узле: 1
20
500-6105184
Розетка
В узле: 2
21
500-6104064
Ручка стеклоподъемника в сборе
В узле: 2
22
252004-П29
Шайба
В узле: 2
23
220079-П29
Винт
В узле: 2
24
252133-П2
Шайба
В узле: 4
25
500-6104112
Кулиса стеклоподъемника нижняя в сборе
В узле: 2
26
500-6106082-Б1
Ограничитель двери в сборе
В узле: 2
27
500-6106094-Б
Накладка ограничителя
В узле: 4
28
220107-П29
Винт
В узле: 6
29
500-6106027-Б
Петля двери нижняя левая в сборе
В узле: 1
29
500-6106026-Б
Петля двери нижняя правая в сборе
В узле: 1
30
252270-П2
Шайба зубчатая
В узле: 6
31
201454-П29
Болт
В узле: 12
32
240620-П13
Винт
В узле: 38
33
252317-П29
Шайба облицовочная
В узле: 38
34
500-6102011
Обивка двери левая в сборе
В узле: 1
34
500-6102010
Обивка двери правая в сборе
В узле: 1
35
500-6105182
Ручка привода замка
В узле: 2
36
500-6105184
Розетка
В узле: 2
37
81-6105083
Привод замка двери левый в сборе
В узле: 1
37
81-6105082
Привод замка двери правый в сборе
В узле: 1
38
81-6105013-Б
Замок двери левый в сборе
В узле: 1
39
252263-П2
Шайба зубчатая
В узле: 4
40
223064-П29
Винт
В узле: 4
41
500-6105102
Тяга привода замка
В узле: 2
42
224624-П29
Винт
В узле: 6
43
500-6106130
Пластина крепления шипов в сборе
В узле: 2
44
500-6105152
Ручка двери наружная в сборе
В узле: 2
45
242471-П29
Винт
В узле: 1
46
81Б-6105430
Выключатель замка двери в сборе
В узле: 1
47
500-6106108
Сухарь фиксатора двери
В узле: 2
48
500-6106110
Пружина
В узле: 2
49
221666-П29
Винт
В узле: 4
50
252264-П2
Шайба зубчатая
В узле: 4
51
500-6106105
Фиксатор двери левый
В узле: 1
52
255085-П29
Заклепка
В узле: 2
53
224622-П29
Винт
В узле: 4
Содержащиеся в справочниках-каталогах запасные части и детали не предлагаются к продаже, а носят исключительно информационный характер

Ваша заявка была отправлена. В ближайшее время наши специалисты с Вами свяжутся по указанному Вами телефону.

Представьтесь
Поле обязательно для заполнения
Ваш телефон
Введите правильный номер телефона
E-mail
Введите правильный e-mail
Тема
Тема
применяемость финансирование доставка цена, наличие другое сервис и гарантия
Время для звонка
08:00
08:00 09:00 10:00 11:00 12:00 13:00 14:00 15:00 16:00 17:00 18:00 19:00
19:00
08:00 09:00 10:00 11:00 12:00 13:00 14:00 15:00 16:00 17:00 18:00 19:00

Мы постараемся перезвонить в указанное время

Если вы не хотите ждать, то звоните нашим вежливым консультантам:

8 800 100-2-700
Подтвердите, что вы не робот
Подтвердите, что вы не робот
Спасибо!

Ваше сообщение успешно отправлено!

ЗакрытьПовторить попытку